Drivers leather seat fails to heat up?

Tiny
GREG F
  • MEMBER
  • 2001 CHEVROLET MONTE CARLO
  • 6 CYL
  • FWD
  • AUTOMATIC
  • 30,000 MILES
The drivers leather seat fails to heat up. The switch lights up but no heat. All the connections under seat seem to be well connected and 15 amp fuse is ok. Passenger seat works fine.
Saturday, November 27th, 2010 AT 1:11 AM

1 Reply

Tiny
KASEKENNY
  • MECHANIC
  • 18,907 POSTS
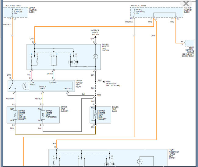
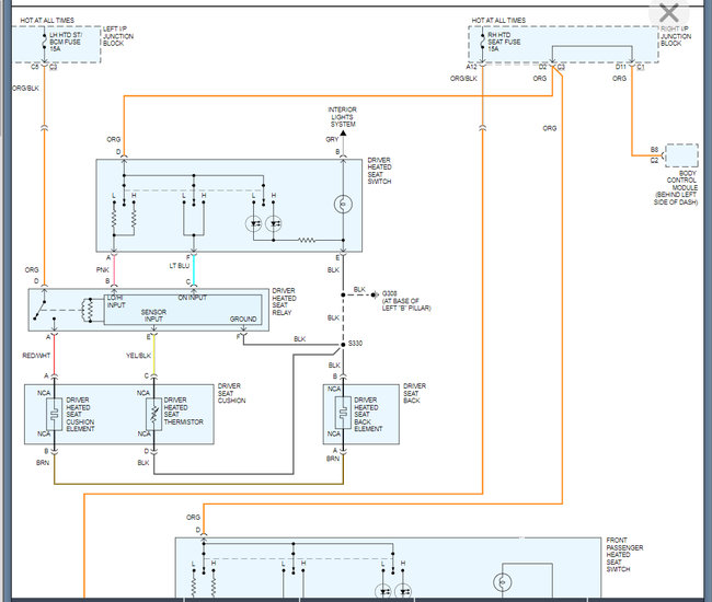
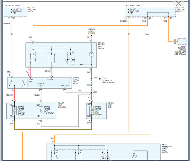
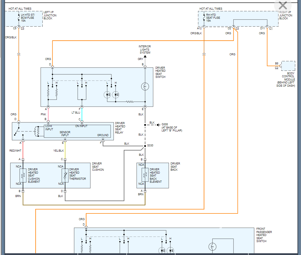
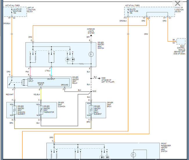
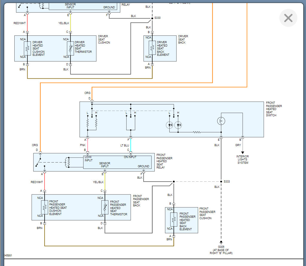
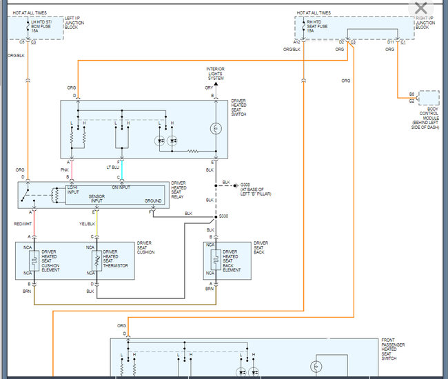
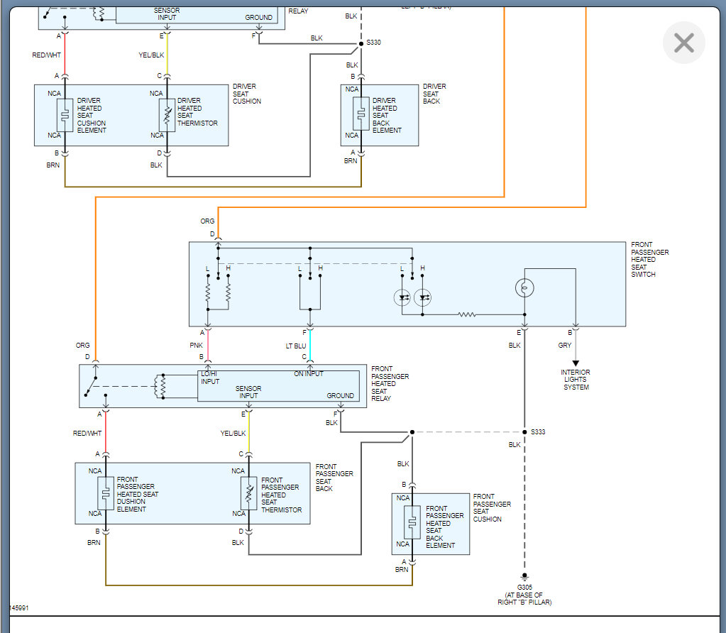
Just to confirm you checked the left hand seat fuse which is in the left IP fuse block shown below.

This is also the BCM fuse so I suspect this is okay. Here is a guide that will help with testing this just to be sure:

https://www.2carpros.com/articles/how-to-check-a-car-fuse

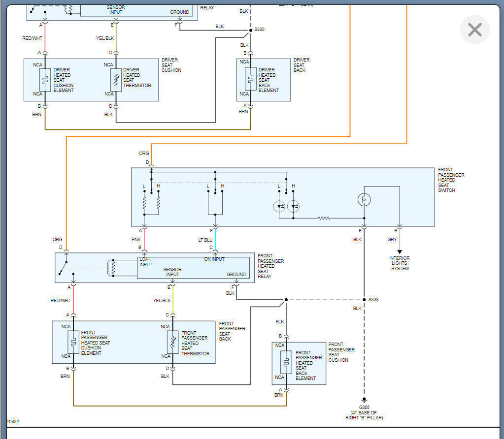
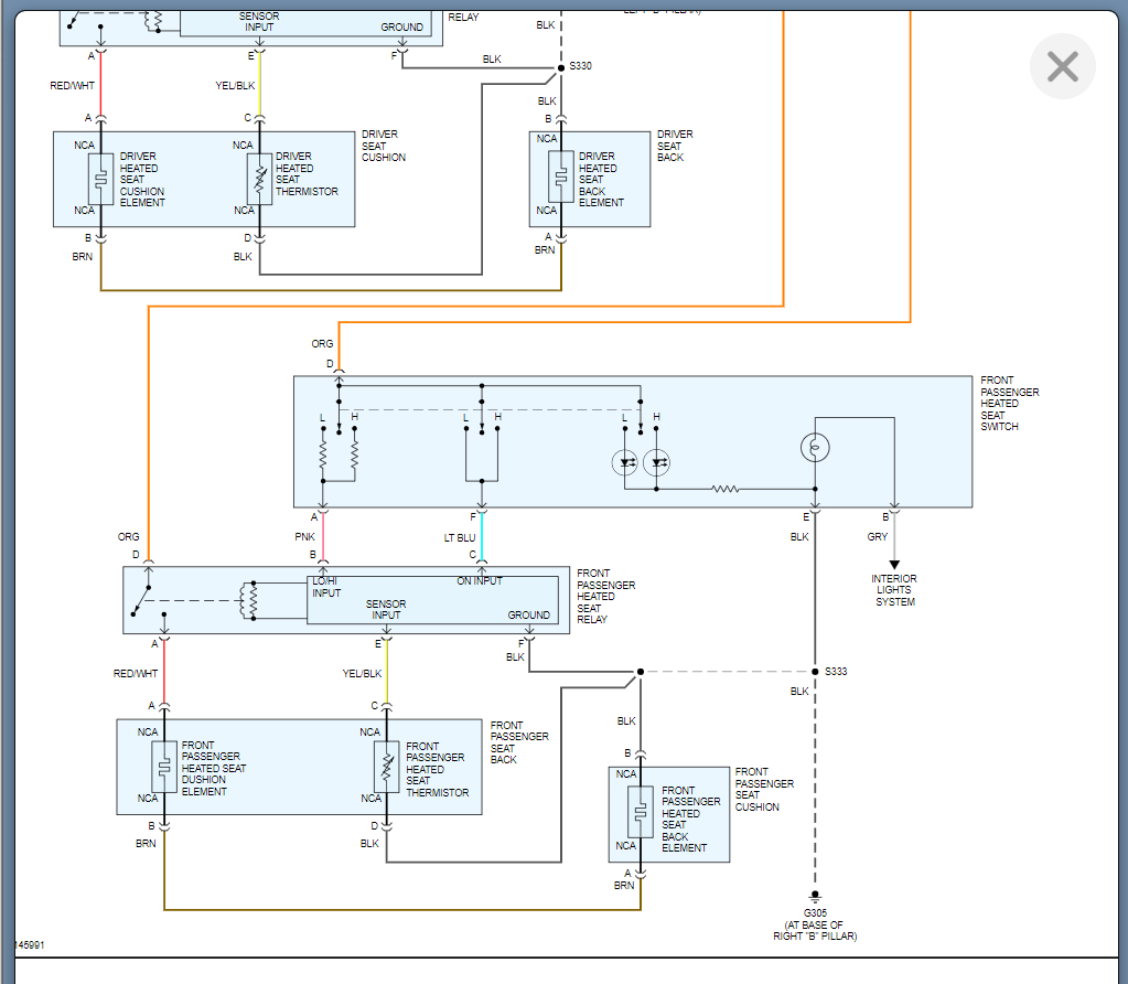
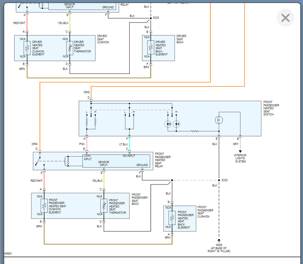
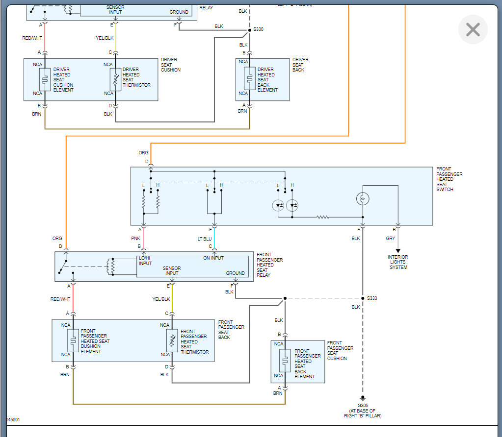
If the fuse is fine then we need to check voltage at the heater elements. If there is voltage then the element is the issue. If it is not then we need to back track through this circuit to find where we have voltage.

This includes the heated seat relay and switch.

Here is a diagram that will help with this:

https://www.2carpros.com/articles/how-to-check-wiring

Please see the wiring diagram below that will help with testing the system.

Please let me know what questions you have and we can go from there.

Thanks
Was this
answer
helpful?
Yes
No
Thursday, August 19th, 2021 AT 8:11 PM

Please login or register to post a reply.