Sunday, January 27th, 2013 AT 6:33 AM
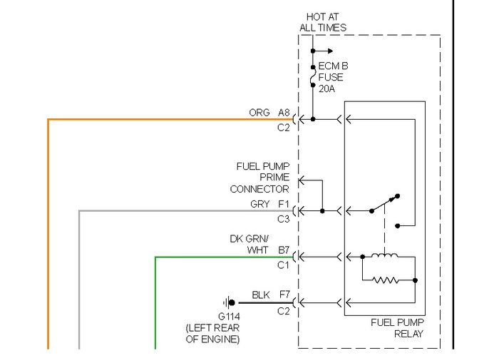
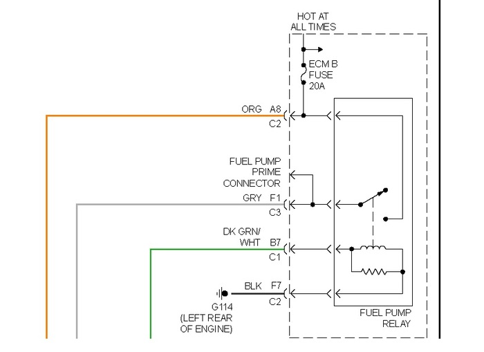
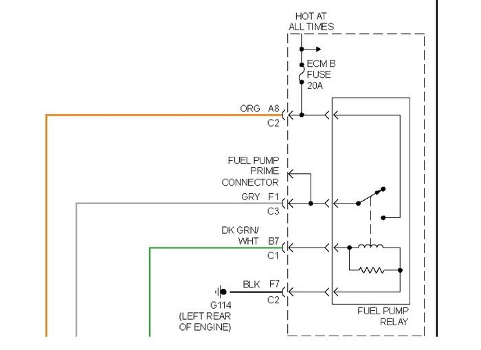
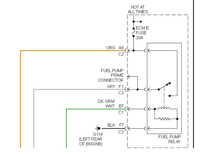
Lost power to new fuel pump after hard bump while 4 wheeling tested fuses ign c- ecm b- f\pump all ok have power to everything else


