HOME
ASK A QUESTION
REPAIR GUIDES
BECOME A MEMBER
LOG IN
Login with Facebook
OR
Remember me
NOT A MEMBER?
FORGOT PASSWORD?
CONTACT US
PRIVACY POLICY
TERMS AND CONDITIONS
☰
Home
Chevrolet
Blazer
Climate Control
Heater
2001 Chevrolet Blazer Heater
MCADAM1682
MEMBER
2001 CHEVROLET BLAZER
4.3L
6 CYL
4WD
AUTOMATIC
I just had the blower motor replaced and now the heat only comes from the dash vents and only works on the high setting
Monday, January 12th, 2015 AT 12:00 PM
2 Replies
HMAC300
MECHANIC
48,601 POSTS
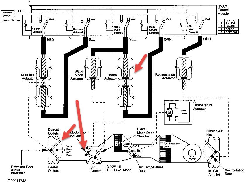
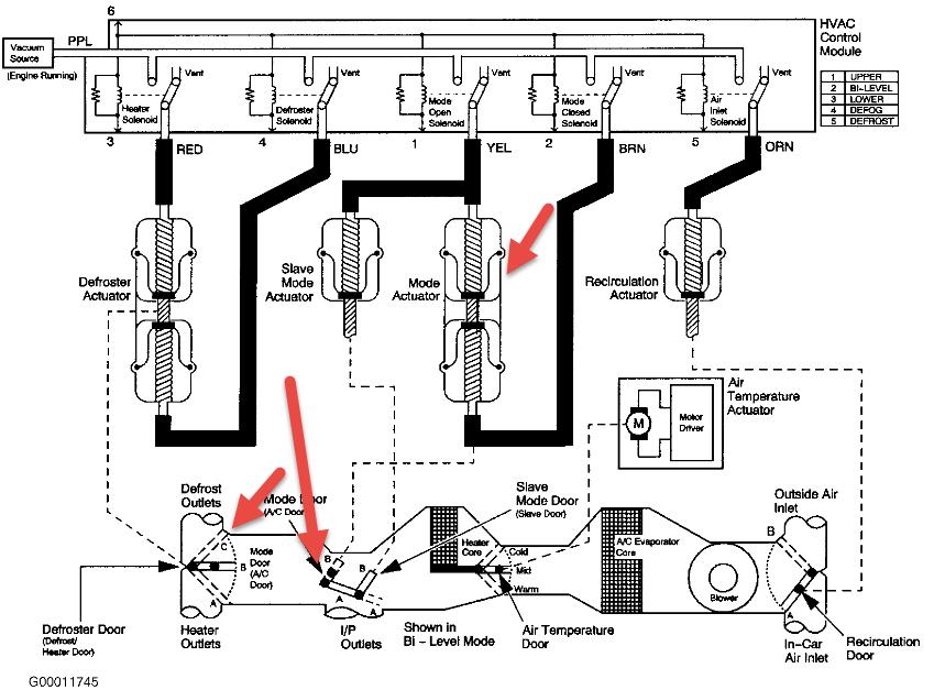
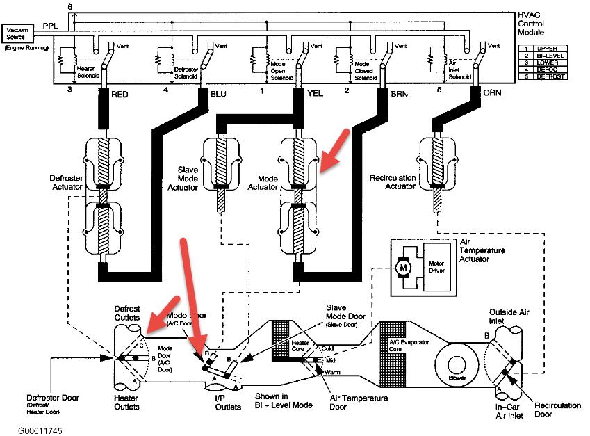
Chc for a vacuum leak it may be a cracked hose on engine side or control or vacuum motor for mode
Image (Click to make bigger)
Was this
answer
helpful?
Yes
No
Monday, January 12th, 2015 AT 12:06 PM
MCADAM1682
MEMBER
2 POSTS
Thanks for your help, it was a cracked vacuum line.
Was this
answer
helpful?
Yes
No
Tuesday, January 13th, 2015 AT 6:03 AM
Please
login
or
register
to post a reply.
Related Heater Content
S10 Blazer Heating Problem
Heater Flow Doors Or Flappers Not Directing Air Flow To Feet In 01 S10 Blazer
Asked by
toby36
·
2 ANSWERS
2001
CHEVROLET BLAZER
GUIDE
Heater
Once the engine has been started and has run long enough to warm up the hot coolant is transferred into the heater core which is located inside the passenger compartment via...
2001 Chevy Blazer Regarding My Heating System
Heater Problem 2001 Chevy Blazer Engine Size Unknown Two Wheel Drive Automatic 139000 Miles When I I Put My Heat On Full Blast It Is...
Asked by
wildhorses
·
1 ANSWER
2001
CHEVROLET BLAZER
1999 Chevy Blazer Heater Hot And Cold
Recently My Computerized Climate Control Heater Began Blowing Hot And Cold Alternately. I Can Hear The Control Door Open And Close...
Asked by
KBEMIS69
·
1 ANSWER
1999
CHEVROLET BLAZER
2003 Chevy Blazer Heater Control Module Vacuum
I Noticed The Other Day A "hissing" Noise Coming From My Heater When I Used The Controls. When I Turn The Heater Control To The Different...
Asked by
redsoxrock67
·
3 ANSWERS
2003
CHEVROLET BLAZER
1999 Chevy Blazer Heater / Ac Making Noice
My 1999 Chevorlet Blazer Is Making A Horrible Grinding Like Noise When You Turn It On. I Belive It To Be The Unit Bearings Have Gone Bad...
Asked by
nvdragnfly
·
6 ANSWERS
1999
CHEVROLET BLAZER
VIEW MORE
Ask a Car Question. It's Free!
Heater Not Working
Heater Not Working
Heater Hose Replacement Chevrolet Camaro