Tuesday, November 8th, 2022 AT 1:34 PM
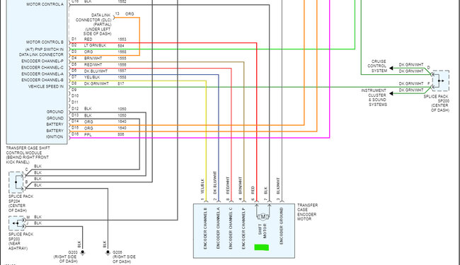
I have the vehicle listed above ls. I have all indicator lights on the 4wd switch. 2hi lights up all the time, but when I switch to 4 hi the 4hi light comes on 2 hi goes out and I hear clicking in passenger side kick panel from the TCCM. The 4hi light flashes and switches back to 2 hi solid, same goes with 4 low. I put brand new TCCM. Put in New Differential Vacuum Actuator and put in new Transfer Case Switch and now I have new transfer case motor coming. I hear nothing coming from transfer case motor when switching, why do I have a new one coming. I hear just clicking from TCCM, got good vacuum. Checked all fuses, good. I'm about to pull my hair out if I had any. I do all work on my vehicles always have since 14 years old so I know more things then most but, I'm lost on this one. Any info would be greatly appreciated.













