Friday, May 4th, 2012 AT 3:16 PM
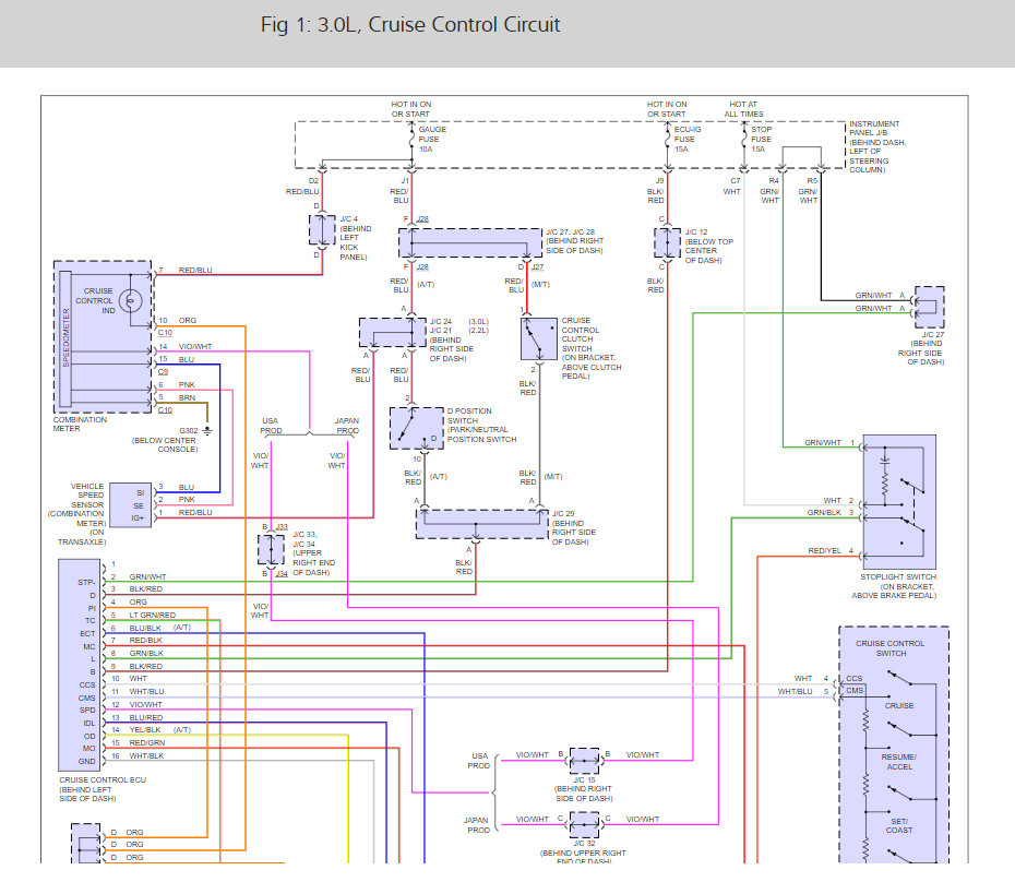
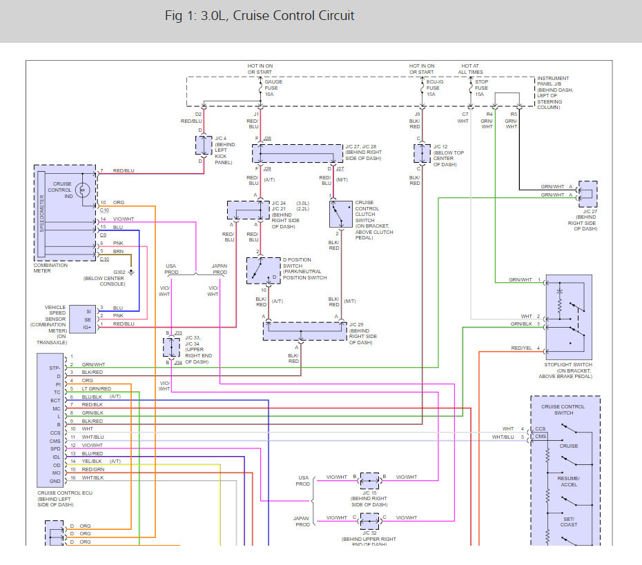
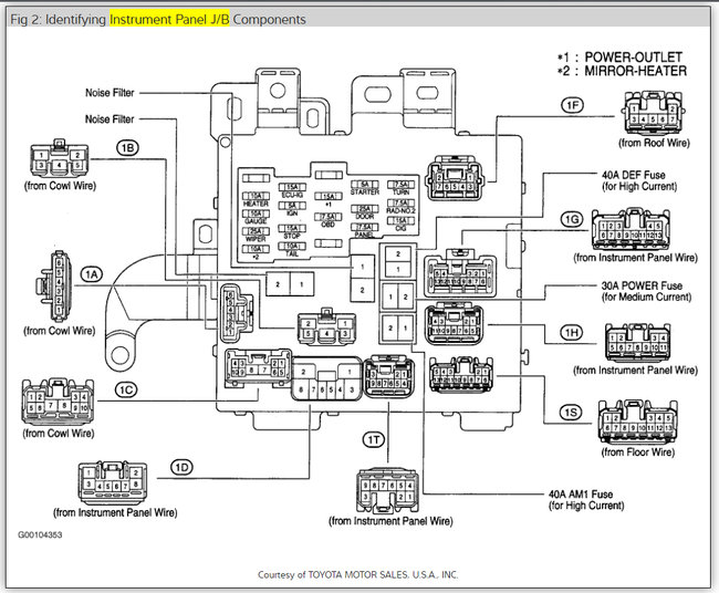
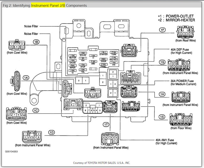
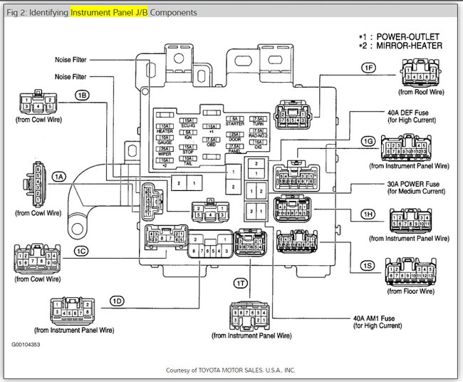
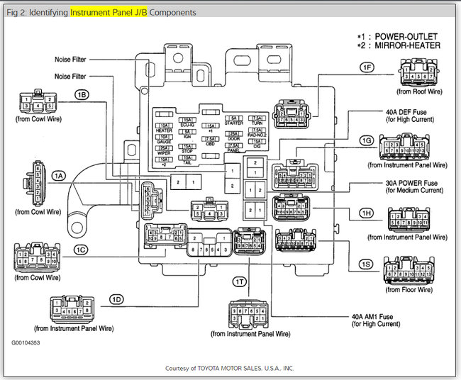
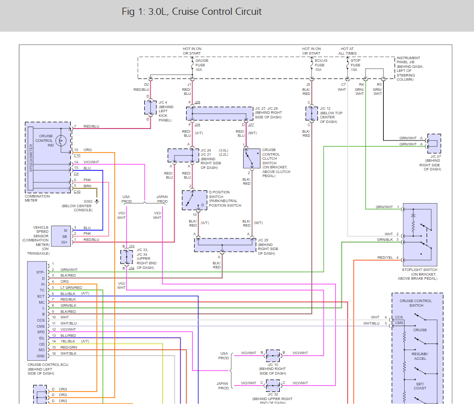
2000 Toyota Camry with 94000 miles. When attempting to engage the cruise control, the light on the dash comes on but the actual cruise control does not work. Any thoughts? All fuses appear to be OK not sure where to go from here












