Testing power to fuel pump

Tiny
DLOWERY513
  • MEMBER
  • 2000 PONTIAC GRAND PRIX
  • 3.1L
  • V6
  • FWD
  • AUTOMATIC
  • 150,000 MILES
I replaced the fuel pump relay in fuse box, checked all fuses are ok, I replaced the fuel pump still I hear NO pump priming or running, Could this be the fuel pump resistor? And can I test the power to the pump and the resistor before replacing the resistor? Any help would be most appreciated, I can't afford dealer prices. Thank you POOR
ole boy .
Tuesday, November 4th, 2014 AT 8:24 AM

3 Replies

Tiny
JACOBANDNICKOLAS
  • MECHANIC
  • 110,194 POSTS
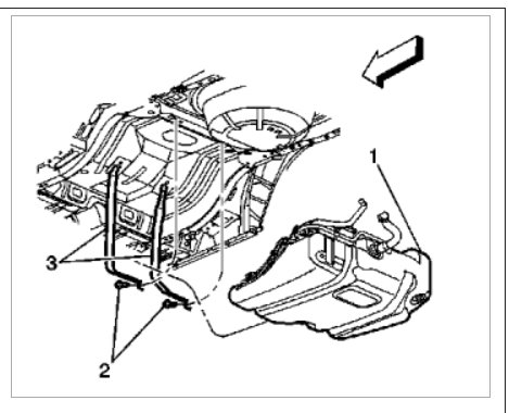
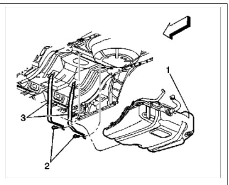
First, check to see if there is power to the pump. If there is, check for a bad ground. The pumps go out all the time in these cars here is a guide to show you what you are in for when doing the job and diagrams to show you what it will be like for your car.

https://www.2carpros.com/articles/how-to-replace-an-electric-fuel-pump

Check out the diagrams (Below). Please let us know what you find.

Cheers
Was this
answer
helpful?
Yes
No
+1
Saturday, March 20th, 2021 AT 7:31 PM
Tiny
DLOWERY513
  • MEMBER
  • 4 POSTS
I replaced the pump, engine started right up I love this site. Thanks again.
Was this
answer
helpful?
Yes
No
Saturday, March 20th, 2021 AT 7:31 PM
Tiny
JACOBANDNICKOLAS
  • MECHANIC
  • 110,194 POSTS
Good to hear, please use 2CarPros anytime we are here to help.

Cheers
Was this
answer
helpful?
Yes
No
Saturday, March 20th, 2021 AT 7:31 PM

Please login or register to post a reply.