Idle Air Control Valve

Tiny
LAURETS
  • MEMBER
  • 2000 PONTIAC GRAND AM
2000 Pontiac Grand Am GT how to replace IAC valve?
Monday, February 28th, 2011 AT 10:07 PM

44 Replies

Tiny
KEN L
  • MASTER CERTIFIED MECHANIC
  • 55,428 POSTS
Hello,

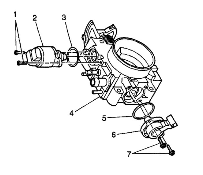
The idle air control motor is located in the throttle body either in the back or on the side. Here is a guide and some diagrams (Below) that will show you what Im talking about and some diagrams.

https://www.2carpros.com/articles/how-to-replace-an-idle-speed-control-motor-iac

Here is what it will be like for your car (below)

Please let us know if you need anything else to get the problem fixed.

Cheers, Ken
Was this
answer
helpful?
Yes
No
+3
Wednesday, November 8th, 2017 AT 1:46 PM
Tiny
TWINKIEDELIGHT05
  • MEMBER
  • 14 POSTS
  • 2003 PONTIAC GRAND AM
  • 120,000 MILES
I just baught the grand am an noticed it needed intake gaskets we replaced the gaskets from intakes all the way up, after we changed them them the o2 sensor was reading bad, my first clue was the cadilac converter cause of the carbon build up that was in the throttle body, I cleaned it up, an flushed the engine twice due to the coolant being really nasty, brown. So when I took the converter off I noticed that it weighed aboout 60 lbs the honey comb inside of it was gone tons of sand. I changed that an the engine light went off. But noticed it had a slight of a idle issue when you started it it would idle extremely high at two thousand rpm. It would slowly drop down after a minute but sometimes wouldn't go down at all. No mind me the transmission had a little jerk a slight little jerk. But after I changed the (iac) for the idle noticed that the car don't idle up real high anymore it just idles up an down up an down now, an the transmissions jerk has become very seriously, where it'll jerk the whole car hard when shifting gears.
Was this
answer
helpful?
Yes
No
+1
Wednesday, November 8th, 2017 AT 1:49 PM (Merged)
Tiny
SATURNTECH9
  • MECHANIC
  • 30,869 POSTS
So do you have any codes now?Have you checked for codes since the idle is going up and down and the transmission is shifting hard?I would be looking for a vacuum leak also be checking the inlet air temp sensor.I have seen problems with the inlet air temp sensor connectors cause hard shifting.
Was this
answer
helpful?
Yes
No
Wednesday, November 8th, 2017 AT 1:49 PM (Merged)
Tiny
TWINKIEDELIGHT05
  • MEMBER
  • 14 POSTS
No, what im finding with this car is eevery part I take off was a junk yard part, but i'll check them sensors an no no check engine light came on besides the evap one 102
Was this
answer
helpful?
Yes
No
Wednesday, November 8th, 2017 AT 1:49 PM (Merged)
Tiny
SATURNTECH9
  • MECHANIC
  • 30,869 POSTS
If your talking about a P0102 thats not a evap code its a mass air flow sensor low voltage code.
Was this
answer
helpful?
Yes
No
Wednesday, November 8th, 2017 AT 1:49 PM (Merged)
Tiny
GRILLA
  • MEMBER
  • 5 POSTS
  • 1996 PONTIAC GRAND AM
  • 236,000 MILES
I replaced my idle air control in my 96 pontiac grand am but it still idles when I start it. What should I do?
Was this
answer
helpful?
Yes
No
-1
Wednesday, November 8th, 2017 AT 1:49 PM (Merged)
Tiny
BUDDYCRAIGG
  • MECHANIC
  • 2,262 POSTS
It's suppose to idle when you start it.
Was this
answer
helpful?
Yes
No
+3
Wednesday, November 8th, 2017 AT 1:49 PM (Merged)
Tiny
GRILLA
  • MEMBER
  • 5 POSTS
When I start it I let it sit for about 10 minutes then when I put it in reverse or drive it jumpz an takes off by its self. It pulls I don't realy need to hit tha gass I pulls till I hit the breaks. But when I start it the rpm goes up vary hight and sitz there for tha whole 10minutes do I need to do anything to the sencore
Was this
answer
helpful?
Yes
No
+1
Wednesday, November 8th, 2017 AT 1:49 PM (Merged)
Tiny
GRILLA
  • MEMBER
  • 5 POSTS
Did I insert the auto air control the rong way?
I unplugged the battery. Then took out the old air control then put the new one in then plugged the battery back up. Did I do something rong?
Was this
answer
helpful?
Yes
No
Wednesday, November 8th, 2017 AT 1:49 PM (Merged)
Tiny
BUDDYCRAIGG
  • MECHANIC
  • 2,262 POSTS
I want to first start by saying that I am not trying to insult you.
Please try to use punctuation so I can better understand what is going on.

If I understand you so far, you have a high idle.
Did this happen before or after you replaced the idler air control?
Was this
answer
helpful?
Yes
No
Wednesday, November 8th, 2017 AT 1:49 PM (Merged)
Tiny
GRILLA
  • MEMBER
  • 5 POSTS
It happened before and after I replaced it. Only now itz idled higher then before.
Was this
answer
helpful?
Yes
No
-1
Wednesday, November 8th, 2017 AT 1:49 PM (Merged)
Tiny
BUDDYCRAIGG
  • MECHANIC
  • 2,262 POSTS
Do you have a 4 or 6 cylinder?
Was this
answer
helpful?
Yes
No
Wednesday, November 8th, 2017 AT 1:49 PM (Merged)
Tiny
BRUMMER1991
  • MEMBER
  • 7 POSTS
  • 1995 PONTIAC GRAND AM
  • 211,000 MILES
I recently replaced my idle air control valve and now my car runs fine except my engine temperature gauge doesn't seem to read normal since then would changing this part possibly cause this problem
Was this
answer
helpful?
Yes
No
Wednesday, November 8th, 2017 AT 1:49 PM (Merged)
Tiny
GRILLA
  • MEMBER
  • 5 POSTS
6 cylinder
Was this
answer
helpful?
Yes
No
Wednesday, November 8th, 2017 AT 1:49 PM (Merged)
Tiny
ASEMASTER6371
  • MECHANIC
  • 52,796 POSTS
No, no relation unless you disturbed a connector.

Roy
Was this
answer
helpful?
Yes
No
Wednesday, November 8th, 2017 AT 1:49 PM (Merged)
Tiny
BUDDYCRAIGG
  • MECHANIC
  • 2,262 POSTS
Sorry it took me so long to get back. I'm getting lunches ready for tomorrow.

I know the 2.8/3.1 engine very well.

Take the intake hose off of the throttle body.

You should be able to stall the engine if you put your thumb over the hole in the bottom of it right in front of the flapper, (the port that the idle control is connected to)

if it doesn't stall then you have a vacuum leak in the plenum or the intake manifold
Was this
answer
helpful?
Yes
No
Wednesday, November 8th, 2017 AT 1:49 PM (Merged)
Tiny
BRUMMER1991
  • MEMBER
  • 7 POSTS
I do not believe so it still runs fine and the gauge reads to a certain extent just never moves very far up there were wires around but I do not believe I touched any of them except for one that goes into the top of the intake towards where the throttle bore would be
Was this
answer
helpful?
Yes
No
Wednesday, November 8th, 2017 AT 1:49 PM (Merged)
Tiny
ASEMASTER6371
  • MECHANIC
  • 52,796 POSTS
You may have a bad thermostat

Roy
Was this
answer
helpful?
Yes
No
Wednesday, November 8th, 2017 AT 1:49 PM (Merged)
Tiny
BRUMMER1991
  • MEMBER
  • 7 POSTS
I appreciate the help I will try that
Was this
answer
helpful?
Yes
No
Wednesday, November 8th, 2017 AT 1:49 PM (Merged)
Tiny
ASEMASTER6371
  • MECHANIC
  • 52,796 POSTS
Good luck

Roy
Was this
answer
helpful?
Yes
No
Wednesday, November 8th, 2017 AT 1:49 PM (Merged)

Please login or register to post a reply.