Heater module location

Tiny
PATRICKMFENCL
  • MEMBER
  • 2000 OLDSMOBILE BRAVADA
  • 130,000 MILES
Where is the heater module on this vehicle?
Monday, April 1st, 2013 AT 4:10 PM

9 Replies

Tiny
ASEMASTER6371
  • MECHANIC
  • 52,796 POSTS
No module. What is the exact issue?

Roy
Was this
answer
helpful?
Yes
No
Monday, April 1st, 2013 AT 4:12 PM
Tiny
CURT HELMER
  • MEMBER
  • 4 POSTS
My issue is no temperature control, barely warm.
Was this
answer
helpful?
Yes
No
Tuesday, October 16th, 2018 AT 4:33 PM
Tiny
ASEMASTER6371
  • MECHANIC
  • 52,796 POSTS
There are many possibilities for no heat.

1. Low coolant.

2. Thermostat bad. It could be stuck open not allowing the coolant to warm up.

3. Heater core partially clogged.

4. Blend door actuator.

5. Engine issue. A failed head gasket will cause this as well.

Roy

https://www.2carpros.com/articles/car-heater-not-working
Was this
answer
helpful?
Yes
No
Tuesday, October 16th, 2018 AT 4:47 PM
Tiny
CURT HELMER
  • MEMBER
  • 4 POSTS
Everything else okay. Maybe blend door actuator all I can think of.
Was this
answer
helpful?
Yes
No
Tuesday, October 16th, 2018 AT 4:51 PM
Tiny
ASEMASTER6371
  • MECHANIC
  • 52,796 POSTS
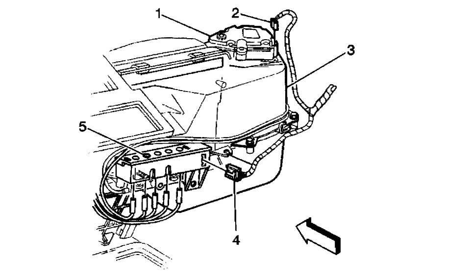
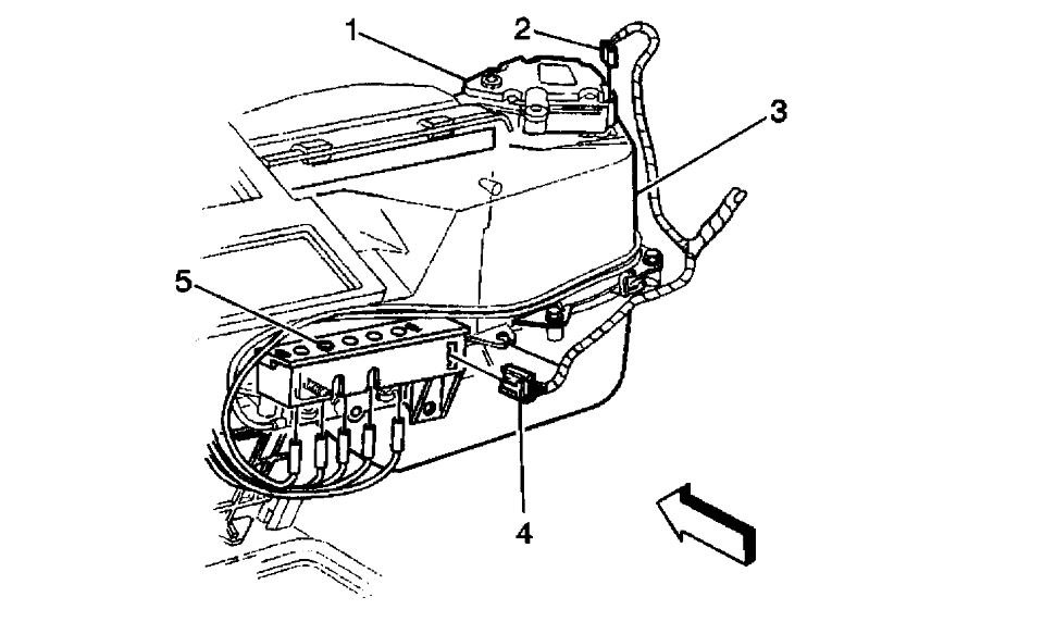
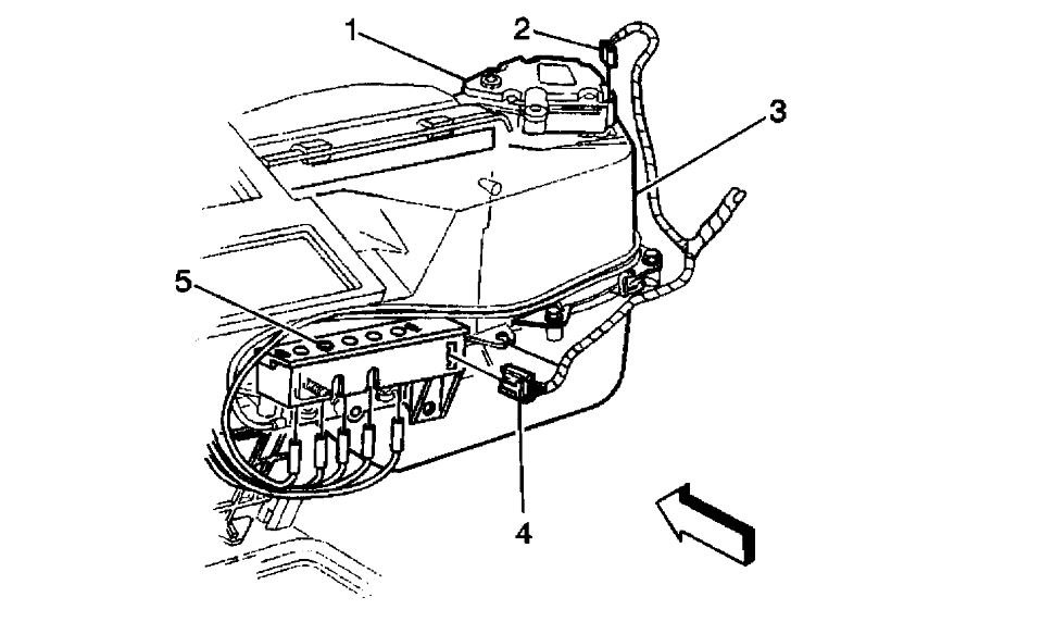
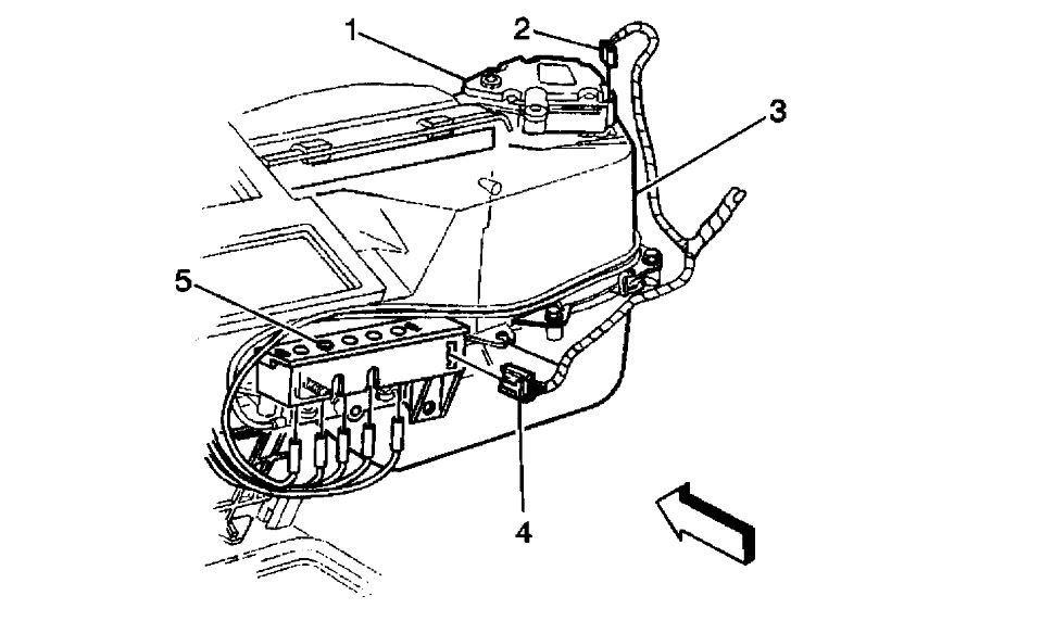
1. Remove the instrument panel carrier.
2. Disconnect the electrical connector (2).

ImageOpen In New TabZoom/Print

3. Remove the air temperature actuator retaining screws.
4. Remove the air temperature actuator from the heater/vent module.
Was this
answer
helpful?
Yes
No
Tuesday, October 16th, 2018 AT 5:01 PM
Tiny
CURT HELMER
  • MEMBER
  • 4 POSTS
I cannot get to it will I have to take dash apart.
Was this
answer
helpful?
Yes
No
Tuesday, October 16th, 2018 AT 5:08 PM
Tiny
ASEMASTER6371
  • MECHANIC
  • 52,796 POSTS
That is correct. If you read the instructions, you need to remove the top pad to gain access to the actuator.

Roy
Was this
answer
helpful?
Yes
No
Tuesday, October 16th, 2018 AT 5:13 PM
Tiny
CURT HELMER
  • MEMBER
  • 4 POSTS
  • 2000 OLDSMOBILE BRAVADA
  • 4.3L
  • 6 CYL
  • 4WD
  • AUTOMATIC
  • 65,000 MILES
I have some heat heat just not hot. Need it to be hotter. Temperature control does not work, everything else works. Air is cold when on. Just need more heat.
Was this
answer
helpful?
Yes
No
+1
Tuesday, October 16th, 2018 AT 7:06 PM (Merged)
Tiny
ASEMASTER6371
  • MECHANIC
  • 52,796 POSTS
Good evening.

It could be from a couple of things.

1. Low coolant level.

2. Heater core partially blocked not allowing circulation.

3. Bad thermostat.

Roy

https://www.2carpros.com/articles/car-heater-not-working
Was this
answer
helpful?
Yes
No
Tuesday, October 16th, 2018 AT 7:06 PM (Merged)

Please login or register to post a reply.