Friday, October 31st, 2014 AT 2:45 PM
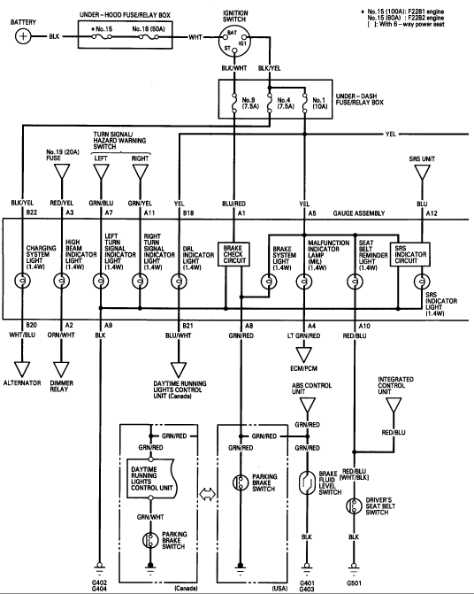
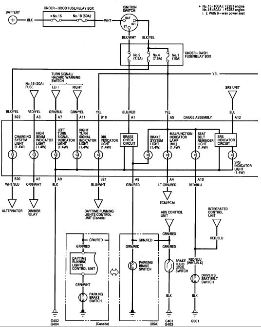
The temperature gauge will not move from the cold mark. A very slight pulsing can be seen. But, it stays on cold. The temperature sensor has been replaced. The car does warm up.



