Odometer and clock lights do not illuminate

Tiny
NESTORGRULLON
  • MEMBER
  • 2000 HONDA ACCORD
  • 4 CYL
  • FWD
  • AUTOMATIC
  • 177,000 MILES
My odometer and clock lights it does not light up. I check the fuses and there are fine. Do you know how to solve this problems? Thanks.
Sunday, August 9th, 2009 AT 8:02 AM

9 Replies

Tiny
F4I_GUY
  • MECHANIC
  • 3,302 POSTS
Try replacing the bulbs behind them.
Was this
answer
helpful?
Yes
No
Sunday, August 9th, 2009 AT 1:27 PM
Tiny
RLTCPA
  • MEMBER
  • 4 POSTS
2000 Honda Accord LX

I bought both bulbs, replaced clock bulb. Upon turning it 1/4 turn to secure it, a wisp of smoke appeared and entire instrument panel and power windows failed, along with not being able to shift out of park. Car still started OK, but couldn't drive.
I found some help regarding fuse replacement, followed it, and everything went back to normal.
Then I needed to replace the battery, and since replacing it, now only the driver's door power window goes up/down, whether using driver's control or individual door control switch.
1. What would cause the replacement of the bulb to blow a fuse?
2. Could this be related to the power window issue, or would that more likely be from the battery replacement?

I have not tried to replace the clock bulb again (I re-inserted the old bulb when it smoked) and I never attempted to replace the odometer/trip meter bulb since this happened.
Was this
answer
helpful?
Yes
No
Wednesday, September 26th, 2018 AT 9:33 AM
Tiny
KEN L
  • MASTER CERTIFIED MECHANIC
  • 55,322 POSTS
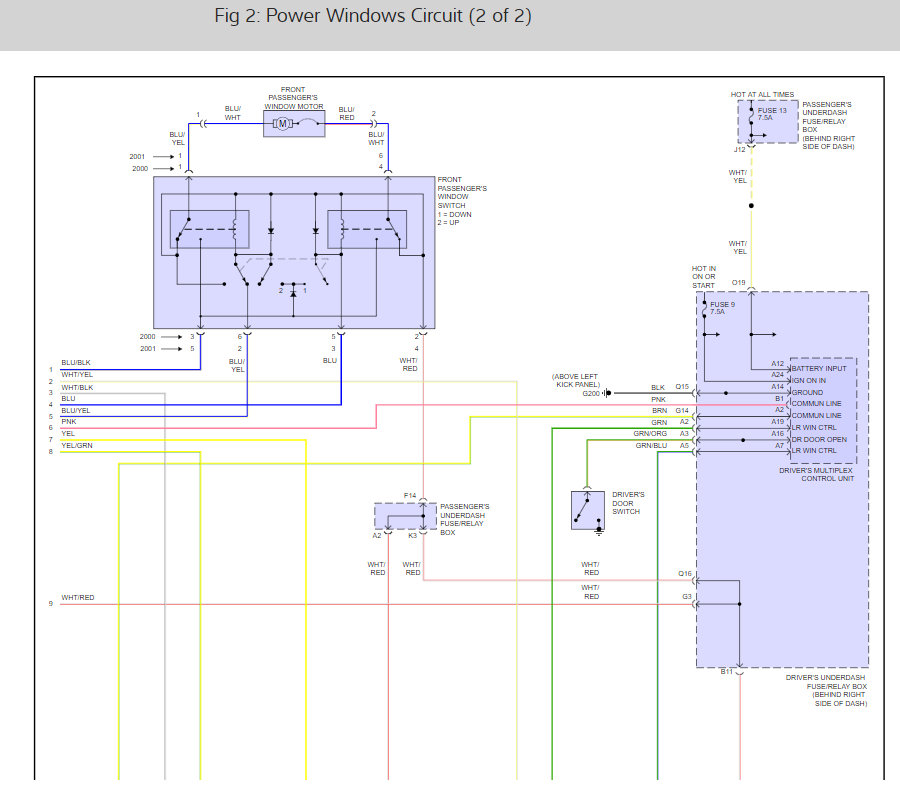
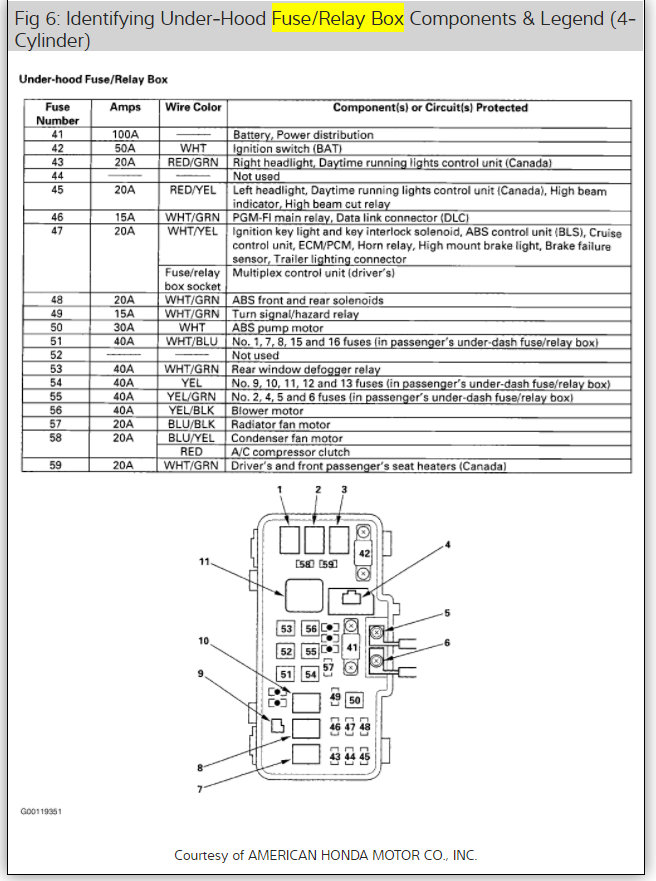
If the battery is connected while you replace the bulb it can blow the fuse because you connect power and ground when removing the socket. It sounds like the drivers side multiplex unit might be out. We are losing power somewhere. Here is a guide to help you check for power and the window wiring diagrams so you can see how the system works. There are several fuses that run the system.

https://www.2carpros.com/articles/how-to-use-a-test-light-circuit-tester

Check out the diagrams (below). Please let us know what happens.

Cheers, Ken
Was this
answer
helpful?
Yes
No
Wednesday, September 26th, 2018 AT 10:53 AM
Tiny
RLTCPA
  • MEMBER
  • 4 POSTS
Bulb blowing the fuse has not been resolved yet, but the power window issue has. Turns out my fifteen year old daughter had engaged the childproof switch inadvertently.
I am not sure that I am going to pursue the clock bulb as I do not want to recreate the problem. If there was a known issue and I could find a solution that worked for someone else, I might give it a try.
Thanks for your help.
Was this
answer
helpful?
Yes
No
Thursday, September 27th, 2018 AT 6:12 AM
Tiny
KEN L
  • MASTER CERTIFIED MECHANIC
  • 55,322 POSTS
That is an easy fix we like those. The fuse issue does it only blow when you replace the bulb? Can we get some pictures of the application so we can see what you are talking about?
Was this
answer
helpful?
Yes
No
Thursday, September 27th, 2018 AT 10:30 AM
Tiny
RLTCPA
  • MEMBER
  • 4 POSTS
I am assuming the fuse blew as a result of putting in the new bulb, since it smoked when I did it and the issue with instrument cluster and power windows was noticed immediately following. I re-inserted the old bulb (not even sure if it is bad), just to restore everything to the way it was before I messed with it.
I will look for the printout I made of the troubleshooting suggestions and attach when I find it.
Was this
answer
helpful?
Yes
No
Thursday, September 27th, 2018 AT 11:04 AM
Tiny
KEN L
  • MASTER CERTIFIED MECHANIC
  • 55,322 POSTS
Did it all start working? Does the fuse still blow or have you replaced them?
Was this
answer
helpful?
Yes
No
Friday, September 28th, 2018 AT 11:43 AM
Tiny
RLTCPA
  • MEMBER
  • 4 POSTS
It all started working after replacing the fuse, but I had re-installed the original clock light bulb so everything was the same. I have not tried to replace the bulb again.
Was this
answer
helpful?
Yes
No
Friday, September 28th, 2018 AT 11:50 AM
Tiny
KEN L
  • MASTER CERTIFIED MECHANIC
  • 55,322 POSTS
Can you take a picture of the bulb so I can tell if it is blown? Lets try a new bulb, just disconnect the battery first. :)
Was this
answer
helpful?
Yes
No
Friday, September 28th, 2018 AT 12:00 PM

Please login or register to post a reply.