Wiring problem

Tiny
NEILSCUSTOMS
  • MEMBER
  • 2000 FORD TAURUS
  • 140,000 MILES
I am working on a 2000 ford taurus the parking lights are on for no reason even when I disconect the light switch and I tryed removing the relays? Know what to try next
Monday, June 18th, 2012 AT 1:24 AM

8 Replies

Tiny
CJ MEDEVAC
  • MECHANIC
  • 11,005 POSTS
I MAY BE ABLE TO GET YOU SOME DIAGRAMS FOR THAT SYSTEM

LX--SE--SEL--OR SES. ENGINE SIZE?

DAYLIGHT RUNNING LIGHTS OR NOT?

THE MEDIC
Was this
answer
helpful?
Yes
No
Monday, June 18th, 2012 AT 1:44 AM
Tiny
NEILSCUSTOMS
  • MEMBER
  • 8 POSTS
SE 3.0 single cam castiron motor no daytime running lights
Was this
answer
helpful?
Yes
No
Monday, June 18th, 2012 AT 1:59 AM
Tiny
CJ MEDEVAC
  • MECHANIC
  • 11,005 POSTS
ROGER.I'M A BIT SLOW, BACK REAL SOON, 30 MIN OR SO

THE MEDIC
Was this
answer
helpful?
Yes
No
Monday, June 18th, 2012 AT 2:19 AM
Tiny
CJ MEDEVAC
  • MECHANIC
  • 11,005 POSTS
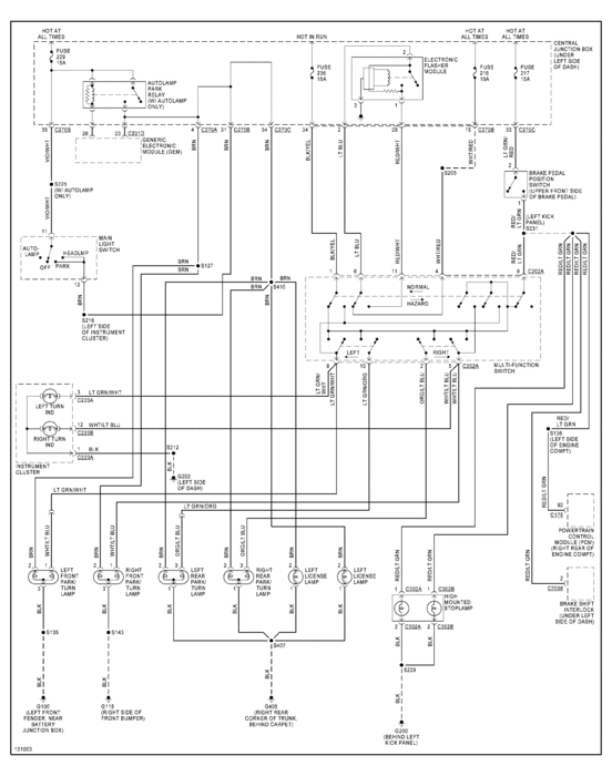
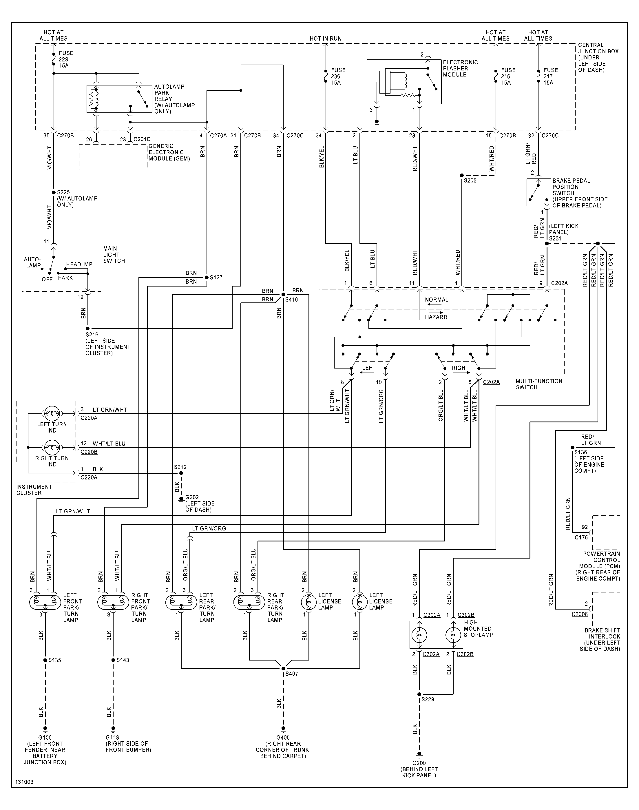
FRONT PARK LIGHTS ARE AT BOTTOM LEFTWITH JUST A QUICK ONCE OVER, I'D GUESS ITS YOUR SWITCH (I'M GUESSING)

SHOULD YOU DECIDE TO PURCHASE SOMETHING, LET ME KNOW "WHAT", I MAY BE ABLE TO EXPLAIN HOW TO GET IT CHEAPER!

I CAN GET OTHER DIAGRAMS IF YOU NEED THEM AND IF THEY ARE AVAILABLE. SPECIFIC SYSTEMS IS THE BEST WAY TO TELL ME WHAT YOU WANT

THESE ARE DOWNLOADED ON MY COMPUTER NOW, AND AR EZ TO SEE (I SAVE 'EM ABOUT A WEEK, THEN DELETE THEM)

I DON'T KNOW HOW THEY LOOK ON 2CAR TILL I POST THEM

IF YOU CANNOT READ THIS, PLEASE TELL ME IN A RESPONSE---I CAN SAFELY GET THEM TO YOU WITHOUT "YOU" BLURTING OUT YOUR PERSONAL INFO, ON OPEN FORUM! JUST TELL ME!

I THINK I'M UNDER MY ETA TIME OF 30 MIN. YOU OWE ME LUNCH!

YOUR TURN

THE MEDIC
Was this
answer
helpful?
Yes
No
Monday, June 18th, 2012 AT 2:40 AM
Tiny
NEILSCUSTOMS
  • MEMBER
  • 8 POSTS
Is it posible to e-mail it is to small to read
Was this
answer
helpful?
Yes
No
Monday, June 18th, 2012 AT 2:54 AM
Tiny
CJ MEDEVAC
  • MECHANIC
  • 11,005 POSTS
ROGER

EXPECT A MESSAGE FROM ME

AT THE TOP OF THIS (OR MOST) PAGES---CLICK ON YOUR USER NAME, THEN LOOK LEFT FOR MESSAGES. WAIT TILL YOU GET EMAIL NOTIFIED IN A FEW

THE MEDIC
Was this
answer
helpful?
Yes
No
Monday, June 18th, 2012 AT 2:57 AM
Tiny
NEILSCUSTOMS
  • MEMBER
  • 8 POSTS
I got the sheet and looked it over the power should only be coming from the switch I pulled the fuse and checked power on the prongs one has power the other didn't as should be then I turned the switch on and power backfed through the switch I determined it might be in the instrument clusted so I removed it and the lights went out I pluged it back in and they stayed out I didn't see and physical problem so I put back together and I am hoping for the best everything is fine right now but if it happens again I will go straight to the cluster
thank you for your help
Was this
answer
helpful?
Yes
No
Monday, June 18th, 2012 AT 1:45 PM
Tiny
CJ MEDEVAC
  • MECHANIC
  • 11,005 POSTS
KEEP US POSTED---THIS COULD HELP SOMEONE ELSE!

THE MEDIC
Was this
answer
helpful?
Yes
No
Monday, June 18th, 2012 AT 4:35 PM

Please login or register to post a reply.