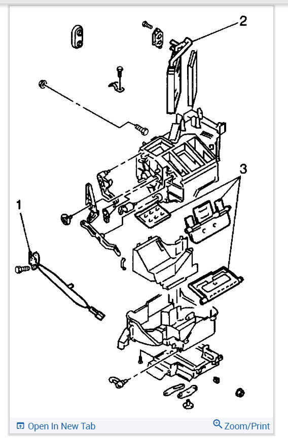
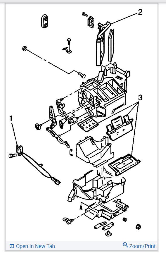
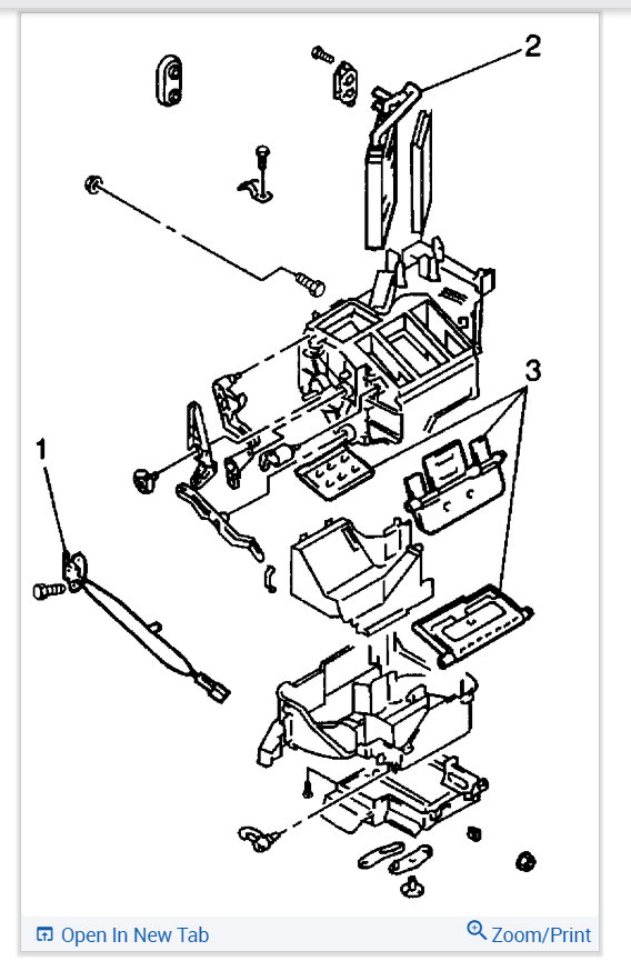
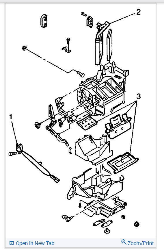
Friday, September 20th, 2013 AT 11:37 AM
We are trying to replace the heater core on this vehicle. We have done this on other vehicles before, so this is nothing new. But, we have never done it on a Tracker. We thought we had all the bolts off for removal, but it is not coming off. Where are all the bolts located to remove it? It is either a clip or bolt we have missed, but we just cannot find it. Is there any diagrams out there? The service manuals stink and they never show or state everything.






