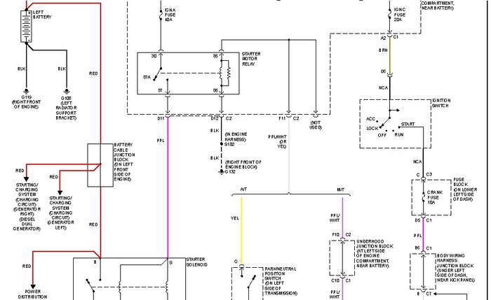
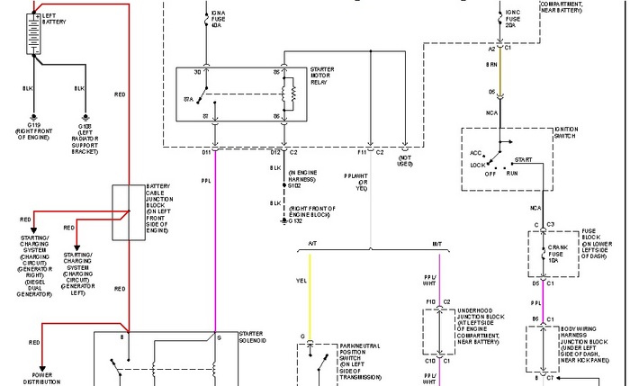
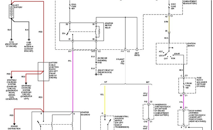
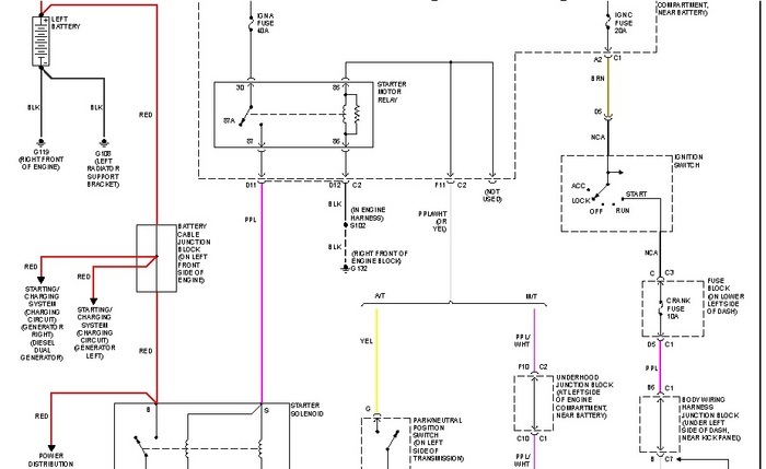
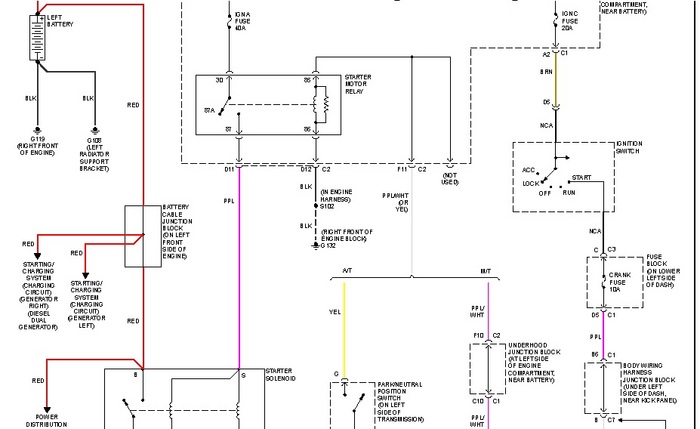
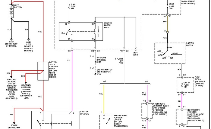
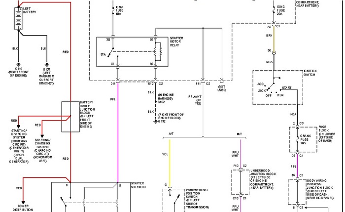
Friday, February 11th, 2011 AT 3:33 PM
When I turn the key on my 2000 chevy silverado 4.3 v6, it buzzes and then makes no noise. It has a brand new battery and I tried jumping it and the same thing happens?





