Wednesday, February 1st, 2012 AT 9:25 PM
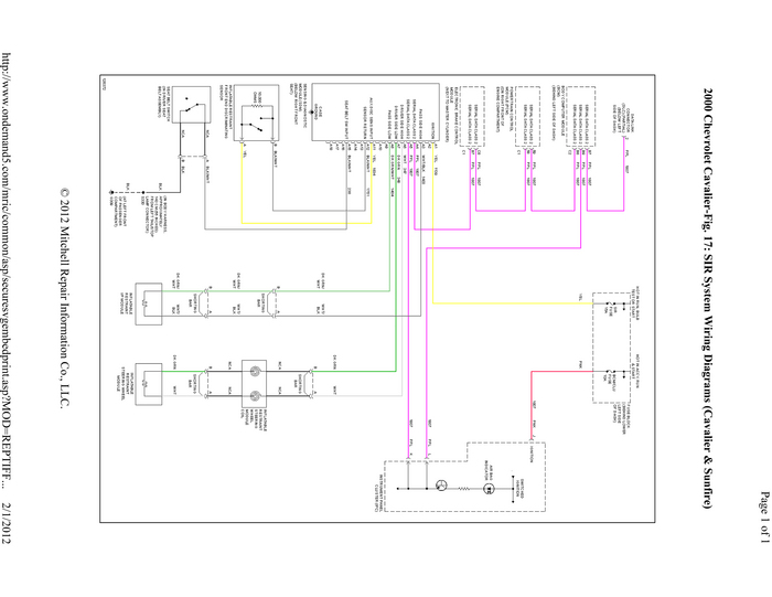
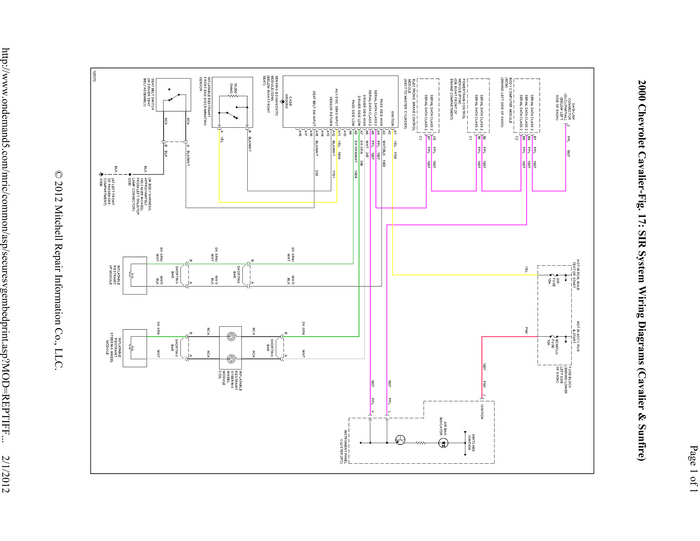
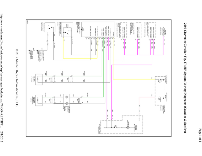
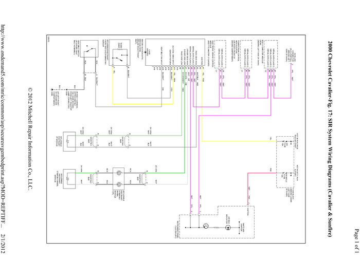
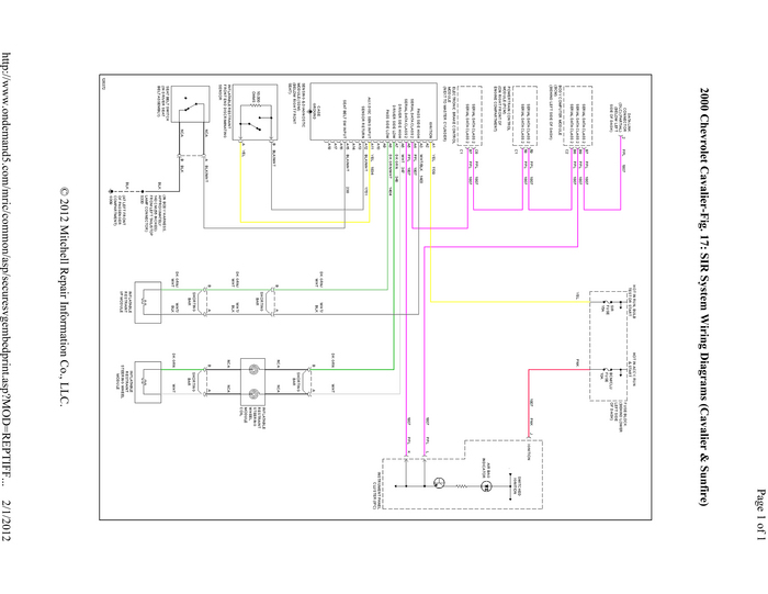
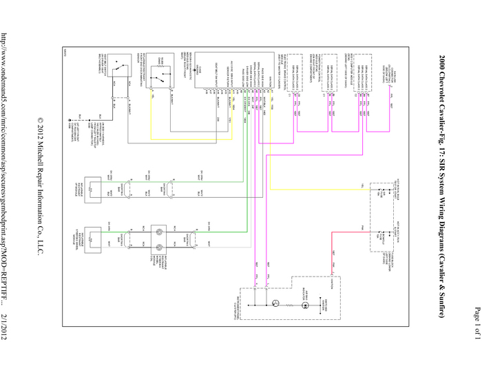
Hi I have a 2000 cavalier 2.2L and im replacing the air bags in it. I understand how to do it and where the module and sensor is but do I have to replace the airbag module or can I just get it reset? Also would I have to replace the front end sensor?

