Brake light will not work?

Tiny
RLFD25
  • MEMBER
  • 1999 VOLKSWAGEN PASSAT
  • 6 CYL
  • 110,000 MILES
Brake light will not work, and car will not shift our of park. The red foot pedal on the shift stays lite up. 1999 Volkswagon Passat Wagon
Friday, February 25th, 2011 AT 7:24 PM

1 Reply

Tiny
JACOBANDNICKOLAS
  • MECHANIC
  • 110,192 POSTS
Hi,

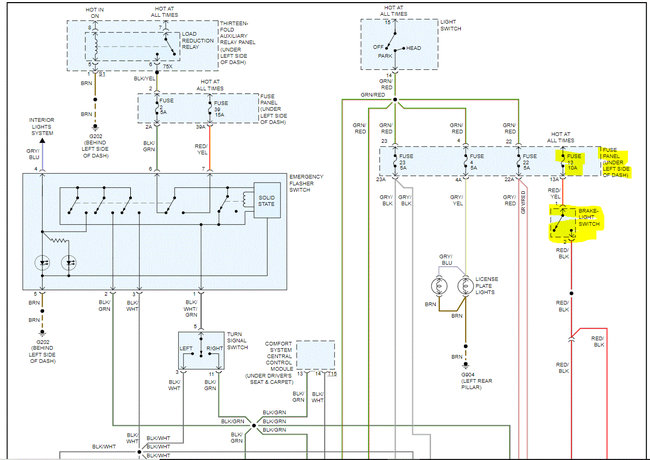
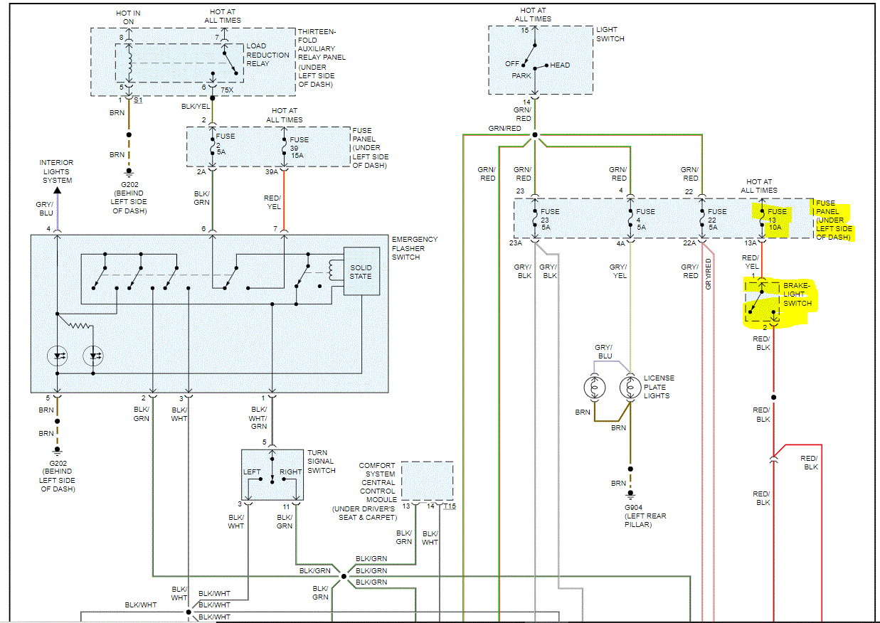
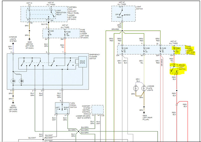
First, I attached the wiring schematic for the exterior lighting system on this vehicle. The brake light switch and fuse are included.

First, I need you to confirm fuse 13 under the dash is good. In addition to checking the fuse, also confirm there is power to and from it.

Here is a link you may find helpful:

https://www.2carpros.com/articles/how-to-check-a-car-fuse

If there is power, then move to the brake light switch at the top of the brake pedal assembly. Check the red wire with a yellow tracer for power. It should have 12v with the key on. If there is power, depress the brake pedal and confirm there is power out from the switch at the red wire with a black tracer.

Here is a link that you may find helpful:

https://www.2carpros.com/articles/how-to-check-wiring

If there is power in but nothing out, replace the switch. If you look at pic 3, I highlighted the switch. Pic 4 shows the fuse to check.

I hope this helps. Let me know if you have other questions.

Take care,

Joe

See pics below.

Was this
answer
helpful?
Yes
No
Saturday, September 25th, 2021 AT 10:59 PM

Please login or register to post a reply.