Monday, May 19th, 2014 AT 11:08 AM
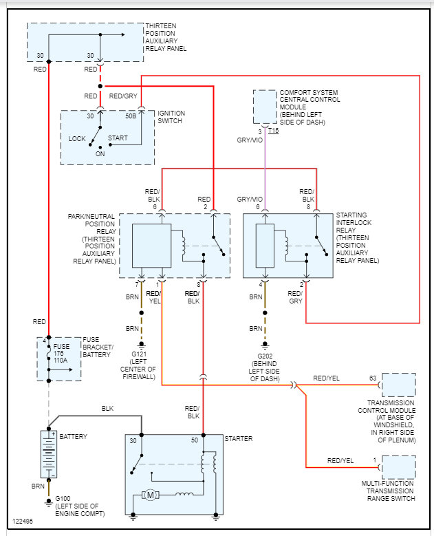
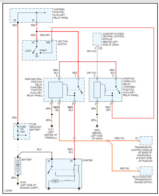
Car won't crank thought it was the starter so I replaced it and nothing got the battery tested thinking maybe it was dead and the battery is just fine so I checked all the fuses and they all look good car just won't crank and the dome lamps won't work and windows only work when manually locking the doors and holding it to roll them up or down.



