Sunday, November 25th, 2018 AT 3:02 PM
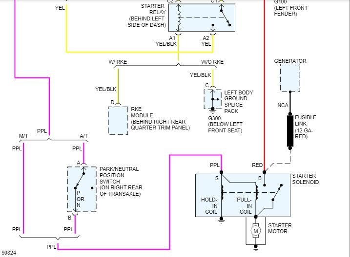
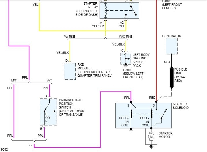
Starter and solenoid are brand new. Found out that there is no trigger voltage to activate the solenoid. With the ignition switch on, I hooked a jumper from battery positive to the solenoid terminal to activate the solenoid. The car started up. I have checked the connection pins where the connector plugs into the back of the fuse box located inside the vehicle. No connector pins are burnt and no plastic melted; although I am not sure yet which pin it is. This model Saturn has no starter relay. So seems that only three things remain. Ignition switch, wiring, or park-neutral switch. My problem is that I cannot find a decent schematic and cannot find where the park-neutral switch is located and a easy way to test it without taking a million things apart.







