Saturday, June 13th, 2020 AT 1:44 AM
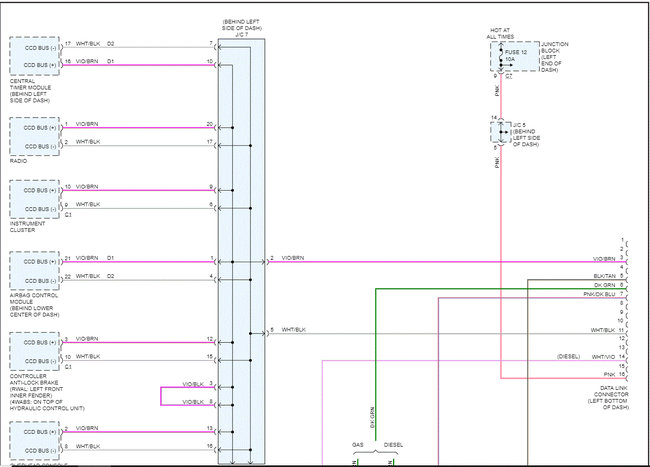
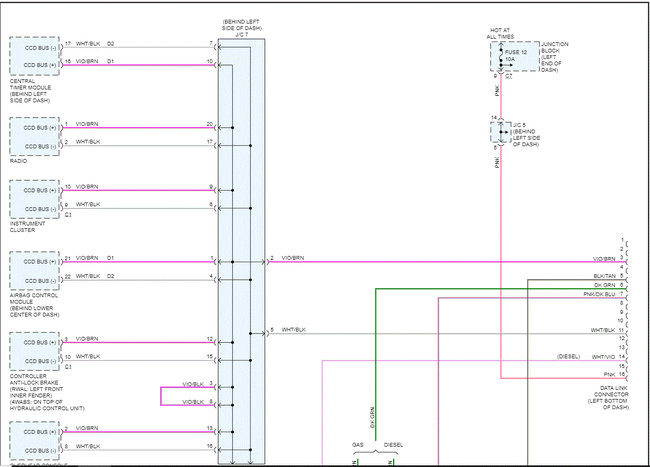
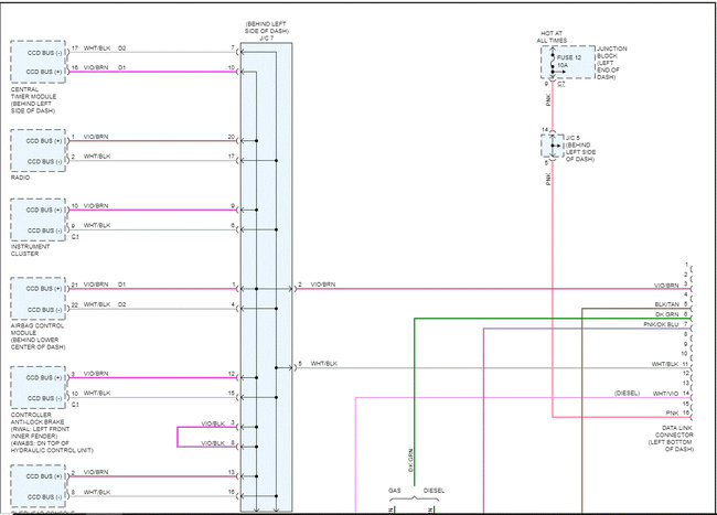
I have the truck listed above 1500 Sport model. I was driving it and suddenly the truck shut off all power. Then the lights came back on and the gauges were all frozen, but then reset. My ABS, airbag, check engine light, fuel, and check gauges lights all came on. The mileage started flashing and eventually started saying no BUS instead. It will crank but wont start. I tried using a scanner to read the check engine light but as soon as I plug it in, the check engine light disappears and leaves no trace, along with a couple other lights. The truck will start back up if I unplug the big white multi connector under the driver side dash near the steering column. But when the truck starts, it will start choking after about 30 seconds and shut off. I've looked up the no BUS thing and didn't learn much. The truck had just come out of the shop 2 days prior for an intake gasket replacement and I really don't want to take it back in so soon.




