Turn/hazard signal not working

Tiny
DANEMT72
  • MEMBER
  • 1999 PLYMOUTH VOYAGER
  • 6 CYL
  • FWD
  • AUTOMATIC
1999 plymouth grand voyager: plugged trailer into connector and lost my turn/hazards, disconnected trialer converter, checked bulbs, all fuses, all relays, changed flasher, and multi-funct. Switch still nothing. Totally lost and wife riding my a** because its her van, any ideas or helpful hints would be wonderful

Thanks in advance
Dan
Sunday, February 6th, 2011 AT 8:48 PM

4 Replies

Tiny
CARADIODOC
  • MECHANIC
  • 34,482 POSTS
Check both fuse boxes. One is under the hood and one is under the dash behind the brake pedal.

The engineers copied Ford and GM and made a simple project into a nightmare. You have two bulbs on each side. Both bulbs on one side have a tail light filament, but only one of them has a brake light filament and the other one has the turn signal filament. Anytime you see a car with the really confusing yellow rear turn signals, they have the same messed up design. The problem is there is no way to connect a regular trailer wiring harness because you can only connect to the van's brake light circuit or the turn signal circuit, but the trailer needs both circuits combined. To do that the manufacturer makes an adapter harness. If you get the right one from the dealer, it will be a plug-in harness that doesn't require any soldering or splicing.

Caradiodoc
Was this
answer
helpful?
Yes
No
Sunday, February 6th, 2011 AT 9:53 PM
Tiny
DAINT90
  • MEMBER
  • 1 POST
All my fuses and relays are completely intact. I have the exact same issue as a person that posted this originally, but I never tried to hook up a trailer. Just stop mid-run.
Was this
answer
helpful?
Yes
No
Friday, November 22nd, 2024 AT 2:53 PM
Tiny
CARADIODOC
  • MECHANIC
  • 34,482 POSTS
You should start a new question specific to your vehicle. The reason is unlike on other forums where anyone can jump in and confuse the issue, here this becomes a private conversation between just two, or sometimes three people, and we stick with you until the problem is solved. Unless another expert chooses to "follow" the conversation to learn the solution, none of them will see your addition or have the chance to reply. That often doesn't get you the best answer or help. I'm going to try to help, but if we don't get anywhere, here's the link to post your own new question:

https://www.2carpros.com/questions/new

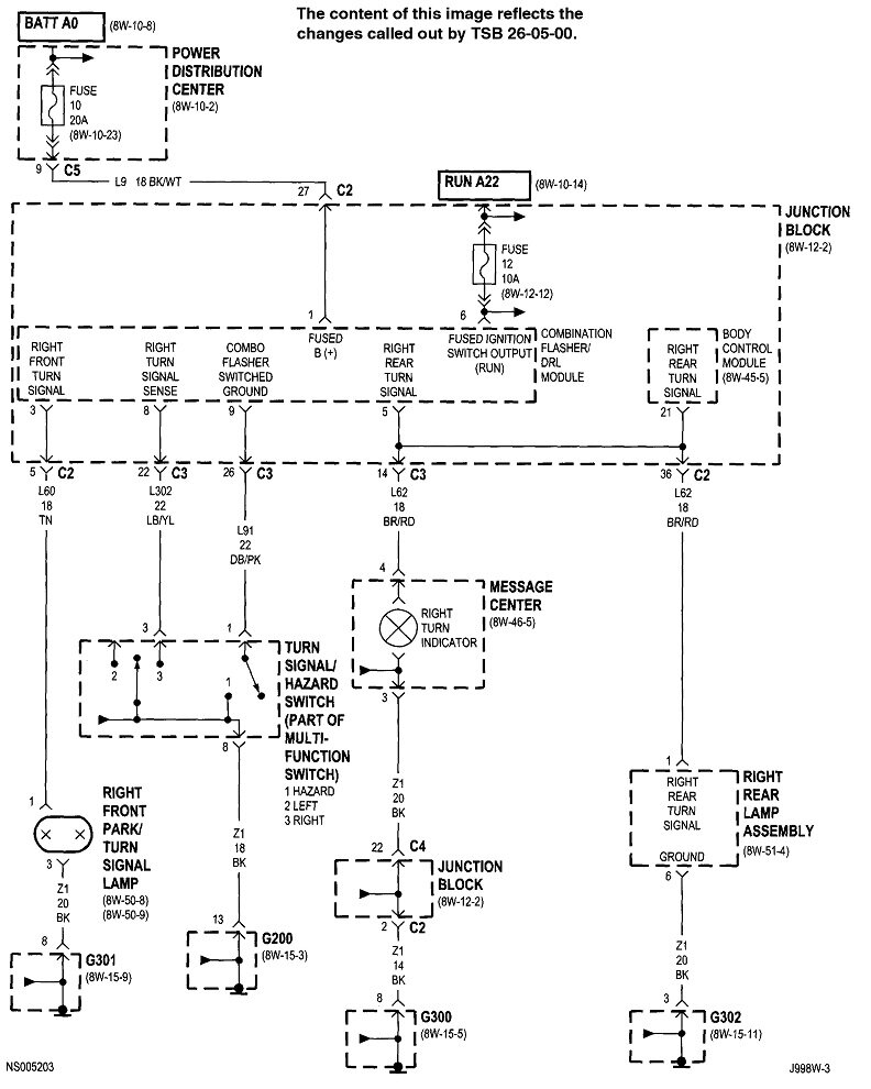
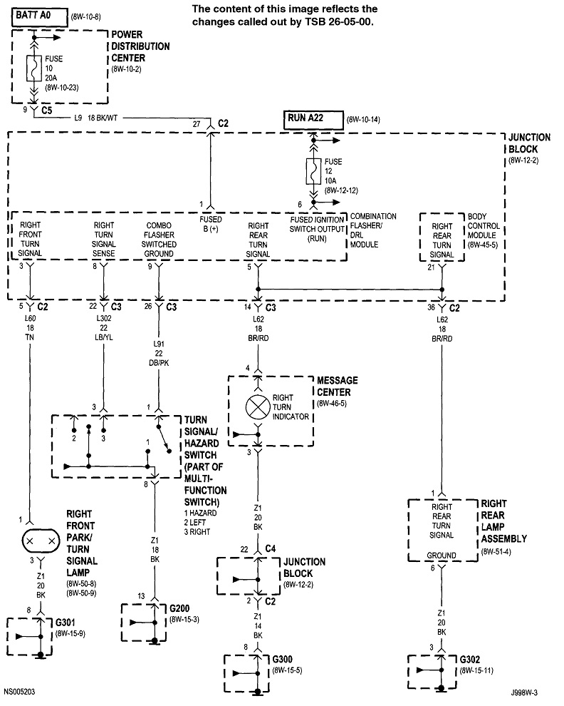
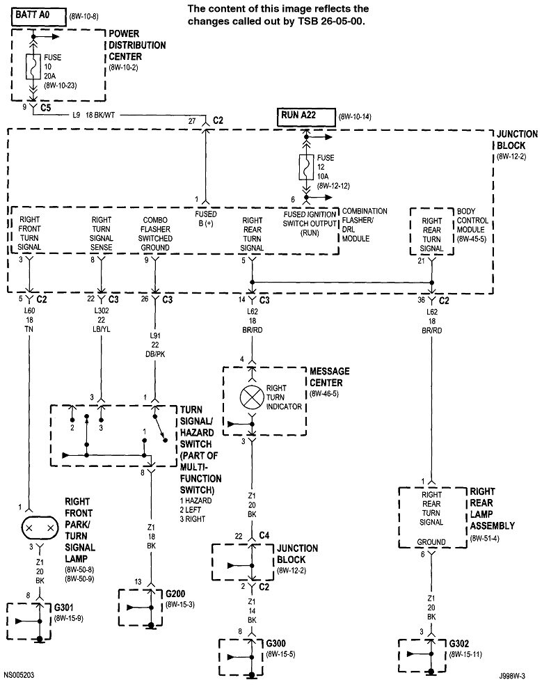
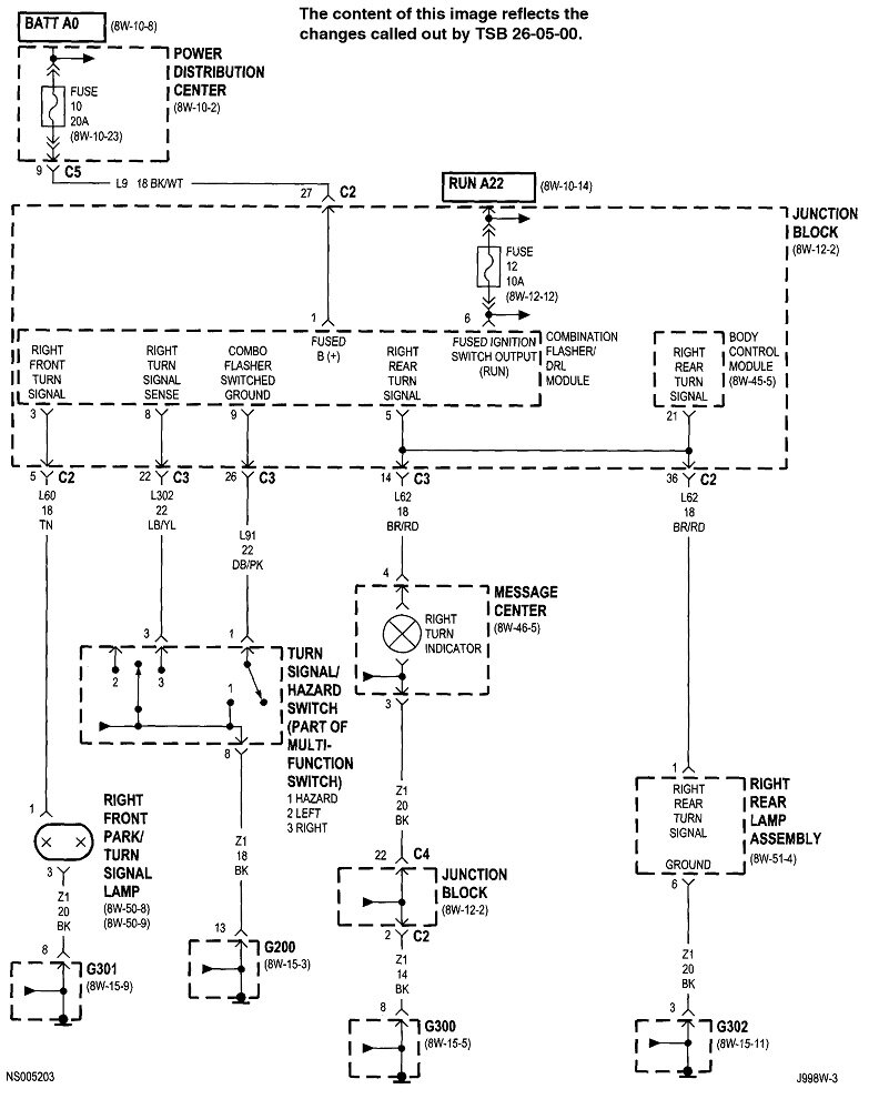
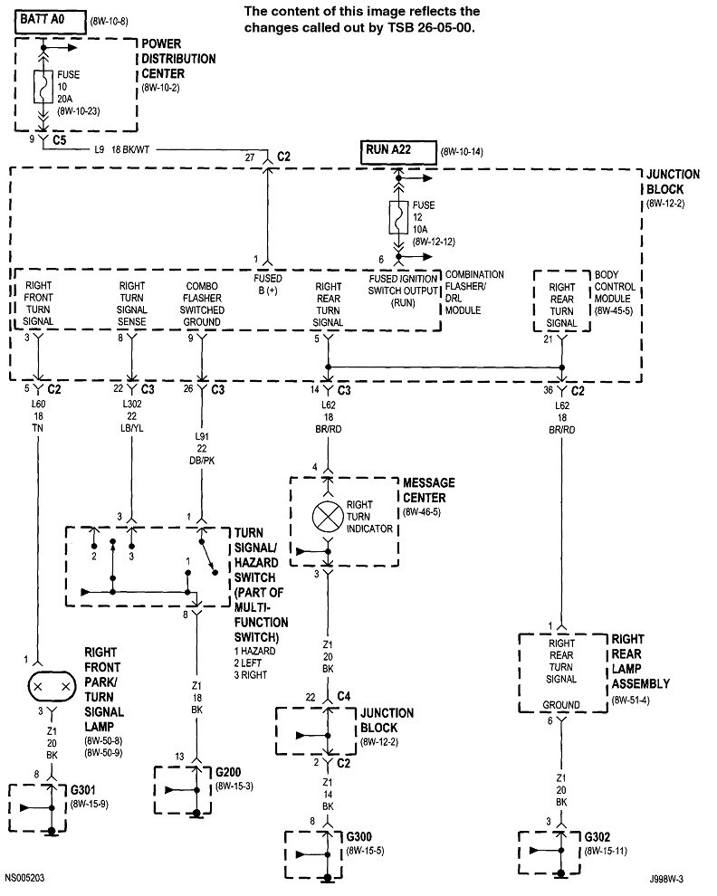
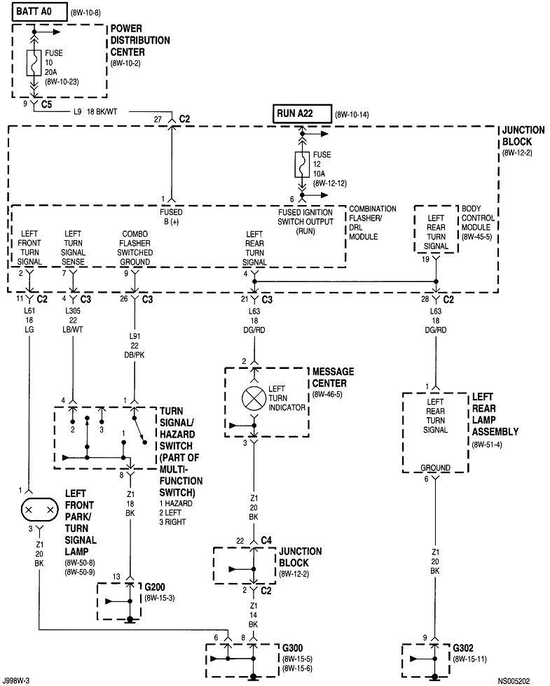
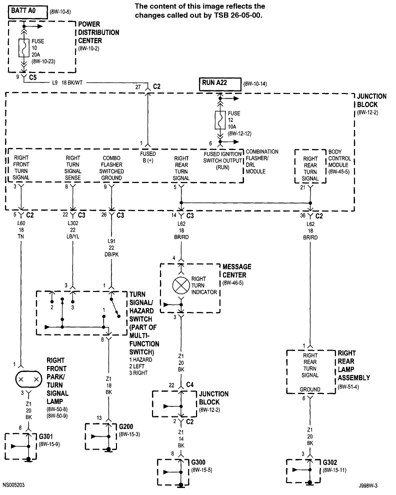
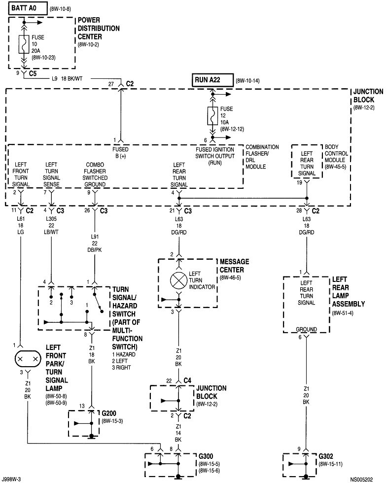
There's two diagrams for the turn signals. The second one is after a service bulletin was performed. Where I would start is by checking for 12 volts on the test points on top of both fuses. Fuse 10 is in the under-hood fuse box, (Power Distribution Center). If that one has a clear plastic cover, you'll need to remove that fuse, and test it for continuity. I can help with that if you don't know what that means. With that fuse out, one of the terminals in the fuse box must have 12 volts all the time.

Next, check on fuse 12 in the Junction Box. That sits under the dash, right in front of the brake pedal. You'll find two test points on top of that one. You must have 12 volts on both points only when the ignition switch is on.

If those fuses are okay, there are two things I ran into at the dealership. One was it was not unheard of for a fuse to fall out of the Junction Box and land on the driver's ankle. Be sure none of those fuses are missing along the bottom. The turn signal fuse is the one on the far right.

The other thing I ran into more than once is the signals were either intermittent or dead due to the electronic flasher assembly falling part way out of its socket. That's due to its weight and road vibration. Check if it can be pushed up and be reseated in the socket. If that is okay, the last suspect is the flasher assembly itself. I'd start by finding one in a pick-your-own-parts salvage yard. They don't have a history of a high failure rate, so chances are a used one will be okay.

Let me know how far you get.
Was this
answer
helpful?
Yes
No
Friday, November 22nd, 2024 AT 5:06 PM
Tiny
CARADIODOC
  • MECHANIC
  • 34,482 POSTS
Have you made any progress?
Was this
answer
helpful?
Yes
No
+1
Tuesday, November 26th, 2024 AT 4:48 PM

Please login or register to post a reply.