Gauges stopped working

Tiny
MALACY0349
  • MEMBER
  • 1999 JEEP WRANGLER
  • 2.5L
  • 4 CYL
  • 4WD
  • MANUAL
  • 150,000 MILES
Recently my gauges stopped working on my jeep. This problem doesn't affect anything else with my jeep, it just causes all of my gauges not to work. I can't see fuel level, my speed, rpm, and my mileage stays the same when the gauges are out, it doesn't add up the miles.

What might it be?
Thursday, December 5th, 2013 AT 7:57 AM

2 Replies

Tiny
KEN L
  • MASTER CERTIFIED MECHANIC
  • 55,450 POSTS
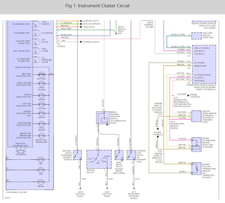
I would check the fuses first here is a wiring diagram so you can see how the system works. fuse #10 10 amp

https://www.2carpros.com/articles/how-to-check-a-car-fuse

Here are the fuse locations as well.

Check out the diagrams (Below)

Please let us know what happens.

Cheers, Ken
Was this
answer
helpful?
Yes
No
Thursday, December 5th, 2013 AT 9:30 AM
Tiny
MALACY0349
  • MEMBER
  • 2 POSTS
You nailed it, it was the fuse :)
Was this
answer
helpful?
Yes
No
Saturday, December 7th, 2013 AT 9:10 AM

Please login or register to post a reply.