What would cause a turn over but a no start and gauges dont work

Tiny
JOHNZ88
  • MEMBER
  • 1991 JEEP WRANGLER
Acc-lps fuse does not have power going to it
Thursday, April 12th, 2012 AT 7:40 PM

2 Replies

Tiny
RIVERMIKERAT
  • MECHANIC
  • 6,110 POSTS
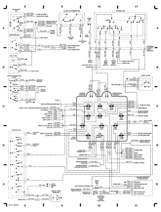
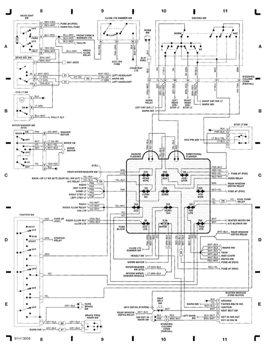
Check the output from the ignition switch. Take a look at the attached image.
Was this
answer
helpful?
Yes
No
Thursday, April 12th, 2012 AT 7:48 PM
Tiny
CJ MEDEVAC
  • MECHANIC
  • 11,005 POSTS
THIS MAY NOT BE THE SOLUTION

I SAW YOUR QUESTION TWICE---I DON'T KNOW WHETHER YOUR JEEP WILL TURN OVER OR NOT, COMPARING THE QUESTIONS

BUT IT WON'T COST YOU NOTHING TO RUN THRU AND CHECK THE CONNECTION STUFF

https://www.2carpros.com/questions/1996-chevrolet-tahoe-wont-start-sounds-dead-battery-jumpbox-get-same-reults

PLEASE LET ME KNOW IF THIS HELPS

THE PIC I POSTED IN THE LINK WAS OFF OF A 1985 JEEP CJ 7.........HE HAD "CHECKED EVERYTHING!" (THAT'S WHAT HE SAID ANYWAY).....IT WOULD ONLY JUMP-START AND RUN, EVEN WITH THE NEW BATTERY HE SORTA NEEDLESSLY BOUGHT...BUT WAS UNABLE TO RE-CRANK IT EVERY TIME ON IT'S OWN

THE MEDIC
Was this
answer
helpful?
Yes
No
Friday, April 13th, 2012 AT 12:48 AM

Please login or register to post a reply.