How to adjust headlights?

Tiny
JOHNSONM
  • MEMBER
  • 1999 FORD F-150
  • V8
  • 4WD
  • AUTOMATIC
  • 67,000 MILES
How to adjust headlights? Do you have to have a special wrench?
Wednesday, November 17th, 2010 AT 1:17 AM

1 Reply

Tiny
KEN L
  • MASTER CERTIFIED MECHANIC
  • 55,291 POSTS
Hello,

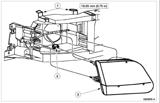
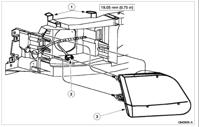
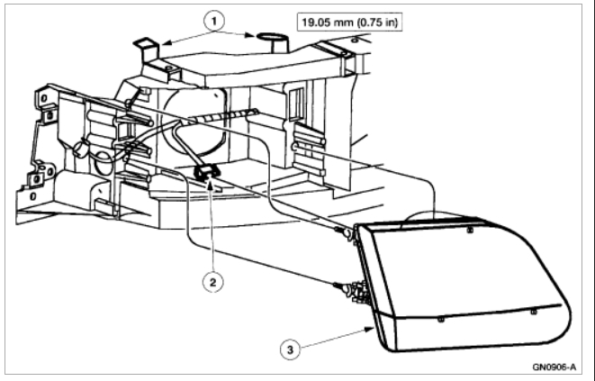
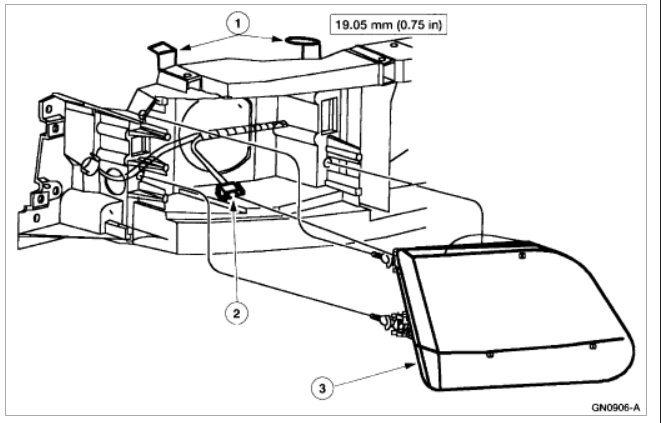
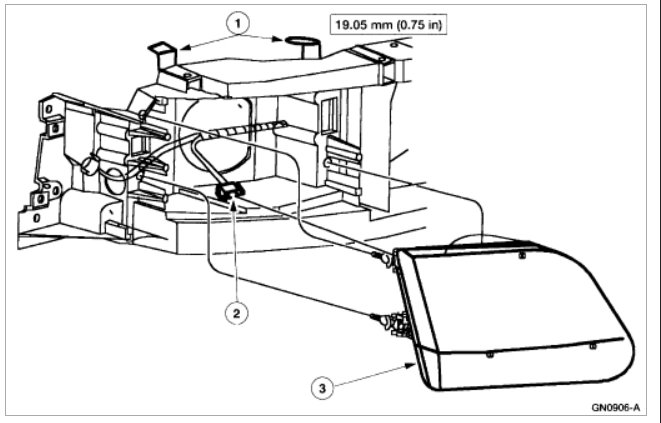
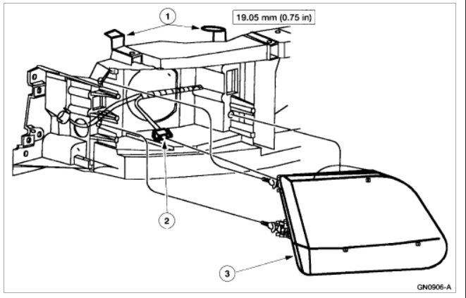
The adjustment screws on on the lens housing/mount which should be a phillips screwdriver.

Check out the diagrams below

NOTE : Horizontal aim in not necessary for this vehicle and is not adjustable.

NOTE: Consult your state's vehicle inspection manual for recommended tolerance ranges for visual aiming.

NOTE : The sight shield may need to be positioned or removed for access to the adjusters. Before starting headlamp assembly adjustment:
Check the tire inflation.
Check that no other load is in the vehicle other than a half tank of gas.
Check that the headlamps are clean.
Check for correct headlamp operation.
Check that the vehicle is on level ground.
If the vehicle is equipped with air suspension make sure the switch is on.
NOTE : The vertical wall or screen must be a minimum of 2.4 meters (8 feet) wide.
Park the vehicle on a level surface approximately 7.6 meters (25 feet) from the vertical wall or screen directly in front of it.

NOTE : The center of the lamp is marked by a 3 mm (0.12 in) circle on the headlamp lens.
Mark a horizontal reference line on the vertical wall or screen.
Measure the center of the headlamp height to ground and record.
Make a 2.4 meters (8 feet) horizontal mark (masking tape) on the vertical vvall or screen at the same distance from the ground as previously recorded.
NOTE : This procedure should be done in a dark environment to effectively see the headlamp beam pattern.
Turn on the low beam headlamps to illuminate the wall or screen and open the hood.
NOTE : The appearance of the beam pattern may vary between vehicles. On the wall or screen locate the high intensity area of the beam pattern.
NOTE : The appearance of the beam pattern may vary between vehicles.
Identify at the top edge of this high intensity area a distinct horizontal cutoff in the beam pattern. If the top edge of this cutoff is not even with the horizontal reference line the headlamp beam will need to be adjusted.

Please let us know if you need anything else to get the problem fixed.

Cheers, Ken
Was this
answer
helpful?
Yes
No
Saturday, November 18th, 2017 AT 8:25 PM

Please login or register to post a reply.