Saturday, November 15th, 2014 AT 6:19 PM
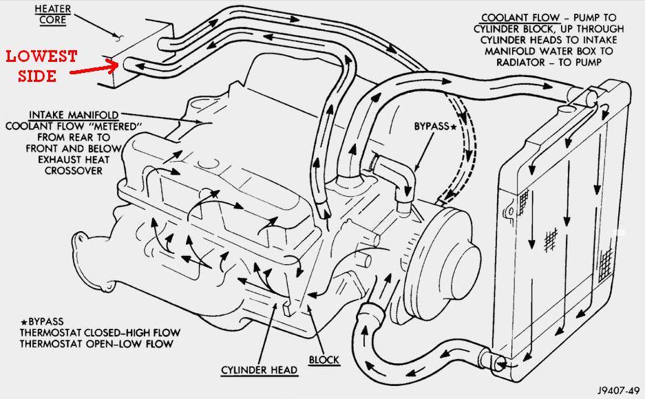
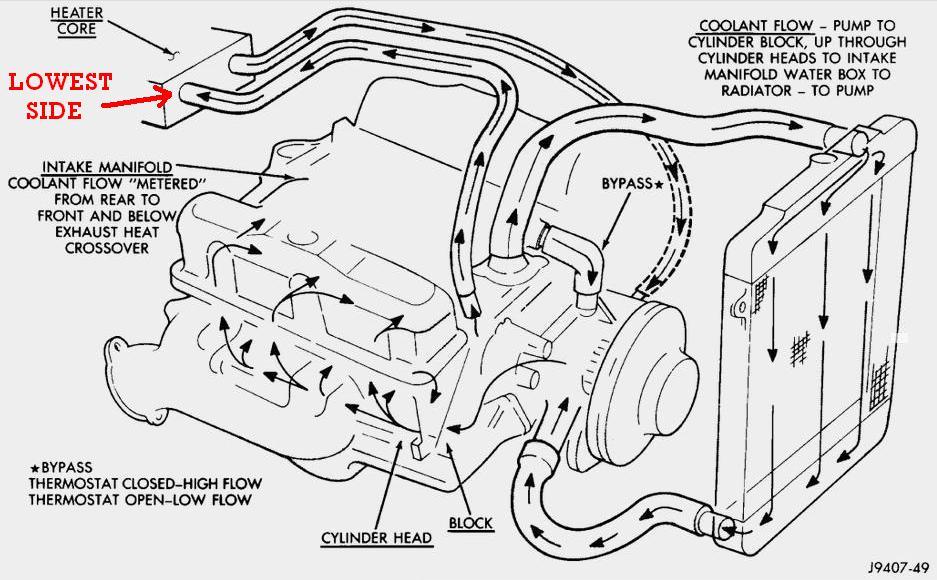
When heater is on it blows this white smoke and has a sweet smell. When looking under hood noticed the heater line was cut and running back into engine. When reconnecting we don't know if we connected these right. Top hose is in the male aluminum tube closest to the fire wall and the bottom hose is in the aluminum male part closest to the radiator. Is this correct and why this smoke and sweet smell?

