Won't Start

Tiny
JBREIDENBACH
  • MEMBER
  • 1999 DODGE CARAVAN
  • 4 CYL
  • 2WD
  • AUTOMATIC
Click sound when Starting 1999 Dodge Caravan even while attempting to Jump the starter isn't cranking at all
Saturday, November 27th, 2010 AT 6:58 PM

4 Replies

Tiny
JDL
  • MECHANIC
  • 16,098 POSTS
I'd have to be sure the battery has a full charge and all battery connections to and from the battery are clean and tight. I need an actual voltage reading across battery posts, key in crank position. If the battery is down, take it off and get it charged. You can check actual voltage reading at the starter? Maybe the starter itself? Some of the national brand autostores will check it for you.
Was this
answer
helpful?
Yes
No
Saturday, November 27th, 2010 AT 7:07 PM
Tiny
CARADIODOC
  • MECHANIC
  • 34,461 POSTS
Sounds like solenoid contacts are worn. It's a very common problem. If I'm right, it will crank if you try it enough times. The contacts can be replaced for 20 bucks, but most people just replace the entire starter.

Caradiodoc
Was this
answer
helpful?
Yes
No
Saturday, November 27th, 2010 AT 7:20 PM
Tiny
JBREIDENBACH
  • MEMBER
  • 2 POSTS
I had the battery check and Charged. I after I re-connected the battery terminals I began to hear a humming clicking noise. It was if the ignition switch was engaging without turning the key I then proceeded to Turn the Key in the ignition and clicking started again. No Starter Never Turned over or attempted to crank the engine.
Now what. I assume that I'm looking to take the starter out? It would help If I had a picture.
Was this
answer
helpful?
Yes
No
Saturday, November 27th, 2010 AT 10:36 PM
Tiny
JDL
  • MECHANIC
  • 16,098 POSTS
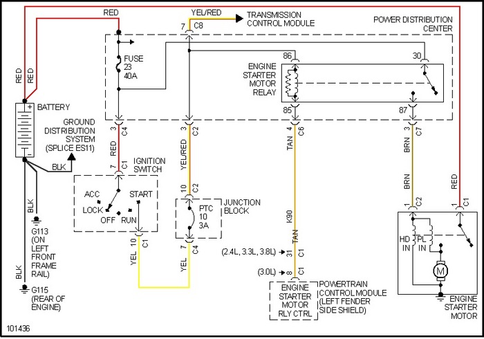
At the relay, terminal 30 is hot all the time. Terminal 86 goes hot with the key in the crank position. The ground for the coil side of relay, is controlled by the pcm.
Was this
answer
helpful?
Yes
No
Sunday, November 28th, 2010 AT 5:32 PM

Please login or register to post a reply.