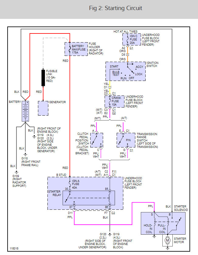
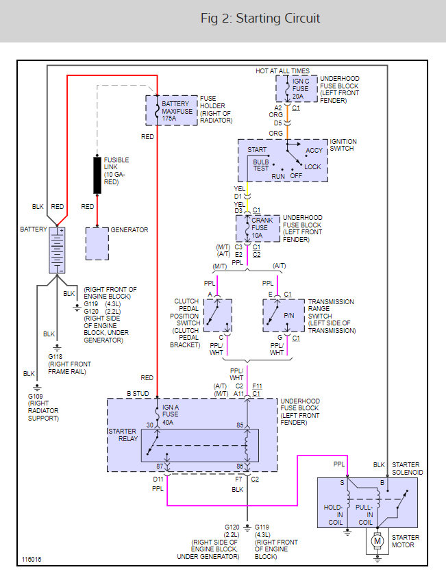
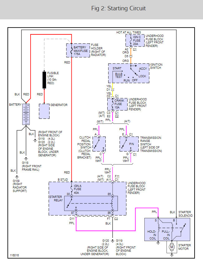
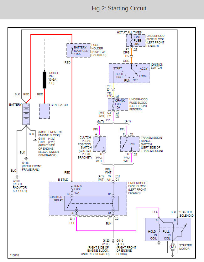
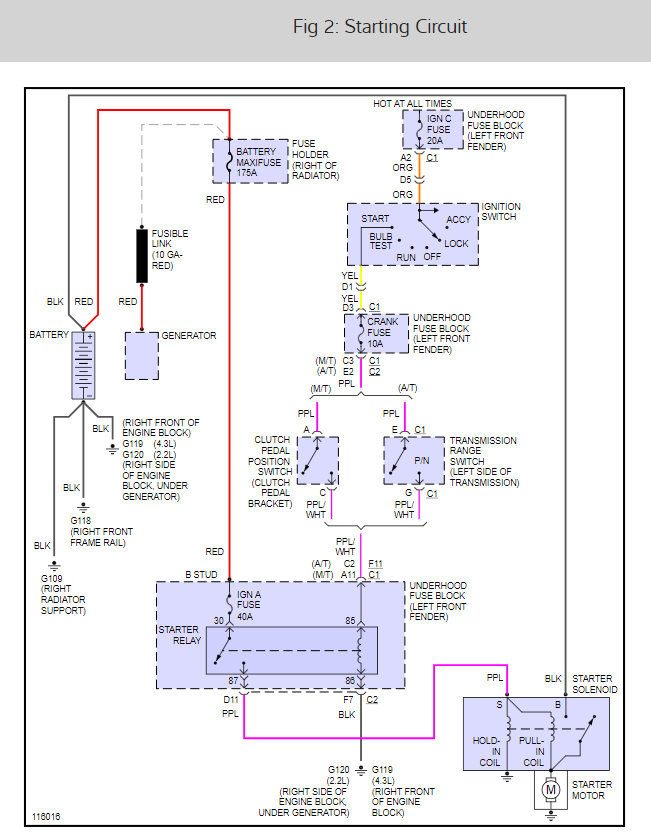
Starting/Ignition Problem - starter less than 3 months old, battery less than a year.
When starting, the engine won't crank or make noises. The engine doesn't respond whatsoever. The pre-starting sequence seems to be normal. On the "on" position, the dash lights seem to light-up as normal and I can hear the typical noises (fuel pump?) That the truck makes prior to starting. On the "start" position, most of the dash lights and the radio turn off as normal as if it's also expecting the truck to start, but everything remains silent.
The problem happened without warning. One day it just wouldn't start. There are times, however, that it would start like normal. Sometimes, there would be a "pause" before the engine would actually crank and start the truck. Once the truck has started, it runs normal and I can repeatedly turn the truck on and off without fail. Only when it sits for a period of time that I run into this problem. But the length of time the truck sits doesn't seem to hold logic to the problem. I was able to successfully start the truck after it has sat for two days but can't get it going after it has only sat for about 4-8 hrs.
Lastly, in an attempt to just get the truck started, since it runs fine when once it's started, my father wired together a direct starter switch under the assumption that the problem may be due to the ignition's electrical system. The starter switch did the job for a while but it too stopped working! We're trying to fix the problem ourselves as much as possible to save costs but we're at a loss as to which direction to go from here. Currently, we think it might be the security features of the ignition system but were not entirely sure. Any help is much appreciated. Thanks in advance.
Saturday, December 15th, 2012 AT 4:29 PM










