Engine cooling fans will not come on?

Tiny
MIKECARWILE
  • MEMBER
  • 14 POSTS
About same time the fans stopped working, but really never noticed until lately. Zero codes in computer.
Was this
answer
helpful?
Yes
No
Friday, June 15th, 2012 AT 12:21 AM
Tiny
SATURNTECH9
  • MECHANIC
  • 30,869 POSTS
If you bounce the car will the gas gauge needle move off of full? Most common reason for fuel gauge issues are bad fuel sending units.
Was this
answer
helpful?
Yes
No
Friday, June 15th, 2012 AT 12:37 AM
Tiny
MIKECARWILE
  • MEMBER
  • 14 POSTS
When I went back to check this it was at the quarter mark (where it should be) started up and stated there. Now this am it has a new problem. Filled water reservoir back up to full cold mark with 50/50 premix. Drove car with A/C on and cooling fans running noticed within five minutes that temperature was climbing faster than normal. After about two miles the temperature went higher than it has ever been and coolant started blowing out the res tank (A/C on and cooling fans were running) and noticed that the gas gauge needle was bouncing from full to empty back and forth. Turned around and drove back home parked it.
Was this
answer
helpful?
Yes
No
-1
Friday, June 15th, 2012 AT 3:43 PM
Tiny
SATURNTECH9
  • MECHANIC
  • 30,869 POSTS
Would be nice to know the temperature of the coolant and what the coolant temperature sensor is reading etc?
Was this
answer
helpful?
Yes
No
Friday, June 15th, 2012 AT 3:56 PM
Tiny
MIKECARWILE
  • MEMBER
  • 14 POSTS
I will get it tomorrow. Thanks.
Was this
answer
helpful?
Yes
No
Friday, June 15th, 2012 AT 3:59 PM
Tiny
SATURNTECH9
  • MECHANIC
  • 30,869 POSTS
Have we checked for a blown head gasket yet? Since now it is heating up with the fan running constantly. Also, is there a lot of air being pulled through the radiator fan?
Was this
answer
helpful?
Yes
No
Friday, June 15th, 2012 AT 4:08 PM
Tiny
WRENCHTECH
  • MECHANIC
  • 20,761 POSTS
Let me jump in here. I see this question a lot from people and most of the time there is no problem with the fans at all. Although the thermostat is set to 195 degrees and when the car is moving, it will usually maintain that but when stopped and relying on the fans, it is supposed to run much hotter.
This car has a two speed fan system and even low speed does not come on until about 225 degrees and high speed is near 230. If you lost low speed only, it would be very late coming on. It still needs to be tested thoroughly for a blown head gasket because that will make it boil over before even hitting fan temperature.
The first thing you need to do is monitor the fans and temperature through a scan tool to know exactly what the fans are doing.
Was this
answer
helpful?
Yes
No
Friday, June 15th, 2012 AT 4:09 PM
Tiny
SATURNTECH9
  • MECHANIC
  • 30,869 POSTS
Thanks for the suggestions Wrenchtech he is getting a scan tool and temperature gun to check those things tomorrow. As far as the head gasket test goes AutoZone rents a chemical tester for free you just have to buy the fluid. The fluid is about $8.00.
Was this
answer
helpful?
Yes
No
Friday, June 15th, 2012 AT 4:17 PM
Tiny
WRENCHTECH
  • MECHANIC
  • 20,761 POSTS
I have never had very good luck with those testes myself. The scan tool will tell you if there really is anything going on. It is also very difficult to get all the air bled out of the system on this car.
Was this
answer
helpful?
Yes
No
Friday, June 15th, 2012 AT 4:20 PM
Tiny
MIKECARWILE
  • MEMBER
  • 14 POSTS
I only have working fans (low and high speed) when the water temperature sensor is removed or A/C is running. I ran the AC it did not overheat at all. It only started to boil out of reservoir tank with A/C running (which gave me my radiator cooling fans on) last night. No water in oil. Maybe the thermostat I changed is bad and it is stuck.
Was this
answer
helpful?
Yes
No
+1
Friday, June 15th, 2012 AT 4:25 PM
Tiny
WRENCHTECH
  • MECHANIC
  • 20,761 POSTS
You do not know that. You need to see the digital temperature in the computer.
Was this
answer
helpful?
Yes
No
Friday, June 15th, 2012 AT 4:30 PM
Tiny
SATURNTECH9
  • MECHANIC
  • 30,869 POSTS
Also, a weak or bad radiator cap can cause a boil over even when it is not overheating.
Was this
answer
helpful?
Yes
No
Friday, June 15th, 2012 AT 4:41 PM
Tiny
MIKECARWILE
  • MEMBER
  • 14 POSTS
I have replaced the radiator cap twice. They always separate into two pieces (the part that has the o-ring which fits tight into the reservoir and the screw cap itself.
Was this
answer
helpful?
Yes
No
Friday, June 15th, 2012 AT 4:59 PM
Tiny
MIKECARWILE
  • MEMBER
  • 14 POSTS
Would the radiator cap separating into two pieces make a difference? The main part with o-ring seal fits real tight it just the top plastic screw cap that comes off.
Was this
answer
helpful?
Yes
No
Friday, June 15th, 2012 AT 5:10 PM
Tiny
SATURNTECH9
  • MECHANIC
  • 30,869 POSTS
Yes, I would change it because it needs to hold pressure to work right.

Please let us know happens so it will help others.
Was this
answer
helpful?
Yes
No
Friday, June 15th, 2012 AT 5:15 PM
Tiny
MFAROOQGUL
  • MEMBER
  • 3 POSTS
I have Traverse 2012. Temperature gauge is going little up and then come down. This situation occurred in heavy traffic or vehicle is not moving. I changed the thermostat but no luck.
I used the scan tool (elm) when temperature reached 105C then fans turn on. Speed is same as I turn on the AC. So it means fan is not running on 95C which is slow speed fan.

What is the solution?
Was this
answer
helpful?
Yes
No
Friday, April 27th, 2018 AT 3:35 PM
Tiny
STEVE W.
  • MECHANIC
  • 15,679 POSTS
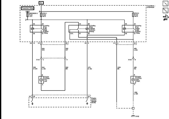
First item I would check would be the low speed fan relay number one and its fuse. If both are good then check that relay three is working as it passes the power through to the second fan. If that is okay as well follow the wiring from the fan and look for any broken or rubbing wires.

The system works by first turning on both fans as a series circuit using relay 1. That feeds battery voltage through both motors and they turn at low speed. Once the temperature threshold rises the ECM then triggers relays 3 and 2. Relay 3 now creates a direct ground path for fan one and relay 2 powers up and feeds full battery power to fan 2.
Was this
answer
helpful?
Yes
No
Sunday, April 29th, 2018 AT 7:26 AM
Tiny
MFAROOQGUL
  • MEMBER
  • 3 POSTS
Yesterday I used LED's on fan relays to check the behavior.
When temperature reached at 105C then relay one turn on and fan also turn on. I removed relays one by one. Only FAN2 relay is not changing the fanbehavior. See the image.

My friend has Acadia. I monitored his car temperature through scanner. When temperature reached at 105C fans turned on but temperature gauge is steady. So it has prove that my Traverse is not overheating or fans are switching on delay. Now problem is gauge is moving when temperature rise 103C. Is it gauge problem or some thing else?
Was this
answer
helpful?
Yes
No
Saturday, May 5th, 2018 AT 7:55 AM
Tiny
STEVE W.
  • MECHANIC
  • 15,679 POSTS
Normally the fan operation will cause the temperature to cycle and the fans cycle with it. So the temperature rises, the fans turn on, this cools the system to a temperature below the on temperature and the fans go off. The coolant then absorbs more heat and the fans come back on. The temperature gauge should cycle with it. Unless there is an issue with the cooling system the temperature shouldn't stay steady like your friends. It should normally cycle.
Was this
answer
helpful?
Yes
No
Saturday, May 5th, 2018 AT 6:46 PM
Tiny
MFAROOQGUL
  • MEMBER
  • 3 POSTS
If fan turns on normal temperature which is 105°C then gauge should be steady. If gauge is rising after the fan switch on and temperature is also increasing then we can say it is cooling system problem.
May be Traverse normal temperature is 100°C or ECU is giving wrong value to temperature gauge. It all happened after cleaning the throttle body, I do not know it has some link or is a coincidence. :-D
It is hard to believe that problem is in cooling system, check the image of thermostat which I replaced, it is clear like new. No rust and dirty and I filled proper coolant.

What should I do to diagnose this problem? Temperature sensor can be a problem?
Was this
answer
helpful?
Yes
No
Sunday, May 6th, 2018 AT 9:40 AM

Please login or register to post a reply.