Tail lights won't work

Tiny
DCRAB
  • MEMBER
  • 1999 CHEVROLET LUMINA
  • 3.1L
  • FWD
  • AUTOMATIC
  • 166,000 MILES
Tail lights don't work after replacing turn signal switch? Was told it could be a 2-way bulb that is used for the tail/break lights. Does that sound correct?
Wednesday, June 18th, 2014 AT 7:42 AM

32 Replies

Tiny
HMAC300
  • MECHANIC
  • 48,601 POSTS
You may have caused another issue when changing the switch, if they worked before.
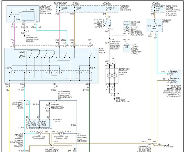
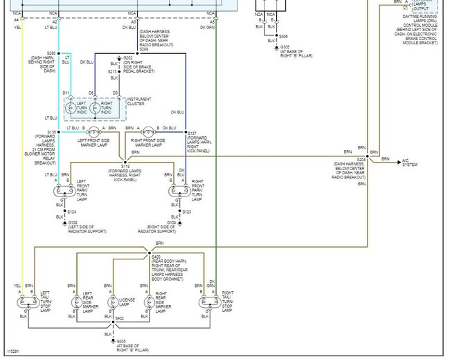
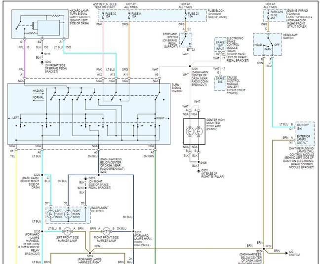
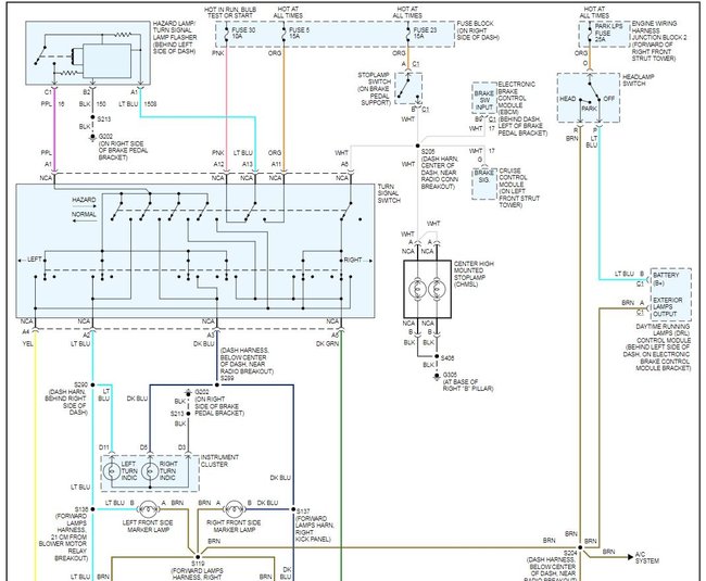
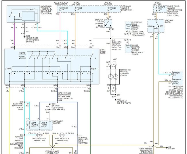
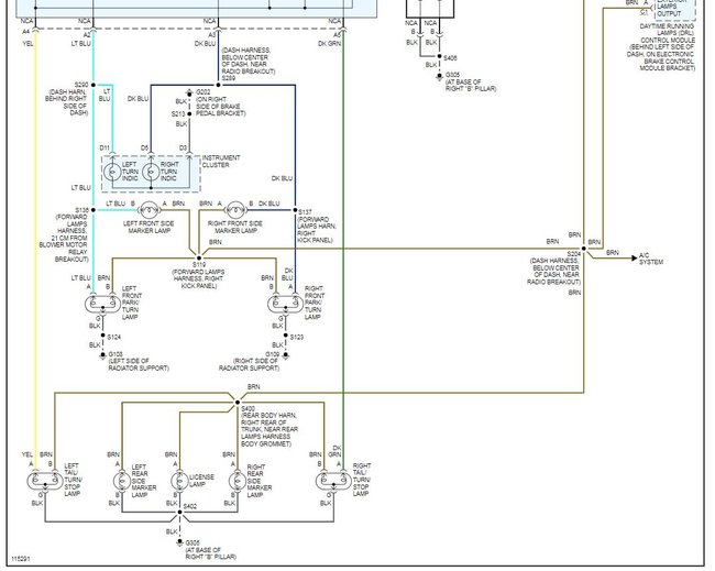
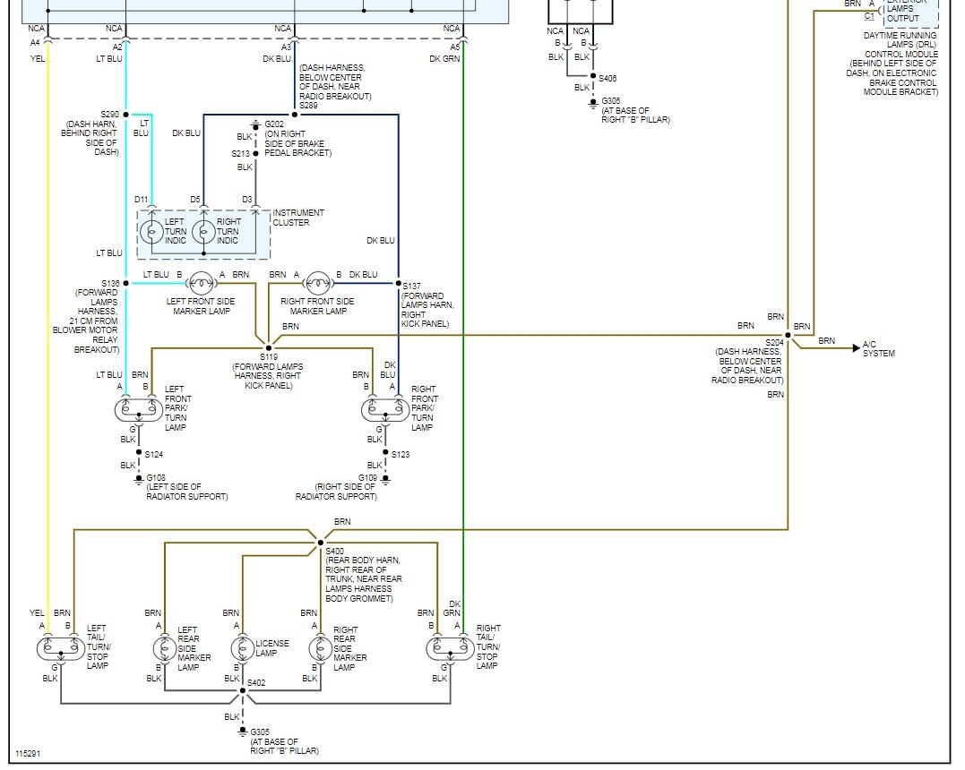
This vehicle does use a dual element bulb for running/turn lights

See the guide below on testing wiring, it will help

https://www.2carpros.com/articles/how-to-check-wiring

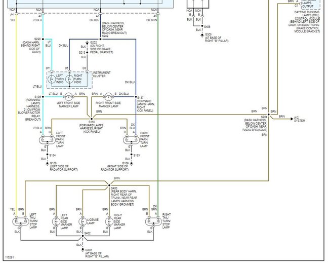
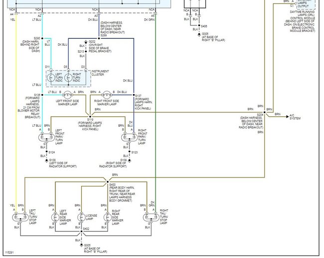
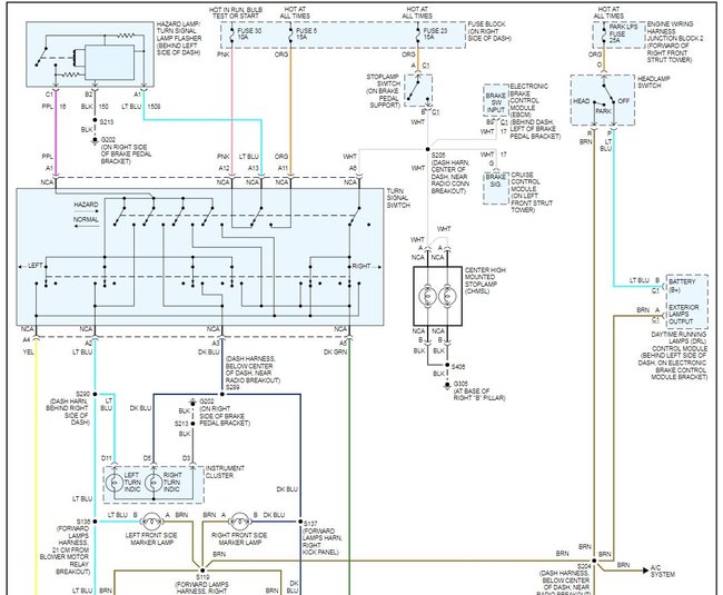
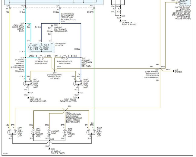
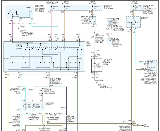
The wiring diagrams for your exterior lights are attached below
Was this
answer
helpful?
Yes
No
Thursday, June 19th, 2014 AT 6:21 AM
Tiny
MATRIARCHMOM
  • MEMBER
  • 1 POST
  • 1999 CHEVROLET LUMINA
  • V8
  • AWD
  • AUTOMATIC
  • 168,700 MILES
Just recently I've noticed my dashboard lights do not function, if you turn the car off and leave the lights on, the warning bell does not work and tail lights do not work when headlights are turned on. I have checked for a bad fuse but cannot find one that looks bad. I no longer have an owners manual to check for this problem.
Was this
answer
helpful?
Yes
No
+1
Monday, November 12th, 2018 AT 8:16 AM (Merged)
Tiny
JDL
  • MECHANIC
  • 16,098 POSTS
Welcome to the forum. Check park lamps fuse 15 amp. Use a testlite, check that the fuse circuit has voltage. If that checks out, get at the headlite switch connector. Orange wire is hot all the time, brown wire carries voltage to the tail lites. Maybe a problem with the headlamp switch?
Was this
answer
helpful?
Yes
No
Monday, November 12th, 2018 AT 8:16 AM (Merged)
Tiny
N9NTTCHUCK
  • MEMBER
  • 3 POSTS
  • 1995 CHEVROLET LUMINA
My 95 luminas tail lights and instrument lights stopped working I checked the fuse it is ok what do I do now
Was this
answer
helpful?
Yes
No
Monday, November 12th, 2018 AT 8:16 AM (Merged)
Tiny
RASMATAZ
  • MECHANIC
  • 75,992 POSTS
Check and test the headlamp switch-start here
Was this
answer
helpful?
Yes
No
Monday, November 12th, 2018 AT 8:16 AM (Merged)
Tiny
N9NTTCHUCK
  • MEMBER
  • 3 POSTS
But the headlights work
Was this
answer
helpful?
Yes
No
Monday, November 12th, 2018 AT 8:16 AM (Merged)
Tiny
N9NTTCHUCK
  • MEMBER
  • 3 POSTS
And how do you test it
Was this
answer
helpful?
Yes
No
Monday, November 12th, 2018 AT 8:16 AM (Merged)
Tiny
TJREIBER
  • MEMBER
  • 1 POST
  • 1996 CHEVROLET LUMINA
  • 6 CYL
  • FWD
  • MANUAL
  • 140,000 MILES
Do not have tail lights or any dash lights but all other lights work on the car can not find the problem. What could it be?
Was this
answer
helpful?
Yes
No
+2
Monday, November 12th, 2018 AT 8:16 AM (Merged)
Tiny
LP48322
  • MEMBER
  • 2 POSTS
I have same problem.
I have checked the fuse (the fuse was under the hood - driver side 25A just beside the hore fuse), but it's OK.
I tried different headlight switch. Taking instrument panel was not easy, but was able to take it out.
Unpluging (taking out) headlamp switch was hard, and the two metal clamps were bent and had been fallen out of the switch, but recovered.
With new switch (Duralast brand from autozone), there was no luck.

Now I found some one who had similar problem with 1997 Mazda 626 was answered by some one mentioning combo switch. For mazda, it sounded simple relay, but for the lumina, it means the turn signal lever which is mounted on the steering column and I am afreaid of touching it.

There are so many people struggling with this problem. However, no one seems resloved yet.

Lee
Was this
answer
helpful?
Yes
No
Monday, November 12th, 2018 AT 8:16 AM (Merged)
Tiny
WSWJONES08
  • MEMBER
  • 38 POSTS
Actually I have, I had the same problem. Check the contacts in the fuse box itself. Mine was corroded, so I had to cut the wires and connect it to a new fuse (holder? Dont know what to call it). Turn the headlights on, and then find the fuse (under the hood, drivers side) and wiggle it around. When you push it in a certain direction, the lights should work, hence it being corroded.
Was this
answer
helpful?
Yes
No
+4
Monday, November 12th, 2018 AT 8:16 AM (Merged)
Tiny
ARIELLIFSCHITZ
  • MEMBER
  • 1 POST
Wwjones08-

I'm having the same problem you had, tail lights and dash lights on a 96 lumina are not working.

That went on for a while, now the brake lights (left and right) don't work either, but the center one in the window does.

Mechanic tells me it's due to the contacts in the Driver's side under the hood Fuse block being corroded. Problem is, he's looked everywhere, even checked hardware stores, GM dealers, and can't find replacement contacts! (He calls them "female ends for the maxi fuses". )

When he ordered a new Fuse block from the GM dealership, he got just the plastic honeycomb, no contacts inside. He needs the ones specifically for the maxi fuses he says.

Where did you buy or find the contacts? We've looked at some junkyard parts (get the fuse block with wires still attached) but the contacts are just as corroded!

Any clues would be MUCH appreciated, it's either find the contacts or junk the car at this point for me.

Thanks!
Was this
answer
helpful?
Yes
No
Monday, November 12th, 2018 AT 8:16 AM (Merged)
Tiny
WSWJONES08
  • MEMBER
  • 38 POSTS
Obviously you probably fixed this by now, sorry for the late (only a year. Ha) response. But for anyone else who may experience this, I purchased a separate holder for the fuse (can purchase at lowes or home depot). I found the wires that ran to the corroded contacts (be very careful to not cut the wrong ones) and cut the two. Used a crimp to attach the wires to the fuse holder and voila, fixed.
Was this
answer
helpful?
Yes
No
+1
Monday, November 12th, 2018 AT 8:16 AM (Merged)
Tiny
J.A.P.
  • MEMBER
  • 1 POST
  • 2001 CHEVROLET LUMINA
  • 6 CYL
  • 2WD
  • AUTOMATIC
  • 82,000 MILES
Where can I find the fuse for the dash lights and the tail lights. Thanks
Was this
answer
helpful?
Yes
No
Monday, November 12th, 2018 AT 8:16 AM (Merged)
Tiny
JDL
  • MECHANIC
  • 16,098 POSTS
Under the hood, driver side, electrical center, park/lamps fuse. Not only check the fuse, check that the circuit is hot, where the fuse plugs in.

Your tail-lites get voltage through the headlite switch.
Was this
answer
helpful?
Yes
No
Monday, November 12th, 2018 AT 8:16 AM (Merged)
Tiny
ASS9R
  • MEMBER
  • 1 POST
Listen I had same problem all I did was loop wire labelled n and o together at the plug in doing this I completed the circuit only when you turn on the light switch in park light and headlight the dashlights came on with the chime it also turns back off when switch is turned off
Was this
answer
helpful?
Yes
No
+1
Monday, November 12th, 2018 AT 8:16 AM (Merged)
Tiny
JOHNLEWIS50
  • MEMBER
  • 1 POST
  • 1991 CHEVROLET LUMINA
  • 6 CYL
  • 2WD
  • AUTOMATIC
  • 100,000 MILES
Tail lights and dashboard lights not working on 1991 lumina
Was this
answer
helpful?
Yes
No
Monday, November 12th, 2018 AT 8:16 AM (Merged)
Tiny
JDL
  • MECHANIC
  • 16,098 POSTS
Did you check applicable fuses? There is a taillamp fuse and panel fuse also. Use a voltage tester, check for voltage. At the headlamp swwitch, brown wire is voltage for taillamps, I believe gray wire is voltage for instrument cluster.
Was this
answer
helpful?
Yes
No
Monday, November 12th, 2018 AT 8:16 AM (Merged)
Tiny
IHATEQUINN10
  • MEMBER
  • 1 POST
  • 1995 CHEVROLET LUMINA
Electrical problem
1995 Chevy Lumina 6 cyl Front Wheel Drive Automatic

the turn signals and tail lights are working but only the 3rd brake light is working when you push the brakes fuses and bulbs are new and tail light assemblys are new I was wondering if I could just run the brake light wire from the main spot that it starts and run it to the back tail lights but I cant find where it starts so if you could please help me with some advice on this project
Was this
answer
helpful?
Yes
No
Monday, November 12th, 2018 AT 8:16 AM (Merged)
Tiny
JACOBANDNICKOLAS
  • MECHANIC
  • 110,192 POSTS
Hi:

If the 3rd brake light is working, you must have a broken wore near or around the rear tail lights. It could be a power supply, or the ground wire may have broken or corroded. Take a look at the wiring back there and let me know what you find.

Joe
Was this
answer
helpful?
Yes
No
Monday, November 12th, 2018 AT 8:16 AM (Merged)
Tiny
N2DUBES
  • MEMBER
  • 3 POSTS
Had same problem on mine. Seems this is a common Lumina problem. If you pull back just the slightest on your directional signal and push on the brakes I bet all the lights will come on. It seems that the brake lights were wired through the directional signal so that when you step on the brake the cruise will go off. You will need to replace the directional switch inside the column or just remove it and straighten out the pins.
Was this
answer
helpful?
Yes
No
Monday, November 12th, 2018 AT 8:16 AM (Merged)

Please login or register to post a reply.