Tuesday, March 8th, 2011 AT 11:42 PM
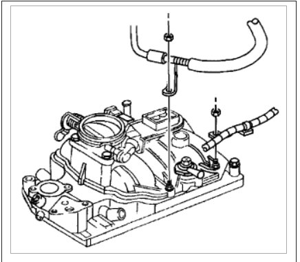
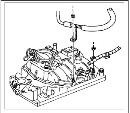
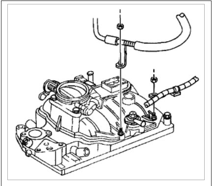
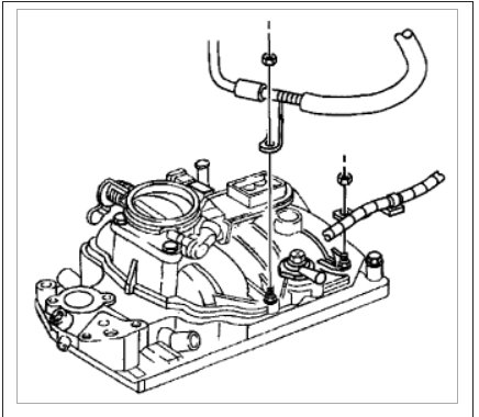
My 99 chevrolet astro van is leaking coolant from behind the air conditioner compressor and power steering pump bracket. Any ideas what is leaking? I am sure it not the water pump










