Reset security?

Tiny
JULIE MITCHELL
  • MEMBER
  • 1999 CADILLAC DEVILLE
  • 12,000 MILES
99 cadillac deville It says starter disabled, wait 3 minutes then start. But it doesn't start. Need problem solving or bypass. No resistor method.
Monday, January 30th, 2012 AT 10:27 PM

29 Replies

Tiny
HMAC300
  • MECHANIC
  • 48,601 POSTS
Turn key on until security light goes out, up to 10 minutes, then turn key off and try to start car. This guide will help

https://www.2carpros.com/articles/how-to-reset-a-security-system

Please run down this guide and report back.

Was this
answer
helpful?
Yes
No
+5
Tuesday, January 31st, 2012 AT 12:21 AM
Tiny
MROULET1
  • MEMBER
  • 79 POSTS
  • 1999 CADILLAC DEVILLE
  • V8
  • AUTOMATIC
  • 104,000 MILES
So I been getting a anti-theft message follow by a message saying car may not restart. I have replaced my ignition cylinder with new key. The message went away for three days and came back on. It’s seem to come on after the traction control light come on.
Was this
answer
helpful?
Yes
No
+6
Saturday, August 29th, 2020 AT 1:56 PM (Merged)
Tiny
KEN L
  • MASTER CERTIFIED MECHANIC
  • 55,499 POSTS
Hello,

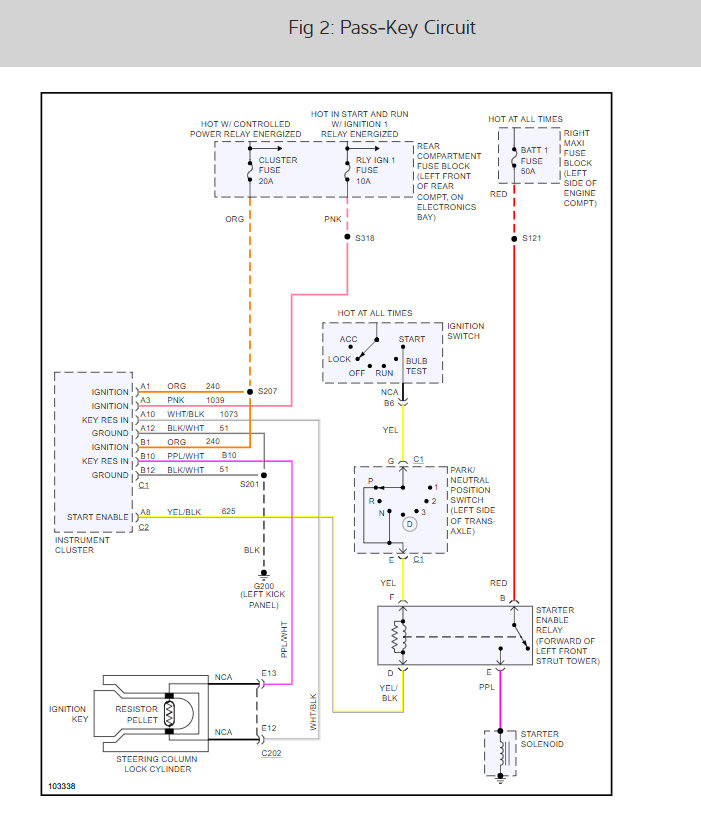
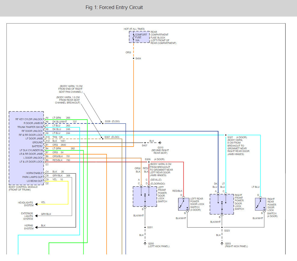
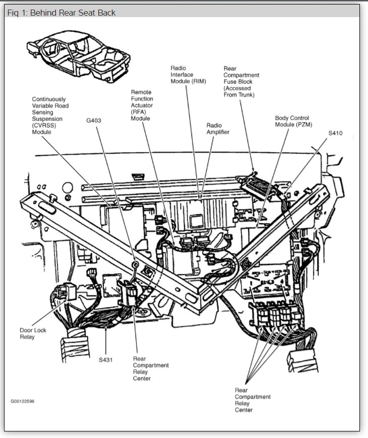
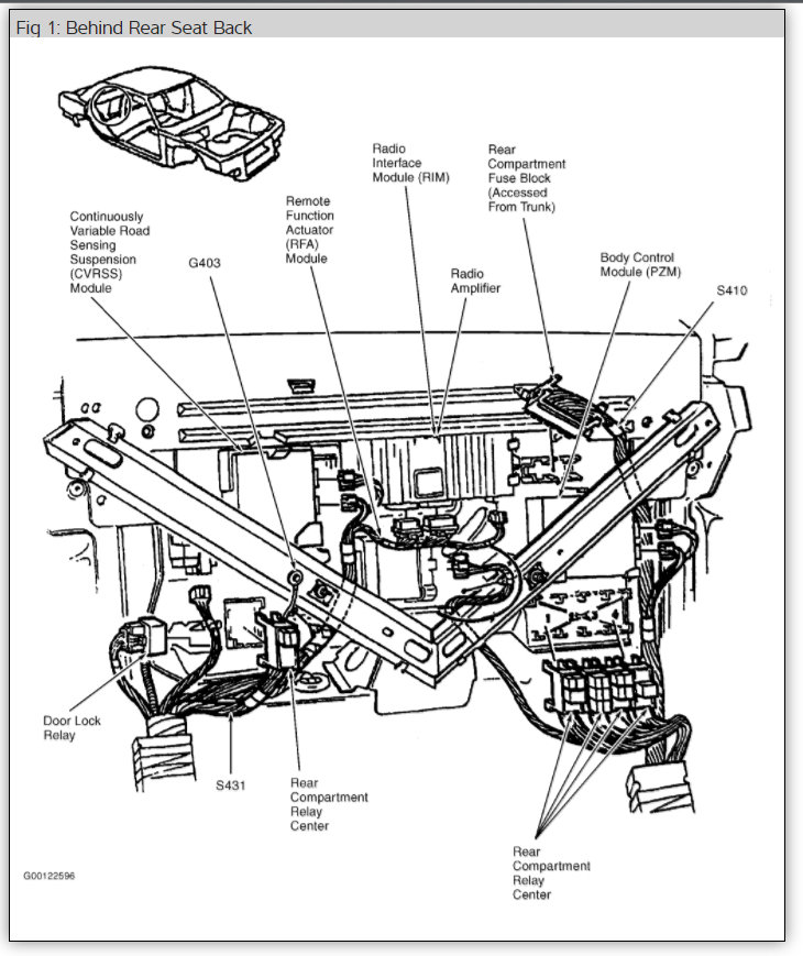
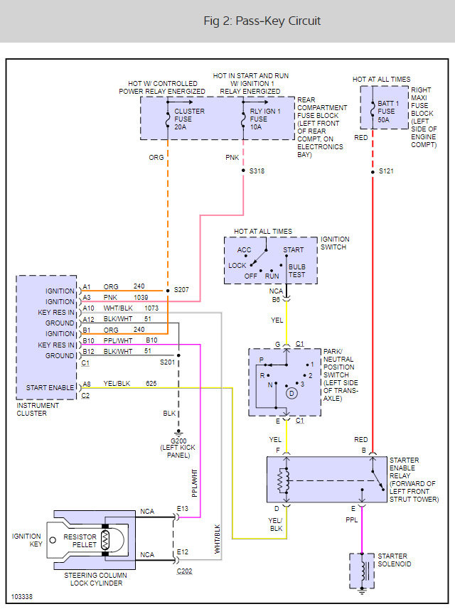
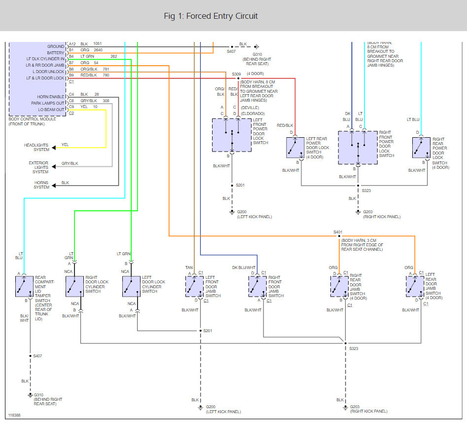
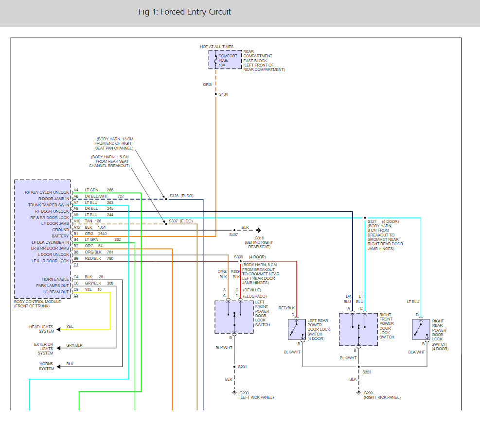
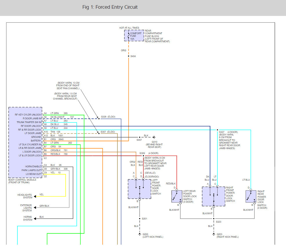
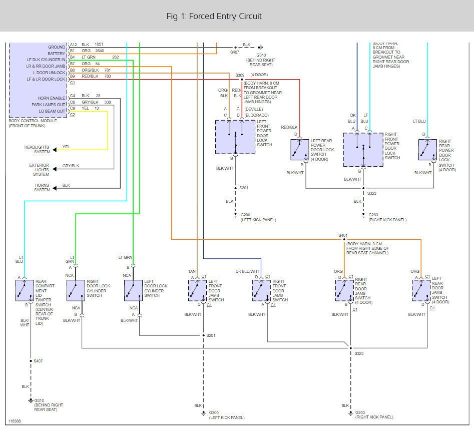
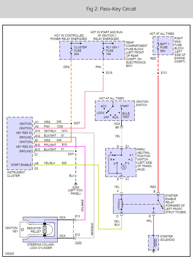
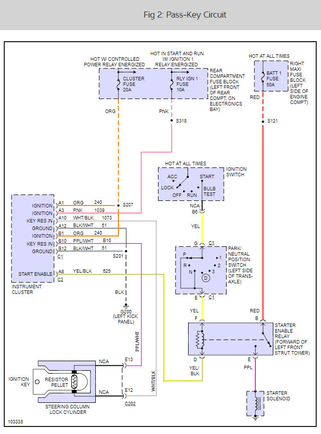
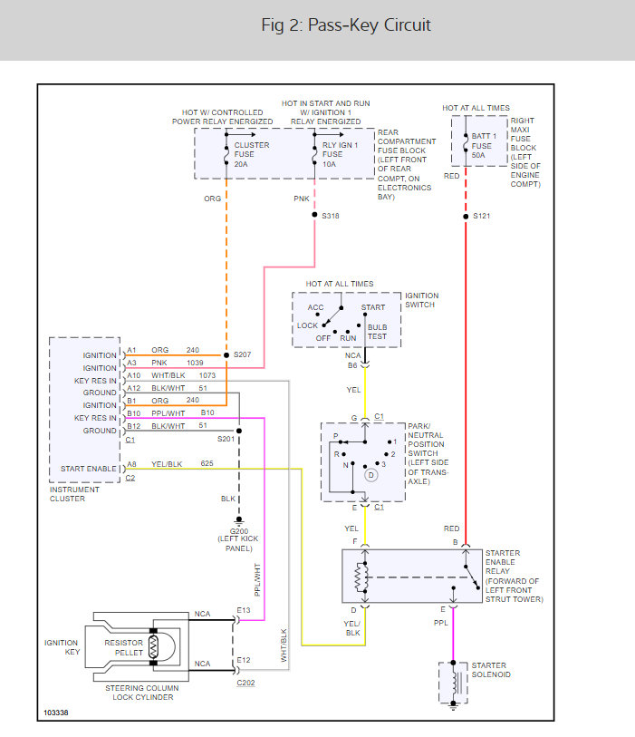
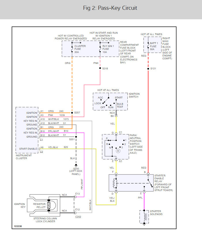
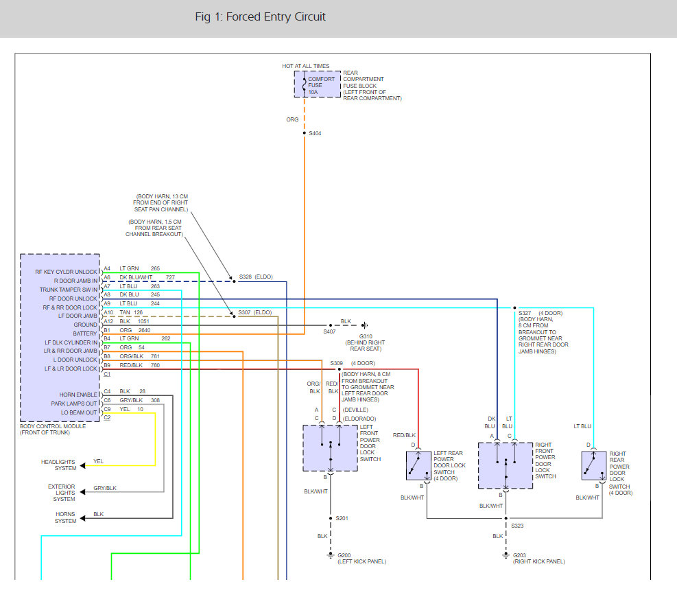
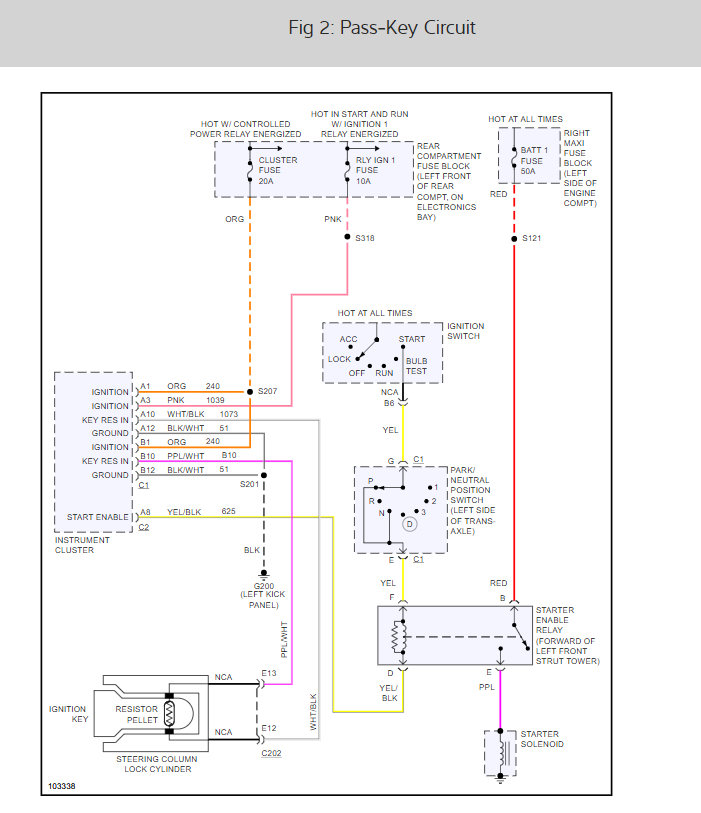
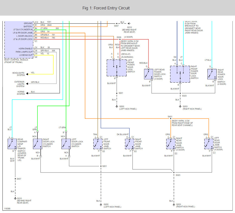
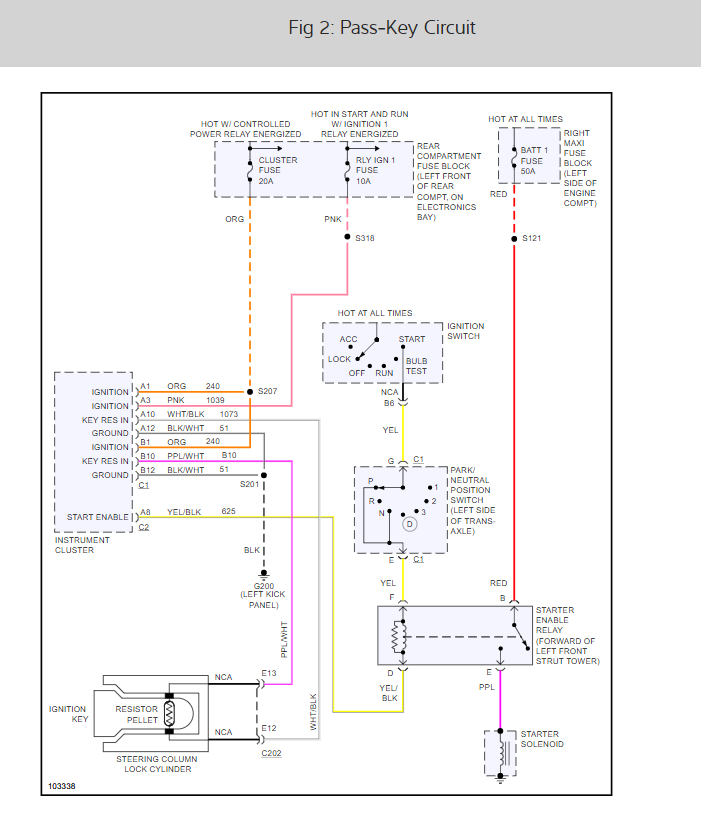
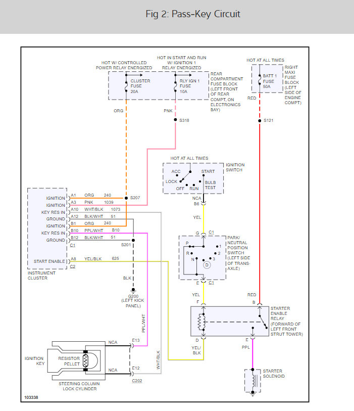
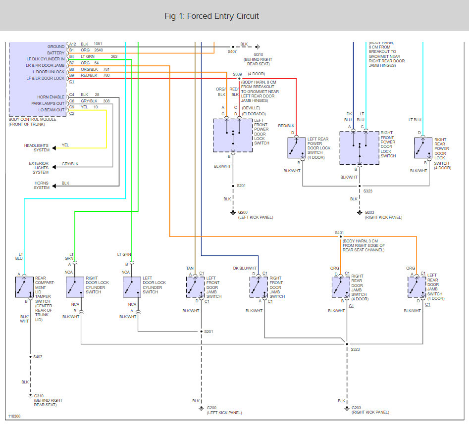
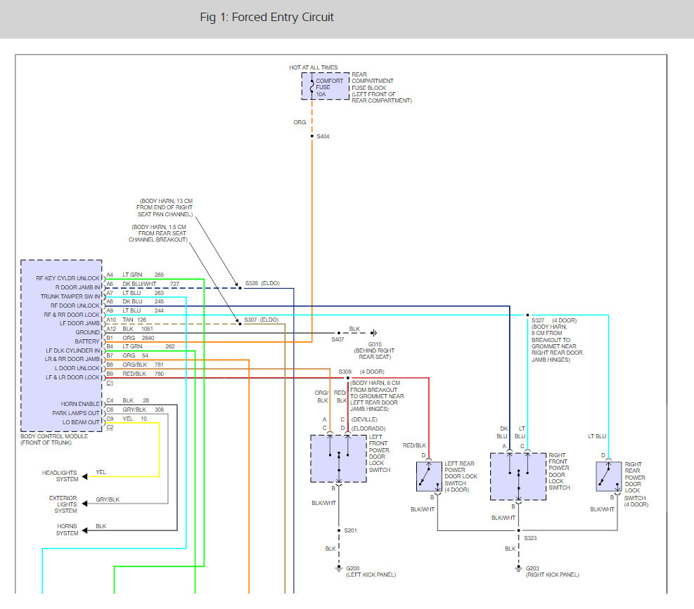
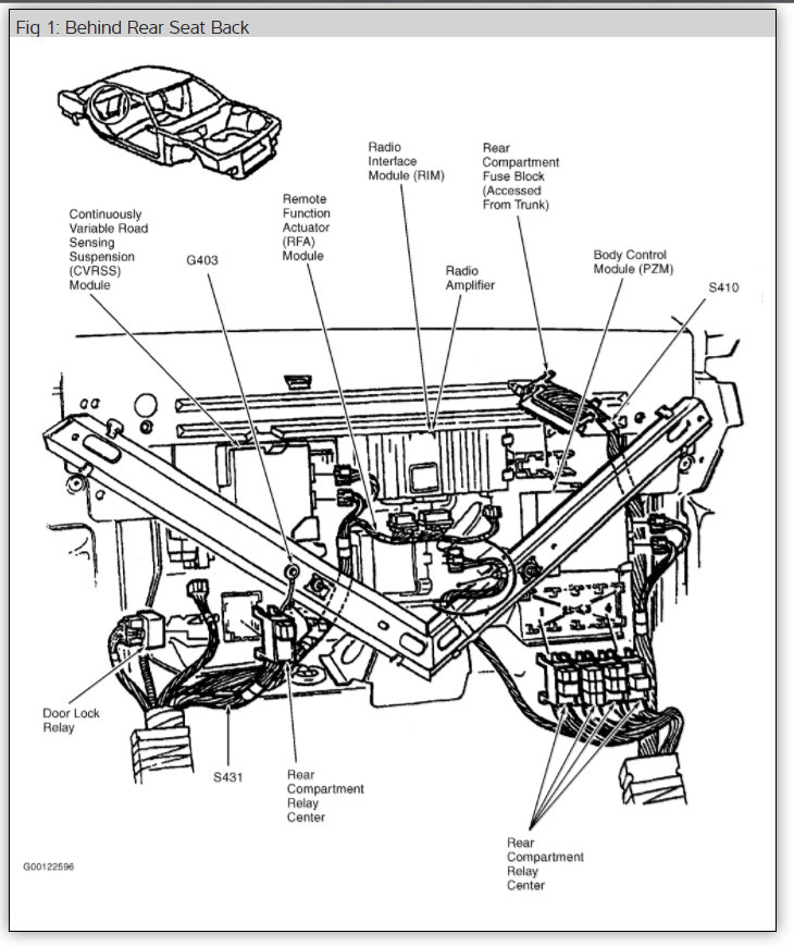
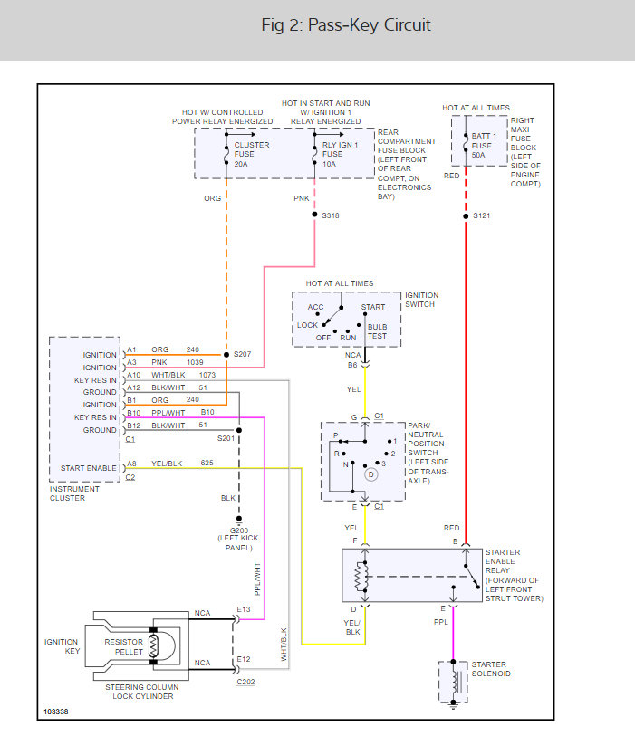
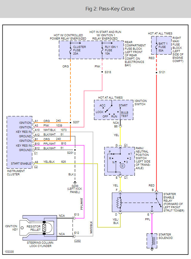
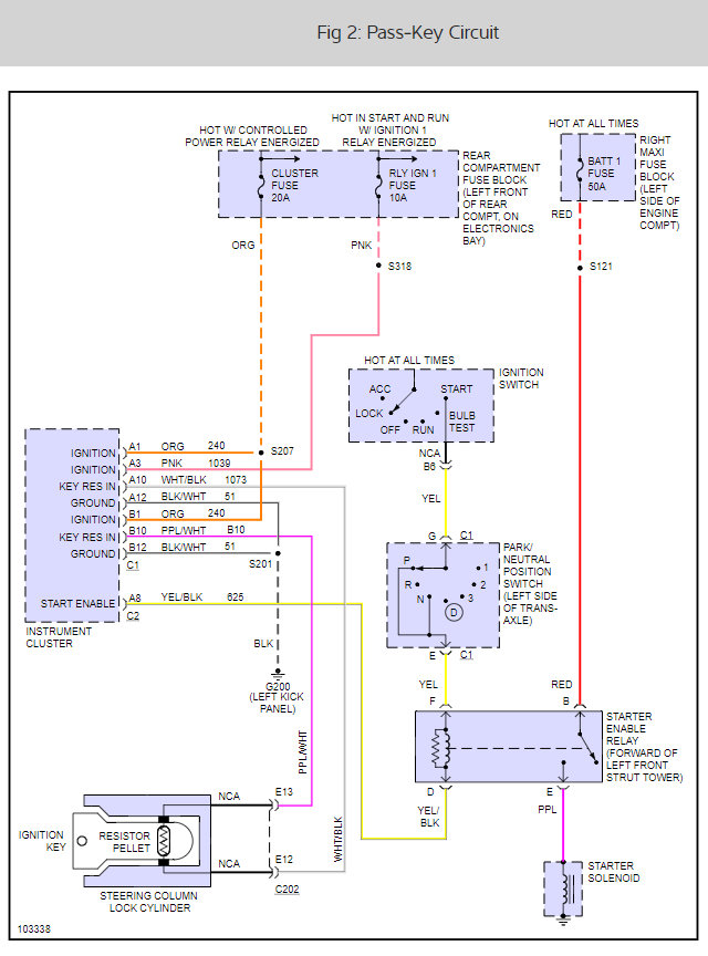
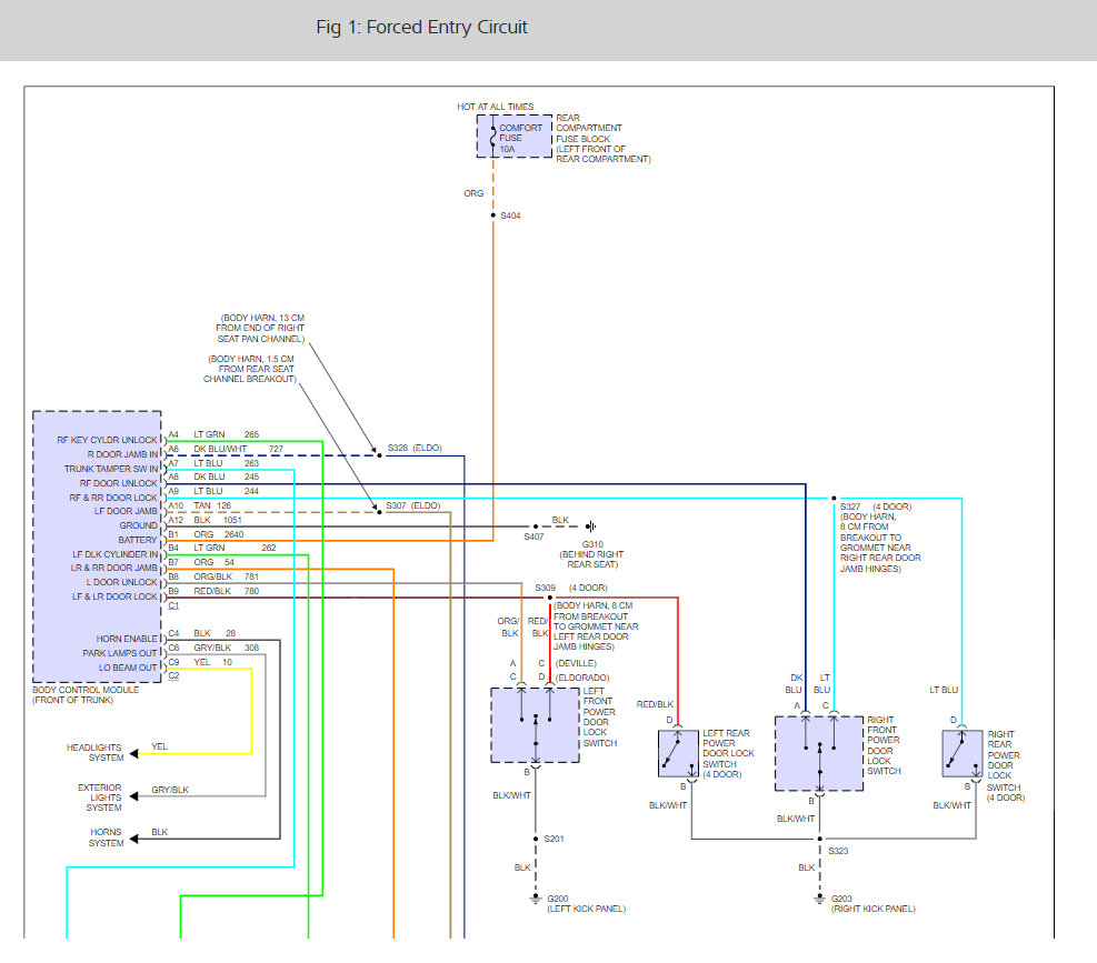
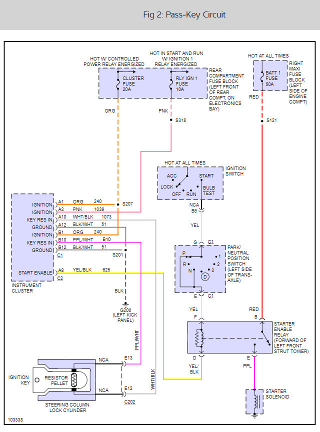
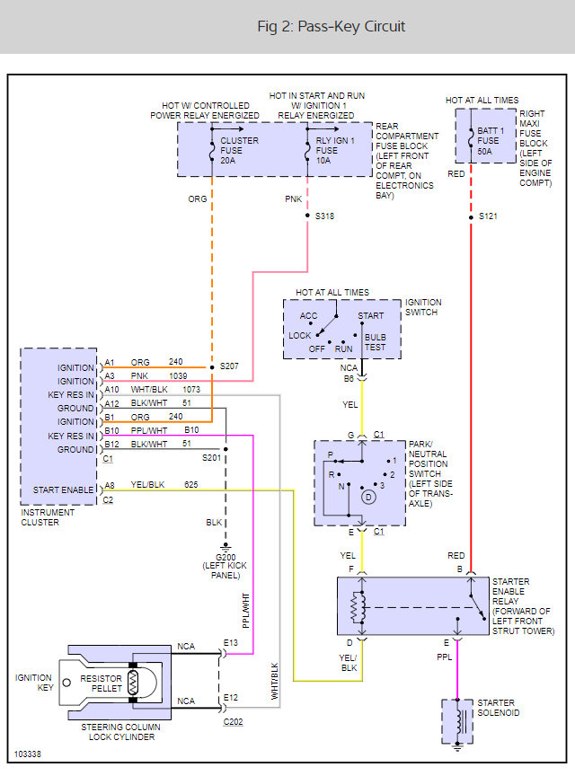
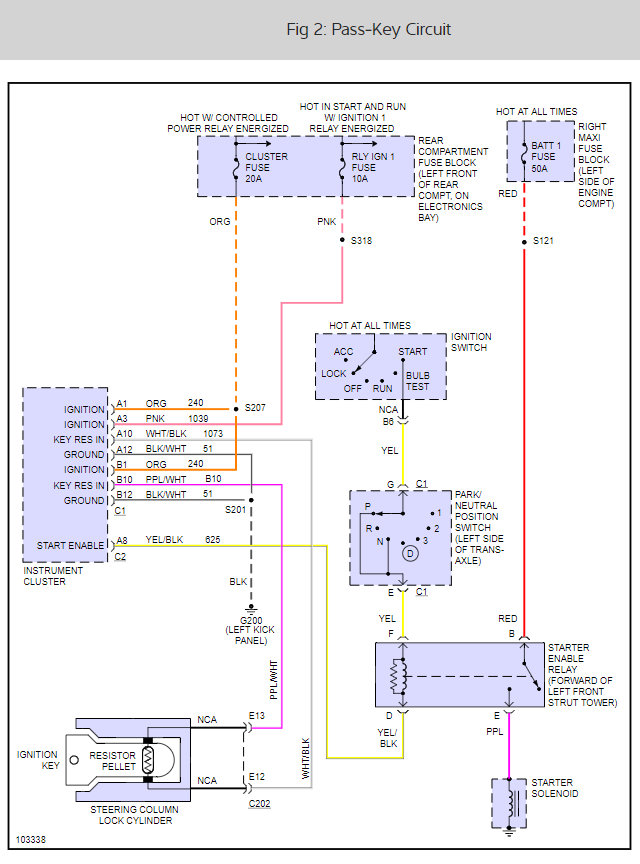
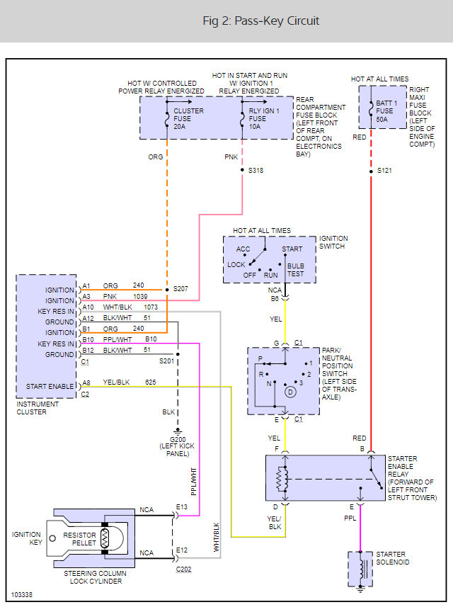
I have seen the instrument cluster cause this issue. here is the security wiring diagrams to help you see how the system works. To be sure we need to do a CAN scan which you can get a scanner from Amazon for about $40.00.

https://youtu.be/InIlnsjOVFA

Lets check the system fuses as well.

https://www.2carpros.com/articles/how-to-check-a-car-fuse

Check out the diagrams (below). Please let us know what you find. We are interested to see what it is.
Was this
answer
helpful?
Yes
No
+2
Saturday, August 29th, 2020 AT 1:56 PM (Merged)
Tiny
CAMERON1998
  • MEMBER
  • 1 POST
  • 1999 CADILLAC DEVILLE
  • AUTOMATIC
  • 160,000 MILES
I recently got the ignition replaced after being gifted the car and after it was replaced the radio and airbag were disabled. My main issue is the radio as I have a long road-trip coming up. I'm not the most experienced but I would very much appreciate it if anyone knows a fix I can do on my own so I don't have to take it to Cadillac.
Was this
answer
helpful?
Yes
No
Saturday, August 29th, 2020 AT 1:56 PM (Merged)
Tiny
SCGRANTURISMO
  • MECHANIC
  • 4,897 POSTS
Hello,

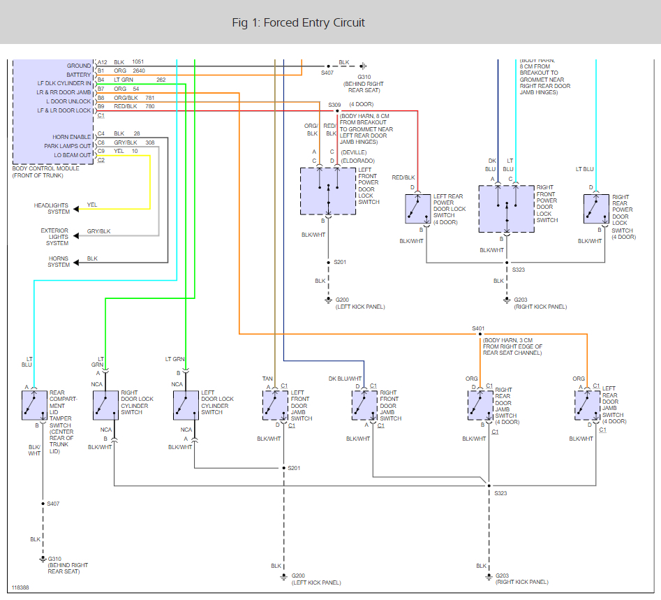
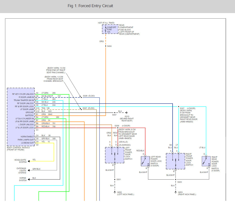
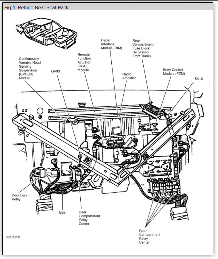
In the diagrams below I have sent you the wiring diagrams for the radio circuit in your vehicle. I have also sent a diagram with callout for your vehicle's rear fuse block where the AMP and Radio fuses are located. I would start here and make sure that these two fuses are okay. Here's a link if you are unfamiliar with how to do that:

https://www.2carpros.com/articles/how-a-car-fuse-works

Please go through these guides and get back to us with what you find out.

Thanks,
Alex
2CarPros
Was this
answer
helpful?
Yes
No
Saturday, August 29th, 2020 AT 1:56 PM (Merged)
Tiny
JOEL_PETTIS
  • MEMBER
  • 1 POST
  • 1999 CADILLAC DEVILLE
  • V8
  • FWD
  • AUTOMATIC
  • 104,800 MILES
My security system in the car want let me crank the car sometimes. It makes me wait 3 minutes before starting car.
Was this
answer
helpful?
Yes
No
+3
Saturday, August 29th, 2020 AT 1:56 PM (Merged)
Tiny
FACTORYJACK
  • MECHANIC
  • 4,159 POSTS
It is symptomatic of breaking wires at the ignition lock cylinder. These can be intermittent, but will eventually fail. Ignition cylinder replacement is the preferred repair, to keep the system intact. There is means of bypassing it, it would take some labor on your end.
Was this
answer
helpful?
Yes
No
+1
Saturday, August 29th, 2020 AT 1:56 PM (Merged)
Tiny
JOELPOMPA77954
  • MEMBER
  • 1 POST
  • 1999 CADILLAC DEVILLE
1999 Cadillac Deville

how do I deactivate the anti theft on my 1999 cadillac deville, it wont let me car turn on
Was this
answer
helpful?
Yes
No
+5
Saturday, August 29th, 2020 AT 1:56 PM (Merged)
Tiny
WRENCHTECH
  • MECHANIC
  • 20,761 POSTS
That cannot be done. It wouldn't be much of a theft deterrent if it could be simply disabled that easily. The system HAS to be active and working and that requires a Tech2 scan tool to be able to diagnose it. That usually means dealer.

The most common failure is the ignition lock and the sensor inside of it.

I'll give you the relearn procedure that may or may not help.

PASSLOCK 10 MINUTE RELEARN

AUTO LEARN
Time required, approximately 10 minutes:

1. Insure that the battery is fully charged.
2. Use the scan tool in order to clear the DTCs.
3. Turn the ignition switch from the OFF position to the CRANK position attempting to start the vehicle. The vehicle will start and then stall.
4. Leave the ignition switch in the ON position while observing the security indicator.
5. When the security indicator turns off, which can take up to 10 minutes, turn the ignition switch off. Wait 10 seconds.
6. The BCM and the PCM will learn the new code on the next start attempt.
Was this
answer
helpful?
Yes
No
+6
Saturday, August 29th, 2020 AT 1:56 PM (Merged)
Tiny
CADIEMAN
  • MECHANIC
  • 3,544 POSTS
The key cylinder needs replacing if cluster has a message.
Left and right door cylinders control the alarm
we enjoy your feedback
Was this
answer
helpful?
Yes
No
+2
Saturday, August 29th, 2020 AT 1:56 PM (Merged)
Tiny
RAYCOLD
  • MEMBER
  • 1 POST
  • 1999 CADILLAC DEVILLE
  • V8
  • FWD
  • AUTOMATIC
  • 55,000 MILES
How can I stop my alarm from going off
Even when I have my key in the ignition
Was this
answer
helpful?
Yes
No
Saturday, August 29th, 2020 AT 1:56 PM (Merged)
Tiny
DOCFIXIT
  • MECHANIC
  • 18,828 POSTS
Without useing a scanner and testing system it's impossible to know. If you want bto suht it off but you will loose auto door locks. Go to trunk find fuse box remove fuse comfort.
Was this
answer
helpful?
Yes
No
Saturday, August 29th, 2020 AT 1:57 PM (Merged)
Tiny
ADKINSCARL
  • MEMBER
  • 3 POSTS
  • 1999 CADILLAC DEVILLE
  • 165,000 MILES
Remove key theft system problem. Car may not start. How do you reset it? I replaced the battery and passenger side drive axles. In what position do I leave the key in when leaving it to relearn. The dealer said that it was the key cylinder, that there was no way to reset the theft system. They said that the cylinder had two white wires that moved every time you cranked the car and that over time that they would break. But I just do not understand how it was working just fine before I put the new drive axles in and put a new battery in. After I replaced both of them I went to crank it up to check my transmission fluid, but it would not start and I got the message's. I will try the key for twenty minutes, but if that does not work what should I do next?Thanks in advance. If that works I will be more than glad to donate to the site the money I save by not having to take it to a dealer.
Was this
answer
helpful?
Yes
No
Saturday, August 29th, 2020 AT 1:57 PM (Merged)
Tiny
CADIEMAN
  • MECHANIC
  • 3,544 POSTS
The wires breaking in by the ignitions which is a common problem on these car BTW.

Here is the procedure to get to the wires and fix them so the car will start. (Below)

Reconnect the broken wires and you will be all set

Cheers!
Was this
answer
helpful?
Yes
No
+2
Saturday, August 29th, 2020 AT 1:57 PM (Merged)
Tiny
ADKINSCARL
  • MEMBER
  • 3 POSTS
Thanks for the advice cadieman, I left the key in the on position for twenty minutes and it ran down the brand new battery that i just bought yesterday. So I Googled some more and talk with a few other people who had the same problem with their Cadillac as i did. I ran across this one website that showed how to bypass the security system. So i went to radioshack and got everything i needed to bypass the whole system and built it. Put it in and bypassed the security system and what do you know it started and all the codes went off and have not come back on. So to everyone who gave me advice on here thanks but none of it work, and for an 1/8 of the price of a new cylinder lock and a set of new keys I fixed. I guess you could say it was a poor man's fix. here is the link

https://youtu.be/5oHEHKJR5pE
Was this
answer
helpful?
Yes
No
+17
Saturday, August 29th, 2020 AT 1:57 PM (Merged)
Tiny
CADIEMAN
  • MECHANIC
  • 3,544 POSTS
Nice work, we are here to help, please use 2CarPros anytime.

Cheers
Was this
answer
helpful?
Yes
No
+1
Saturday, August 29th, 2020 AT 1:57 PM (Merged)
Tiny
RANGER RICK1117
  • MEMBER
  • 1 POST
Okay I got the "problem with theft system " message. I did the resister bypass & got within 4 ohms of the key resister reading. Now I get the "starting disabled " code. What next? Also the cat, 1998 caddy d'elegance, went through hurricane Harvey and took on water nearly to the top of driveshaft hump/bottom of the brake pedal. Water wasn't up long, none in oil, tranny, or up under dash. Could it have effected something I ain't aware of?
Was this
answer
helpful?
Yes
No
Saturday, August 29th, 2020 AT 1:57 PM (Merged)
Tiny
KEN L
  • MASTER CERTIFIED MECHANIC
  • 55,499 POSTS
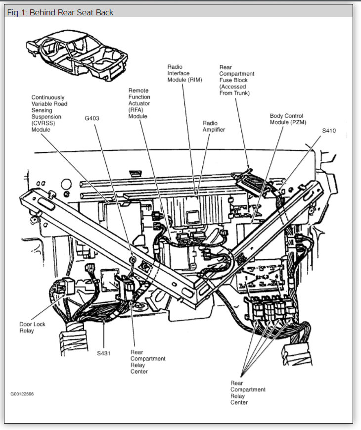
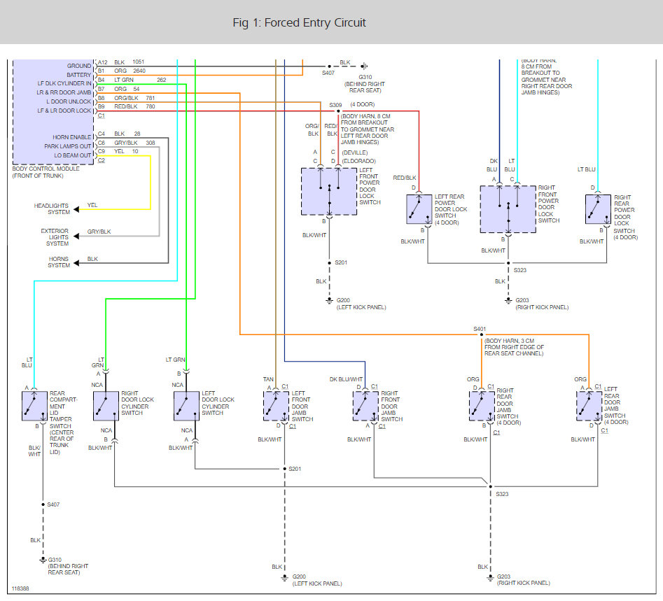
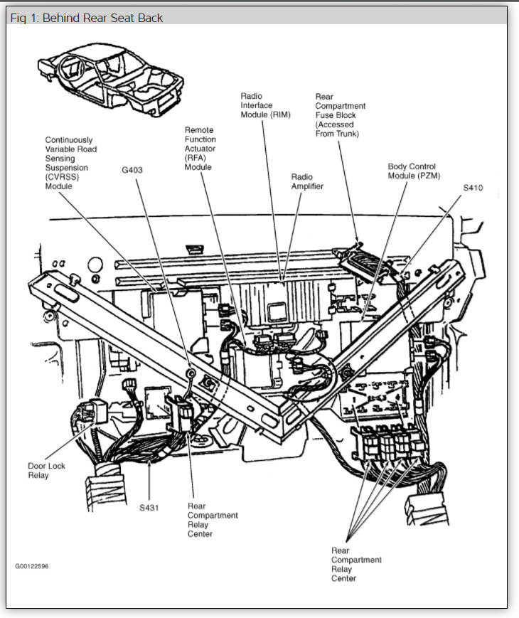
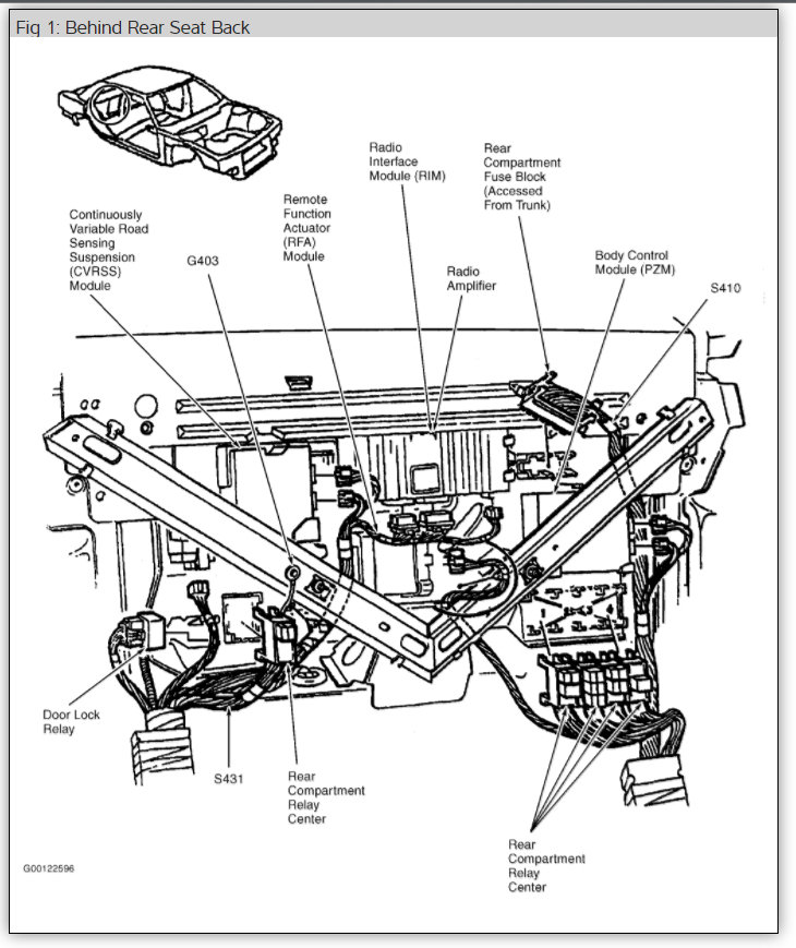
It sounds like the BCM got wet in the trunk, I would unplug it and looks for corrosion on one of the terminals in the connector then allow the the BCM to dry completely of a couple of days unplugged. Here is a wiring diagram and location (below) and a guide to help you check for power and ground.

https://www.2carpros.com/articles/how-to-use-a-test-light-circuit-tester

Please let us know what happens so it will help others.

Cheers, Ken
Was this
answer
helpful?
Yes
No
Saturday, August 29th, 2020 AT 1:57 PM (Merged)
Tiny
WILLAIM2852
  • MEMBER
  • 2 POSTS
  • 1999 CADILLAC DEVILLE
  • V8
  • FWD
  • AUTOMATIC
  • 135,000 MILES
My 99 cadillac deville will not start, I did the by pass with the resistor, I got a new key with chip, I pull out all the fuses and spray with w-40 to clean away corosion, it's hit or miss thing. What else can it be it dont even turn over
Was this
answer
helpful?
Yes
No
Saturday, August 29th, 2020 AT 1:57 PM (Merged)
Tiny
WRENCHTECH
  • MECHANIC
  • 20,761 POSTS
As`you were told at the other site, you cannot completely bypass a Passkey system and you need a tech2 scan tool to diagnose it.
Was this
answer
helpful?
Yes
No
-2
Saturday, August 29th, 2020 AT 1:57 PM (Merged)

Please login or register to post a reply.