how much it cost for labor to replace a neutral safety switch?

1999 BUICK LESABRE
73,000 MILES
Avatar
JOE1953
  • MEMBER
  • 776 POSTS
i believe my neutral safe switch is bad,i want to have it replace.
Sep 28, 2012 at 4:20 AM
Repair Safety Notice: This information is for general instructional purposes only. Vehicle repair can be dangerous. Verify all information, follow manufacturer service procedures, use proper tools and safety equipment, and consult a qualified repair shop when needed.
Advertisement
Avatar
ASEMASTER6371
  • CAR REPAIR CONTRIBUTOR
  • 52,796 POSTS
Good morning,

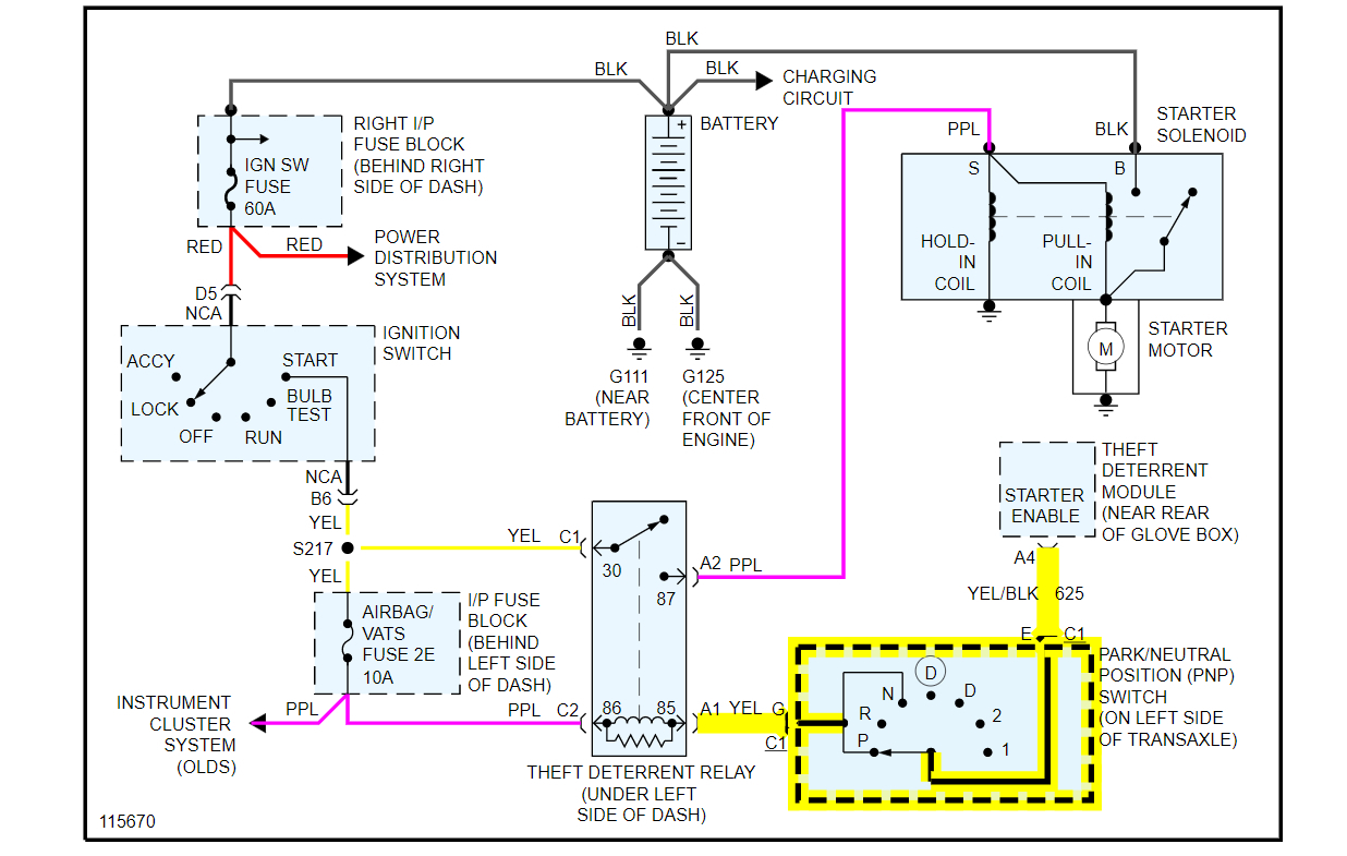
I attached the procedure for you for replacing the neutral switch. It is on top of the transmission.

https://www.2carpros.com/articles/how-a-neutral-safety-switch-works

I also attached the wiring diagram for you to view the neutral switch.

https://www.2carpros.com/articles/how-to-check-wiring

https://www.2carpros.com/articles/how-to-use-a-voltmeter

I also attached the procedure for replacing the ignition switch. You can slide the switch up and down a little to zero in on the correct alignment for starting in the park and neutral.

Roy


Important: Verify that the engine starts only in the Park position or the Neutral position once the PNP switch is installed. Readjust the PNP switch and/or check the shifter and the automatic transaxle range selector cable if the engine starts in any other position. and/or A/T Range Selector Cable Adjustment.
Aug 23, 2021 at 7:05 AM
Advertisement
Avatar
ASEMASTER6371
  • CAR REPAIR CONTRIBUTOR
  • 52,796 POSTS
Did you respond? I got an email but nothing came through.

Roy
Sep 4, 2021 at 4:09 AM
Avatar
ASEMASTER6371
  • CAR REPAIR CONTRIBUTOR
  • 52,796 POSTS
Same thing. No response shows up.

Roy
Sep 4, 2021 at 1:38 PM