Electrical power port not working?

Tiny
CAPLANTZ
  • MEMBER
  • 1998 JEEP WRANGLER
  • 4 CYL
  • AWD
  • MANUAL
The electrical outlet in my 1998 jeep wranger wont work, why?
Tuesday, December 28th, 2010 AT 10:13 PM

1 Reply

Tiny
SQM
  • MECHANIC
  • 6,383 POSTS
Hello,

First thing you want to do is check the fuse that powers the outlet.
That fuse is located in the fuse panel behind the glove box.
It will be fuse number 18, it is a 20A fuse.

https://www.2carpros.com/articles/how-to-check-a-car-fuse

If the fuse is good then you could have a short in the wiring for the outlet.
Check to see if you are getting power to the connector that attached to the back of the outlet. You might have to trace the wires to find the short.

You might find these articles helpful:

https://www.2carpros.com/articles/how-to-check-wiring
https://www.2carpros.com/articles/how-to-use-a-voltmeter

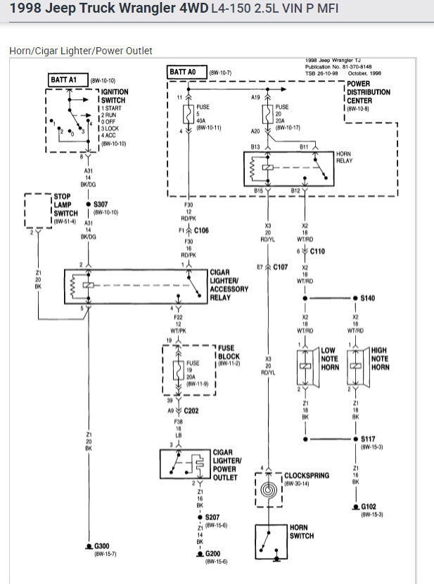
I have attached diagrams for your reference.

Please let me know of any questions.

Thank you.
Was this
answer
helpful?
Yes
No
Wednesday, August 18th, 2021 AT 7:16 PM

Please login or register to post a reply.

Related General Content