"Coolant Sensor is Bad" light

Tiny
VICJONES
  • MEMBER
  • 1998 JEEP GRAND CHEROKEE
  • 140,000 MILES
Sensor light goes on when starting stays for 5 min, then goes out, only to come on and off continuously. All fluids are full. Driving is fine, no noise or any issues.

Friends had their sensor replaced 3x theirs is a 1996 JGC at the Jeep dealer they said that it is an issue with the computer and not to bother bringing it back in?

Any help? I am a senior who is disabled and living on 1000 per month, repeat visits to the dealership is not in my tight budget, thank you !
Friday, September 13th, 2013 AT 11:16 PM

3 Replies

Tiny
VICJONES
  • MEMBER
  • 2 POSTS
5.9 engine Grand LTD The picture of the jeep on the console has the "Coolant is Bad" the square light engine light? Sometimes comes on and sometimes not. Sometimes it comes on at the same time as the reading and sometimes not. No fluids are leaking. Again my friends have same light repaired 3 x iin older model that has a different motor before the dealership told them to drive with it on, they have had this light for 3 yrs without any other problems.

Hope this helps
Was this
answer
helpful?
Yes
No
Saturday, September 14th, 2013 AT 12:51 AM
Tiny
KASEKENNY
  • MECHANIC
  • 18,907 POSTS
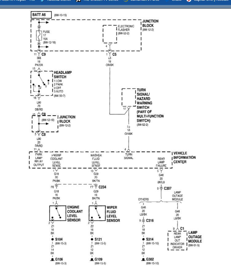
This light is telling you that the coolant level sensor is not operating, or the coolant level is low.

So, this means we need to check to see if the coolant level is correct.

If you have no coolant leaking, then the assumption is the level is okay, but we need to check it and make sure.

https://www.2carpros.com/articles/coolant-flush-and-refill-all-cars

If this is okay, then we need to check the operation of the sensor. This is nothing more than an on off switch for when the level is low.

So, I would unplug the sensor and jump the connectors and check the operation of the light in the cluster as it should turn on and off as you jump it and remove it.

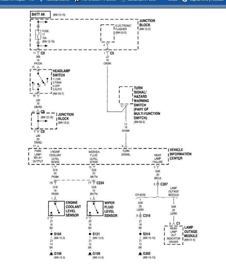
I am attaching the wiring diagram, but this is in the bottom of the coolant bottle.

Lastly, the reason your friend's vehicle was fine for so long is because it was just a sensor issue. If there is no coolant level issue, then the vehicle will operate normally even with this light on. However, it is not a good idea to assume it is a sensor.

Please see the info attached and then let us know what questions you have.
Was this
answer
helpful?
Yes
No
+1
Friday, April 22nd, 2022 AT 7:08 PM
Tiny
JACOBANDNICKOLAS
  • MECHANIC
  • 110,192 POSTS
Hi,

Is it a coolant level sensor light or a temperature light? Also, if the check engine light comes on, drive to a parts store and have them scan the computer before the light turns off again.

If it is the level sensor, first disconnect the sensor (top of reservoir / see pic 1) and inspect the connectors for corrosion. If it is clean, remove the level sensor. Basically, it clips in so gently pry around it to remove it. At the bottom of the sensor is a float. Make sure it isn't holding coolant. Also, make sure the float is able to move up and down easily. (See pic 2/ I circled the float)

Let me know what you find.

Take care,

Joe
Was this
answer
helpful?
Yes
No
Friday, April 22nd, 2022 AT 7:33 PM

Please login or register to post a reply.