Engine turns over but won't fire

Tiny
TXFIERO87
  • MEMBER
  • 1 POST
  • 1998 GMC SONOMA
I have a 1998 Gmc Sonoma 4 cyl 2.2, has 162k manual transmission. I bought it about a year ago and it has been a good truck. It had a new clutch when I bought it. Every now & then it wouldn't start but always ended up starting. I recently replaced the battery as well. Things were fine until a couple days ago. I went out in the morning to go to work and it would not start. My starter is working- you can hear it, you can hear the fuel pump. I took the starter off, had it tested by two shops to make sure the first one did it right because I did not want to mess with the flywheel. I went home put it back on. I took the cover off the flywheel and it was only missing 1 tooth and the ring gear is fine and in the correct location. I had someone turn to key to try to see what the problem was. ( I have checked battery terminals also.) It seems like the starter is just not catching the flywheel properly. My starter is the gear reduction one. It is sitting at a very slight angle and it was like that when I took it off too. So I am not sure what is going on. Is it suppose to have that slight angle? What else could be wrong? Any ideas and any help I would greatly appreciate. I can push start it and it starts and goes.
Was this
answer
helpful?
Yes
No
Saturday, January 12th, 2019 AT 1:28 PM (Merged)
Tiny
FORDTRUCKBUM
  • MEMBER
  • 19 POSTS
Need a little more info before anyone could offer advice bro.

What does the car do before it cuts off?
Is the temp guage going up or stable?
Does it sputter, kick or back fire?

We'll need as much information as possible before we could help.
Was this
answer
helpful?
Yes
No
+1
Saturday, January 12th, 2019 AT 1:28 PM (Merged)
Tiny
MY83MERC
  • MEMBER
  • 2 POSTS
If you shut the car off after 15 min of driving, instead of letting it cut out will it immediately restart? It sounds like you're running rich and the Power Steering adds a load to the engine causing it to stall. Let me guess at this one, it stalls when you're performing a slow speed turn under no throttle? I've owned about 5 different vintage (but all 302 box body) Grand Marquis. And every one of them benifited from half a turn clockwise of the throttle body idle adjustment screw. I had two that would actually stall under hard turn, or when I put them in reverse that this solved the problem. The no restart is what concerns me tho. Have you tried to give it a little throttle while you crank it? If it IS stalling because of a rich mix, the extra air you allow through the throttle body by giving it some throttle while it cranks might be just the trick it needs to restart. These also have a history of bad ignition modules, especially the ones built in canada. A bad module could cause a weak spark, resulting in a stall at extra load, and no restart when hot. To check if it is a canada car, look at the build sticker on your drivers door jam. Should be on the door itself.
Was this
answer
helpful?
Yes
No
Saturday, January 12th, 2019 AT 1:28 PM (Merged)
Tiny
PIANOMISTRO
  • MEMBER
  • 2 POSTS
  • 1998 GMC SONOMA
I have a 98 GMC Sonoma 2.2L that seems to start only when it wants to for no particular reason. It was in a flood about 2 years ago, up to the headlights. No problems until now. Half the time, the fuel pump will audibly kick on with ignition, the other half, it won't. Obviously doesn't start without fuel. BUT. If the pump won't start, all I have to do is jump it to another vehicle or put it on a starter and the pump starts EVERY TIME. Otherwise, there is no factor that will change when it starts or not; cold nor hot engine, cold nor warm weather. I have checked most connections from the battery to grounds, and to the starter, etc. As well as chassis grounds to electrical componenets such as the pump. Recently haven't tried anything else because it ran fine with no problems for three days, until today. Please HELP.
Was this
answer
helpful?
Yes
No
Saturday, January 12th, 2019 AT 1:28 PM (Merged)
Tiny
CHEVY350GUY
  • MECHANIC
  • 109 POSTS
Check the relay and it's contacts, they might be coroded.
Was this
answer
helpful?
Yes
No
Saturday, January 12th, 2019 AT 1:28 PM (Merged)
Tiny
PIANOMISTRO
  • MEMBER
  • 2 POSTS
That was the first thing I checked. We took the bed off to look at the fuel pump, checked that the pump itself worked, and continuity from the relay center to the pump-all good. We also checked the relay and coil itself, even switched it with the smae number from neighbor relays. Anything else you can think of? I've now stumped the mechanic from my neighborhood Autozone, from AAMCO, and my friend's dad - A master mechanic for Ford, Chrysler, and Chevrolet. Please reply.
Was this
answer
helpful?
Yes
No
-1
Saturday, January 12th, 2019 AT 1:28 PM (Merged)
Tiny
2CP-ARCHIVES
  • MEMBER
  • 4,540 POSTS
  • 1998 GMC SONOMA
My truck is a 2.2 98 gmc sonoma manual trans and it has a kill switch on the dash sometimes it wont start (switch is in the on position) wont make a sound other times it will try to start then I leave it sitting for awhile come back and it starts what is it?
Was this
answer
helpful?
Yes
No
Saturday, January 12th, 2019 AT 1:28 PM (Merged)
Tiny
HMAC300
  • MECHANIC
  • 48,601 POSTS
Check to see if it's a bad kill swtich first, then try resetting yor anti theft. System.
Was this
answer
helpful?
Yes
No
Saturday, January 12th, 2019 AT 1:28 PM (Merged)
Tiny
TRU1967
  • MEMBER
  • 6 POSTS
  • 1998 GMC SONOMA
  • 160,000 MILES
1998 gmc sonoma cranks but wont start after it rains. This happened a few days ago
and I was able to just keep cranking it while feathering the throttle enough to get it to go down road, all the time feathering, the longer it ran the better it ran till normal. Since then it has ran
just fine. Then yesterday it rained again, cranks, no start, no feathering to even get it to run at all. It will
however start and run with starting fluid, but stops with no fluid. Prior to this in dry conditions it runs like a top.
If I take out fuel fuse under hood, with key on, I can hear something click/engage on top of motor as I put fuse back in.

Any ideas?

P.S. The Mitz is sitting for now as I have no money, but thanks again for you help on it. Its either the TCM or the trans itself need rebuild. Now I'm having the issue with our only running vehicle.
Was this
answer
helpful?
Yes
No
Saturday, January 12th, 2019 AT 1:28 PM (Merged)
Tiny
JDL
  • MECHANIC
  • 16,098 POSTS
I looked at info for the 4.3L sonoma. It appears you have the spider fuel system on the 4.3L engine. That fuel system is noted for problems. Not sure why it only happens in the rain. Just a thought, when the problem is ongoing, check fuel pressure and fuel injector pulse.

If you've done a lot of cranking, you may need to charge the battery?
Was this
answer
helpful?
Yes
No
Saturday, January 12th, 2019 AT 1:28 PM (Merged)
Tiny
TRU1967
  • MEMBER
  • 6 POSTS
Hi JDL,

This Sonoma is a 2.2 motor 4 cl. Its only happening "after" it rains. Truck ran normal and well when its
dry. I will check the pressure and pulse. Wont it happen more often? What could be getting wet and causing
no fuel into the engine?

Thanks again for any help!
Tim
Was this
answer
helpful?
Yes
No
Saturday, January 12th, 2019 AT 1:28 PM (Merged)
Tiny
JDL
  • MECHANIC
  • 16,098 POSTS
I looked at info for the 2.2L engine. The fuel pump relay sends voltage to the fuel injectors as well as the fuel pump. If no voltage at the injector with engine cranking, that's where I would start looking. The load side of fuel pump relay gets voltage from the ecm B fuse 20 amp. When problem is ongoing check for voltage at that fuse.
Was this
answer
helpful?
Yes
No
Saturday, January 12th, 2019 AT 1:28 PM (Merged)
Tiny
2CP-ARCHIVES
  • MEMBER
  • 4,540 POSTS
  • 1998 GMC SONOMA
  • 202,176 MILES
I was driving and I lost all power to my truck but it still ran then I turned it off and the power came on but it wouldn't start like the battery was dead a little confused
Was this
answer
helpful?
Yes
No
Saturday, January 12th, 2019 AT 1:28 PM (Merged)
Tiny
MEMORIALLANES
  • MEMBER
  • 9 POSTS
Id say since this happened to me not once but twice, the altinator, has died, hopefuly not taking out the battery with it. I had a brand new Delco put in as a replacement this past spring, drove it less then 2 months and it fried out on the expressway, and yes it too the battery out with it by over charging it.
Was this
answer
helpful?
Yes
No
Saturday, January 12th, 2019 AT 1:28 PM (Merged)
Tiny
SOCCERDUDE1080
  • MEMBER
  • 10 POSTS
  • GMC SONOMA
I have a 1995 GMC Sonoma with a rebuilt 4.3 liter Vortec v6 and CMFI injection. The engine turns over but will not start before it would start sometimes and if it started the first try you were good. If not it would not until hours later or the next day. I replaced the fuel pump and ignition module they both work. The engine will start on ether (starting fluid) so I know it is a fuel problem it is not the crankshaft position sensor and I do not think I have enough fuel pressure, but I think the only thing before the test port and past the pump is a filter and it sounds like a mechanical failure. Can anyone help me figure out the problem?
Was this
answer
helpful?
Yes
No
Saturday, January 12th, 2019 AT 1:28 PM (Merged)
Tiny
ELGENCO
  • MEMBER
  • 10 POSTS
Hi,
I had the same problem with my 1094 vortic engine,
It would start when starting fluid was sprayed into the air intake.
I was convinced that the fuel pump was good because when I would disconnect fuel line from output side of filter it would pump a stream of gas for about a foot. Based on this I thought the fuel pump had to be good. But not so, I found out that it was working. But it did not have enough pressure. I replaced the fuel pump and filter and solved the problem.
Good luck
Was this
answer
helpful?
Yes
No
Saturday, January 12th, 2019 AT 1:28 PM (Merged)
Tiny
KEN L
  • MASTER CERTIFIED MECHANIC
  • 55,470 POSTS
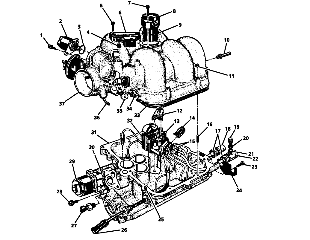
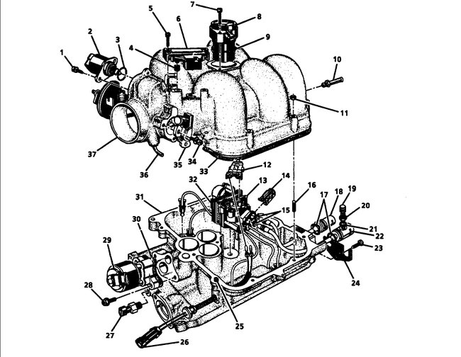
What happens on these cars is the spider fuel injector goes out not allowing fuel to enter the engine. To confirm the issue remove the upper intake manifold and remove the injector then with it still plugged in cranks the engine over to see if fuel comes out.

Here are diagrams to show you how. You can get the injector on Amazon.

Check out the diagrams (below).

Let us know what happens and please upload pictures or videos of the problem.

Cheers, Ken
Was this
answer
helpful?
Yes
No
Saturday, January 12th, 2019 AT 1:28 PM (Merged)
Tiny
CURLYKIEFER
  • MEMBER
  • 1 POST
Yep, that was the problem with my truck.
Was this
answer
helpful?
Yes
No
Saturday, January 12th, 2019 AT 1:28 PM (Merged)
Tiny
JENSLO
  • MEMBER
  • 3 POSTS
I have a 95 chevy s10 2.2 heard a loud pop almost like I ran over a bag truck died and wont restart. It cranks over but will not start. I am getting spark, fuel, changed the ignition coils, and coil wires, has new starter, you can hear the fuel pump turn on when I turn the key. Please help hoping its not the timing belt
Was this
answer
helpful?
Yes
No
Thursday, September 26th, 2019 AT 8:56 AM
Tiny
KEN L
  • MASTER CERTIFIED MECHANIC
  • 55,470 POSTS
Hello,

Will it run on starting fluid? Also I can tell how the engine is compression wise if you can you please shoot a quick video with your phone so we can see what's going on, that would be great. You can upload it here with your response.

this guide can help

https://www.2carpros.com/articles/car-cranks-but-wont-start

Please run down this guide and report back.
Was this
answer
helpful?
Yes
No
Sunday, September 29th, 2019 AT 10:33 AM

Please login or register to post a reply.