HOME
ASK A QUESTION
REPAIR GUIDES
BECOME A MEMBER
LOG IN
Login with Facebook
OR
Remember me
NOT A MEMBER?
FORGOT PASSWORD?
CONTACT US
PRIVACY POLICY
TERMS AND CONDITIONS
☰
Home
Ford
Windstar
Exterior Light
Daytime Running Light
Module
Location
Ford Windstar 1998
1968GTO
MEMBER
1998 FORD WINDSTAR
6 CYL
2WD
AUTOMATIC
150,000 MILES
Where is the daytime running light module located?
Friday, August 5th, 2011 AT 12:48 AM
3 Replies
RASMATAZ
MECHANIC
75,992 POSTS
Daytime Running Lights (DRL) Module (3.8L)At left front of engine compartment.
Image (Click to make bigger)
Was this
answer
helpful?
Yes
No
Friday, August 5th, 2011 AT 2:20 AM
CJ MEDEVAC
MECHANIC
11,004 POSTS
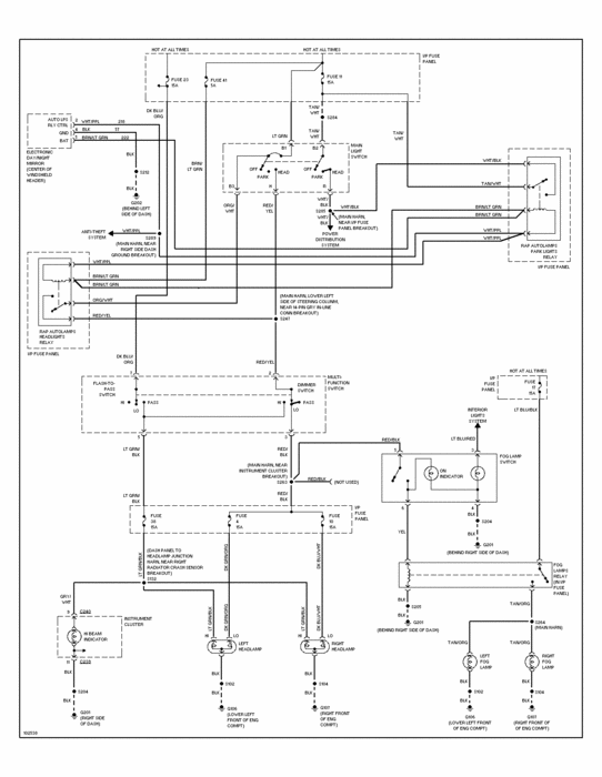
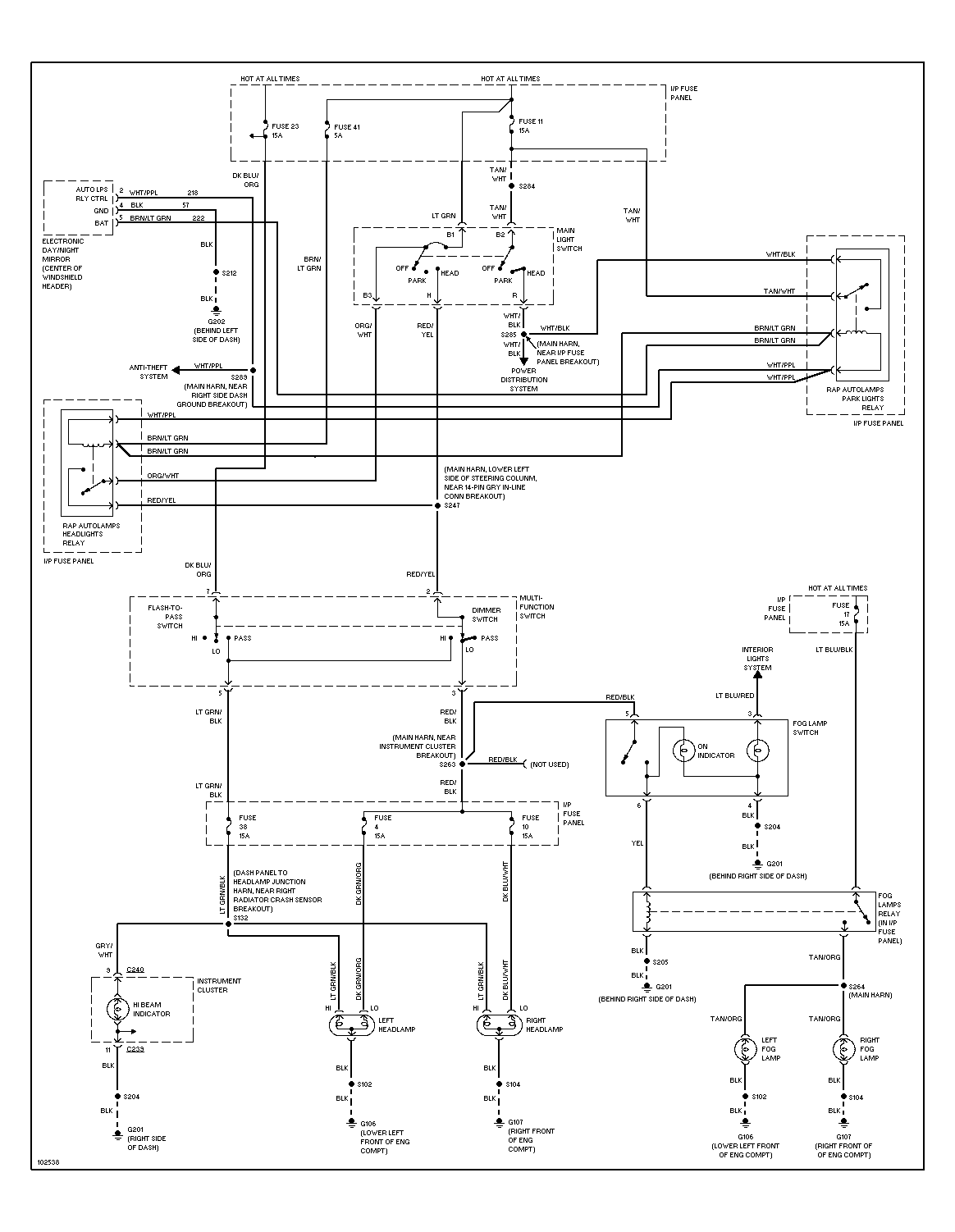
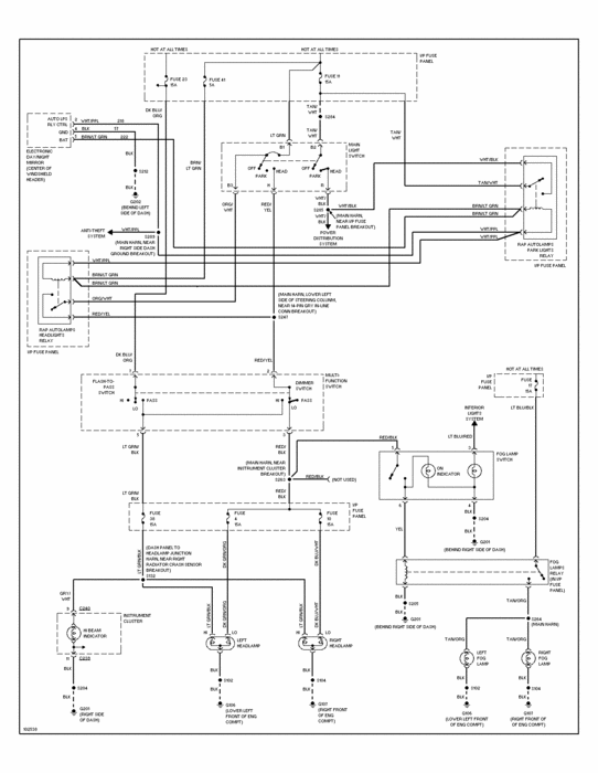
Here's the whole diagram---auto lamps and fog
Let me know if you cannot read this.I will get it to you safely
Top Left side of this diagram--Is that what you want?
The Medic
Image (Click to make bigger)
Was this
answer
helpful?
Yes
No
Friday, August 5th, 2011 AT 2:21 AM
CJ MEDEVAC
MECHANIC
11,004 POSTS
Sorry Raz!
The "Quick and the Dead"!
The Medic
Was this
answer
helpful?
Yes
No
Friday, August 5th, 2011 AT 2:23 AM
Please
login
or
register
to post a reply.
Related Daytime Running Light Module Location Content
1998 Ford Windstar Daytime Running Light Module
Where Is The Daytime Running Light Module Located On This Model?
Asked by
AndyC
·
8 ANSWERS
1998
FORD WINDSTAR
2001 Ford Windstar Daytime Running Light Module
Electrical Problem 2001 Ford Windstar Where Can I Find The Drl Module For This Van? It Is Not On The Rad Support At All. And Dwhat...
Asked by
cobra1969
·
1 ANSWER
2001
FORD WINDSTAR
2001 Ford Windstar Many Issues
I Have A 2001 Ford Windstar Lx With The Following Electrical Issues: 1) Keyless Entry Doesn’t Work Nor Can I Program My Remotes. 2) The...
Asked by
sgilbert14
·
2 ANSWERS
2001
FORD WINDSTAR
1998 Ford Windstar Headlights
My Driver Side Headlight Went Out. So I Bought Both Headlights And My Fiance Brother Put Them Both In And My Driver Side Is Still Out. What...
Asked by
helpme78
·
1 ANSWER
1998
FORD WINDSTAR
2002 Ford Windstar Third Brake Light
Electrical Problem 2002 Ford Windstar 6 Cyl Automatic 123000 Miles This Morning I Came Outside To A Dead Battery As It Turns Out My...
Asked by
mnh143
·
1 ANSWER
2002
FORD WINDSTAR
VIEW MORE
Ask a Car Question. It's Free!
How to Use a Test Light
Turn Signals Blink Fast
Have a Dim Headlight? - Try Replacing This!