Wednesday, March 20th, 2013 AT 12:30 PM
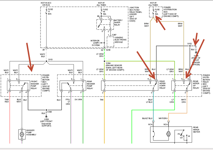
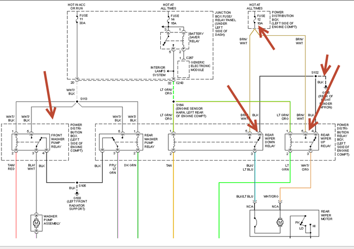
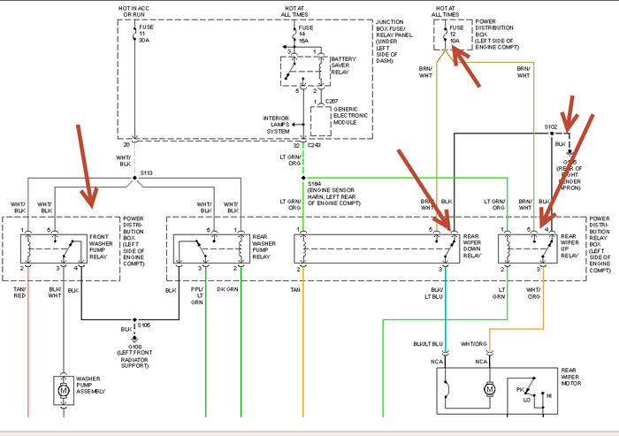
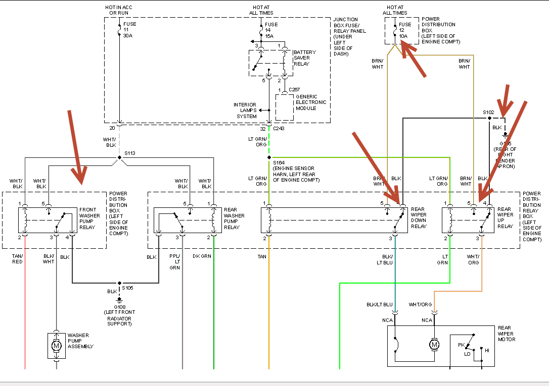
Im having a problem with my cruise control an wiper issue. The cruise doesn't engage at all and my front wipers work but not the washer sprayer. The back sprayer works but not the wiper. I had an issue before with the turn signal. They did replace the control (turn signal- wiper- cruise) arm. Are there any relays at all.I know nothing about this or where they would be at except for the fuse box in the truck. They all look good. Any suggestions what this may be and would it be expensive to fix. Thanks


