Blower motor relay location

Tiny
SCRAIG22361
  • MEMBER
  • 1998 FORD CONTOUR
  • 4 CYL
  • 2WD
  • AUTOMATIC
  • 145,000 MILES
Where is the blower motor relay located?
Sunday, February 13th, 2011 AT 10:43 PM

30 Replies

Tiny
RASMATAZ
  • MECHANIC
  • 75,992 POSTS
Hello,

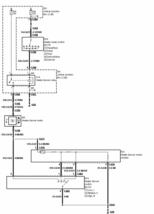
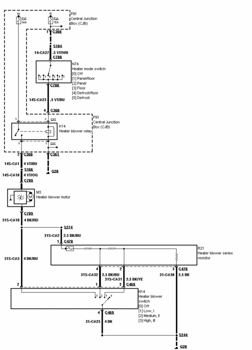
The blower motor relay (c81) is located in the fuse panel below. Here is a guide to help you test it:

https://www.2carpros.com/articles/how-to-check-an-electrical-relay-and-wiring-control-circuit

Check out the diagrams (below). Please let us know if you need anything else to get the problem fixed.

Cheers
Was this
answer
helpful?
Yes
No
+2
Sunday, February 13th, 2011 AT 10:48 PM
Tiny
SCRAIG22361
  • MEMBER
  • 16 POSTS
  • 1998 FORD CONTOUR
  • 4 CYL
  • 2WD
  • AUTOMATIC
Heater blower not working. Checked all fuses, replaced switch, resistor, relay. Blower worked for a month then it stopped. It then worked for a day and then it stopped working again.
Was this
answer
helpful?
Yes
No
-1
Monday, September 24th, 2018 AT 4:16 PM (Merged)
Tiny
PROTECH1980
  • MEMBER
  • 901 POSTS
With a test light your going to have to see if blower motor is getting power and ground.

This guide will help:

https://www.2carpros.com/articles/blower-fan-motor-works-on-high-speed-only
Was this
answer
helpful?
Yes
No
Monday, September 24th, 2018 AT 4:16 PM (Merged)
Tiny
SCRAIG22361
  • MEMBER
  • 16 POSTS
  • 1998 FORD CONTOUR
  • 4 CYL
  • 2WD
  • AUTOMATIC
  • 145,000 MILES
Blower motor not working. Checked fuses, replaced switch, resistor, relay. Had blower checked out, it is okay.
Was this
answer
helpful?
Yes
No
+2
Monday, September 24th, 2018 AT 4:16 PM (Merged)
Tiny
BMRFIXIT
  • MECHANIC
  • 19,053 POSTS
Place switch on high and check at the motor, what missing is it ground or power?
Check connector and wiring at the resister.
Was this
answer
helpful?
Yes
No
Monday, September 24th, 2018 AT 4:16 PM (Merged)
Tiny
SCRAIG22361
  • MEMBER
  • 16 POSTS
  • 1998 FORD CONTOUR
  • 4 CYL
  • 2WD
  • AUTOMATIC
  • 145,000 MILES
I have no power to the blower switch for the blower. I have replaced the switch and resistor.
Was this
answer
helpful?
Yes
No
Monday, September 24th, 2018 AT 4:16 PM (Merged)
Tiny
WRENCHTECH
  • MECHANIC
  • 20,761 POSTS
The blower switch and resister control the ground side. The power side starts at fuse F23 (15amp) under the dash. It then goes through the mode switch and the blower relay. The relay is powered by fuse F37 (30amp).
Was this
answer
helpful?
Yes
No
+2
Monday, September 24th, 2018 AT 4:16 PM (Merged)
Tiny
RASMATAZ
  • MECHANIC
  • 75,992 POSTS
Check and test fuse number three 30amp and fuse number 23 15amp and the blower motor relay.
Was this
answer
helpful?
Yes
No
Monday, September 24th, 2018 AT 4:16 PM (Merged)
Tiny
WRENCHTECH
  • MECHANIC
  • 20,761 POSTS
Hey Raz, you following me around, LOL.
Was this
answer
helpful?
Yes
No
Monday, September 24th, 2018 AT 4:16 PM (Merged)
Tiny
RASMATAZ
  • MECHANIC
  • 75,992 POSTS
Coincidence brother, sorry did not mean to stalk you, lol. I did not see you in there, so I answered it. You do not need an escort service I have faith on my old buddy. You have a great weekend and God bless-take care.
Was this
answer
helpful?
Yes
No
Monday, September 24th, 2018 AT 4:16 PM (Merged)
Tiny
WRENCHTECH
  • MECHANIC
  • 20,761 POSTS
I was just teasing you. Enjoy
Was this
answer
helpful?
Yes
No
Monday, September 24th, 2018 AT 4:16 PM (Merged)
Tiny
SCRAIG22361
  • MEMBER
  • 16 POSTS
  • 1998 FORD CONTOUR
  • 4 CYL
  • 2WD
  • AUTOMATIC
  • 145,000 MILES
Blower motor not working after changing, switch, checking fuses, replacing resistor, changing relay.
Was this
answer
helpful?
Yes
No
-1
Monday, September 24th, 2018 AT 4:16 PM (Merged)
Tiny
BMRFIXIT
  • MECHANIC
  • 19,053 POSTS
Did the blower motor check out okay?
Was this
answer
helpful?
Yes
No
Monday, September 24th, 2018 AT 4:16 PM (Merged)
Tiny
GROGERS64
  • MEMBER
  • 2 POSTS
  • 1998 FORD CONTOUR
  • 4 CYL
  • 2WD
  • MANUAL
  • 135,000 MILES
The blower motor circuit is not functioning properly. The four way switch should run from low, medium, medium high, to high. What it is actually doing is low, medium, medium, low. I have changed out the blower motor switch and the blower motor resistor but the same thing keeps happening. Is a problem with the motor itself or could the blower motor relay be doing something strange?

Greg Rogers
Was this
answer
helpful?
Yes
No
+1
Monday, September 24th, 2018 AT 4:16 PM (Merged)
Tiny
WRENCHTECH
  • MECHANIC
  • 20,761 POSTS
I am not sure what your seeing there, but the wiring diagram for this car only shows three speeds.
Was this
answer
helpful?
Yes
No
Monday, September 24th, 2018 AT 4:16 PM (Merged)
Tiny
GROGERS64
  • MEMBER
  • 2 POSTS
The switch is a four position switch. The way that the blower is functioning, there is no off unless the ignition key is fully turned to the left so that there is no current flowing. The blower has been acting like that since we bought the car three years ago so if the first position of the switch is actually supposed to be an "off", it is not working like that. The other positions (2, 3, 4) work as I said (medium, medium, low). I would expect position four to be high. If you are saying that position one should be "off", there certainly is a problem somewhere. However, it is not the blower switch or the blower resistor as I changed them both out - and the problem still continues.
Was this
answer
helpful?
Yes
No
Monday, September 24th, 2018 AT 4:16 PM (Merged)
Tiny
WRENCHTECH
  • MECHANIC
  • 20,761 POSTS
You may expect that but that is not what the schematic says.
It is "off" and three speeds.
Was this
answer
helpful?
Yes
No
Monday, September 24th, 2018 AT 4:16 PM (Merged)
Tiny
KRISTENROWLAND
  • MEMBER
  • 1 POST
  • 1998 FORD CONTOUR
  • 6 CYL
  • FWD
  • AUTOMATIC
  • 108,000 MILES
My heater and air conditioner blower works only occasionally. It never works when I start the car, sometimes does not work all day, sometimes comes on when I hit a bump, sometimes not. I replaced the number three fuse in the engine compartment fuse box. Could this be a relay problem, if so which should I try replacing? Any suggestions would be appreciated.
Was this
answer
helpful?
Yes
No
Monday, September 24th, 2018 AT 4:16 PM (Merged)
Tiny
RASMATAZ
  • MECHANIC
  • 75,992 POSTS
Check the blower motor relay located under left side of dash in the central junction box. Also, check the connector at the blower motor and the resistor. See below.


https://www.2carpros.com/forum/automotive_pictures/12900_blower_motor_5.jpg

Was this
answer
helpful?
Yes
No
-1
Monday, September 24th, 2018 AT 4:16 PM (Merged)
Tiny
SCRAIG22361
  • MEMBER
  • 16 POSTS
  • 1998 FORD CONTOUR
  • 4 CYL
  • 2WD
  • AUTOMATIC
  • 145,000 MILES
The blower wire going to the fuse box gets hot and it is loose causing it to make blower go off and on. Need to know how to fix it.
Was this
answer
helpful?
Yes
No
Monday, September 24th, 2018 AT 4:16 PM (Merged)

Please login or register to post a reply.