The car clicks

Tiny
SKSILVER
  • MEMBER
  • 1998 DODGE NEON
  • 4 CYL
  • FWD
  • AUTOMATIC
98 dodge neon the car clicks (you would think the battery or cables) when trying to start it, the battery, starter and alternator are good
Sunday, January 30th, 2011 AT 8:46 PM

3 Replies

Tiny
JDL
  • MECHANIC
  • 16,098 POSTS
You have to make sure the battery has a full charge. Use a digital multimeter. Take reading across battery posts, everything off. If the battery is down, take it off and get it charged. Start the vehicle, take second reading across battery posts, the second reading should be higher than the first, if the charging system is working.

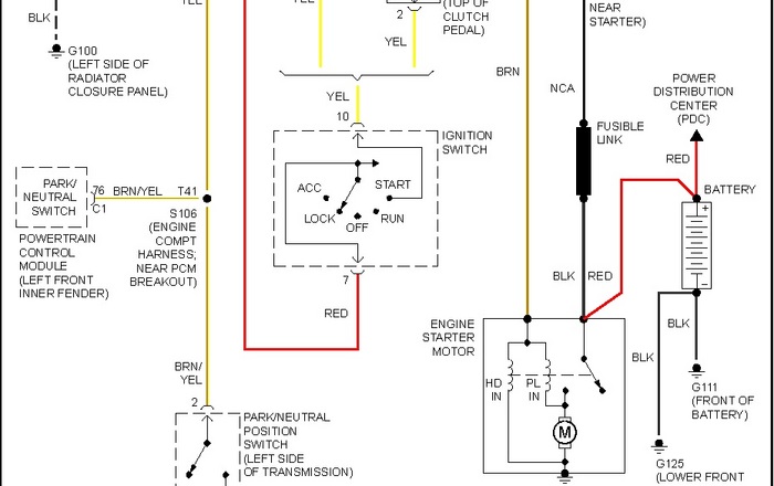
The brown wire at the starter, should be hot with the key in the crank position, if it isn't, we can backtrack the circuit. Any testing make sure the tranny is in park or neutral and the e-brake is set.
Was this
answer
helpful?
Yes
No
Thursday, April 15th, 2021 AT 6:59 PM
Tiny
SKSILVER
  • MEMBER
  • 68 POSTS
Thank you very much for the info.I will pass the info on to my bf.
Was this
answer
helpful?
Yes
No
Thursday, April 15th, 2021 AT 6:59 PM
Tiny
JDL
  • MECHANIC
  • 16,098 POSTS
Hope you got it going your way?
Was this
answer
helpful?
Yes
No
Thursday, April 15th, 2021 AT 6:59 PM

Please login or register to post a reply.