Friday, August 24th, 2012 AT 6:00 AM
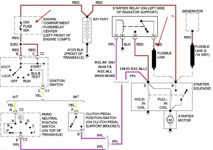
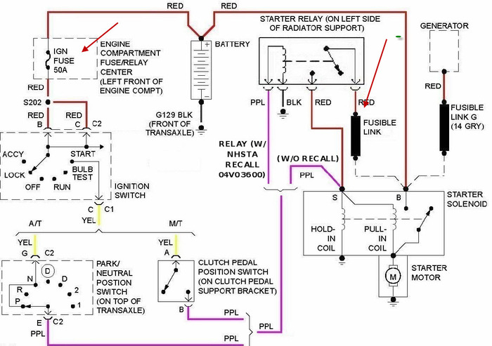
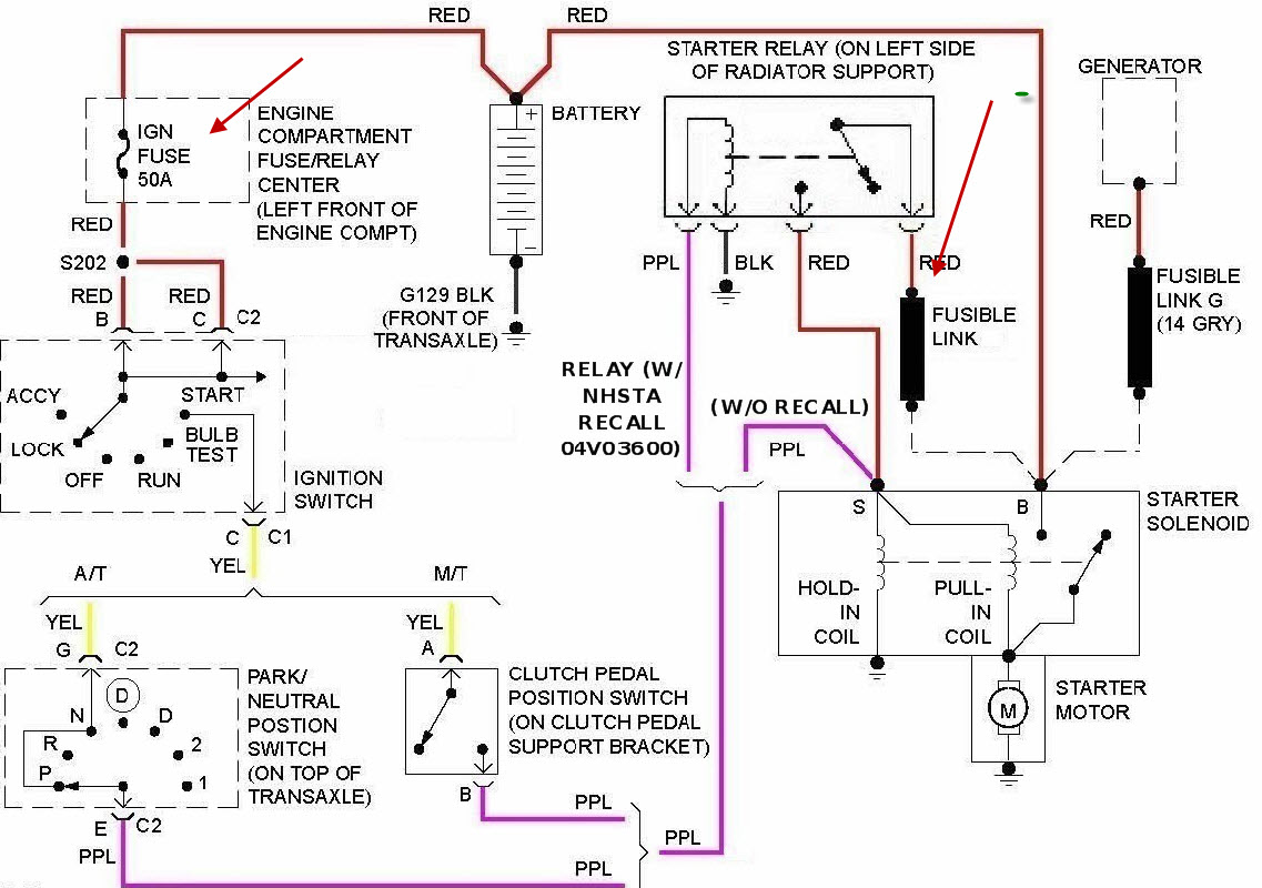
Help please It will start but not turn over and stay running I recently have just got a 98 cavalier. Its been sitting up for a year with a bad fuel pump. I've changed the pump and got rid of all the bad gas. Got it running, filled it up and put seafoam in the tank. Drove it for about 50 miles, ran good no problems. The next day it wouldn't turn over, tried giving it gas. It would turn over but only for couple seconds then just die. There's no vaccum seal on the air filter. The exhust sounds like its pooting and doesn't smell like it should. Spark plugs are good. I'm getting a O2 sensor. Any advice would be help full.




