HOME
ASK A QUESTION
REPAIR GUIDES
BECOME A MEMBER
LOG IN
Login with Facebook
OR
Remember me
NOT A MEMBER?
FORGOT PASSWORD?
CONTACT US
PRIVACY POLICY
TERMS AND CONDITIONS
☰
Home
Chevrolet
Cavalier
Engine
Starter
Wiring
Starter wiring diagrams please?
GRANNY4756
MEMBER
2000 CHEVROLET CAVALIER
4 CYL
FWD
AUTOMATIC
My 2000 chevy cavalier wont start from the key. It will only start if I jump the starter. What can be my problem?
Saturday, June 18th, 2011 AT 2:50 PM
3 Replies
RASMATAZ
MECHANIC
75,992 POSTS
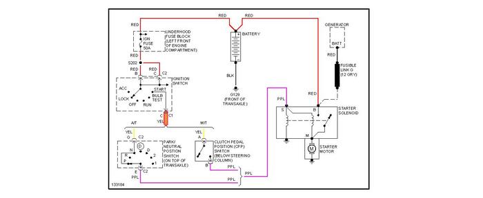
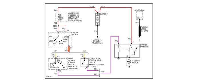
It will only start if I jump the starter.
Check ignition fuse 50amp in underhood fuse block-also jumper the yellow wire and purple wire on the P/N switch and see what happens
Image (Click to make bigger)
Was this
answer
helpful?
Yes
No
+1
Saturday, June 18th, 2011 AT 3:31 PM
GRANNY4756
MEMBER
2 POSTS
It was the ignition switch thank you.
Was this
answer
helpful?
Yes
No
-1
Saturday, June 18th, 2011 AT 3:43 PM
STEVE W.
MECHANIC
15,566 POSTS
Thank you for the update.
Was this
answer
helpful?
Yes
No
-1
Wednesday, June 16th, 2021 AT 2:49 PM
Please
login
or
register
to post a reply.
Related Starter Wiring Content
Wiring Diagram To Starter
I Have 5 Wires To Connect To Solenoid And A Thin Black Wire Broke And I'm Having Problems Connecting The Wires I Have 3 With Big Eyelets One...
Asked by
geohart01
·
36 ANSWERS
7 IMAGES
1999
CHEVROLET CAVALIER
Starter Wiring Diagrams
Help Please It Will Start But Not Turn Over And Stay Running I Recently Have Just Got A 98 Cavalier. Its Been Sitting Up For A Year With A...
Asked by
julielanning
·
6 ANSWERS
2 IMAGES
1998
CHEVROLET CAVALIER
2000 Chevy Cavalier Starters Burning Up???
Electrical Problem 2000 Chevy Cavalier 4 Cyl Two Wheel Drive Manual Hey, Well Last Week I Bought A 00 Z22 Cavalier Standard, It Has...
Asked by
toad_man33
·
1 ANSWER
2000
CHEVROLET CAVALIER
Which Is Bad, The Starter Or Solenoid?
When Starting The Car, Sometimes There Is A 'zing' Sound And It Does Not Start. Try It Again, And It Starts. It Does Not Tick (battery...
Asked by
matt073
·
5 ANSWERS
1998
CHEVROLET CAVALIER
Need Help Fast!
I Recently Bought 1993 Chevrolet Cavalier Rs, 2.2l. I Changed Transmission Oil, Engine Oil And Spark Plugs. Everything Was Fine, Then I...
Asked by
slobodan978
·
3 ANSWERS
CHEVROLET CAVALIER
VIEW MORE
Ask a Car Question. It's Free!
How to Use a Test Light
Starter Motor Replacement
Starter Motor Replacement