A/C relay location

Tiny
PMAKKI
  • MEMBER
  • 1998 CADILLAC DEVILLE
  • V8
  • FWD
  • AUTOMATIC
  • 66,000 MILES
Exactly where is the a/c compressor relay located. Do you know which one it is, there are about 4 of them. Got picture?
Sunday, March 6th, 2011 AT 5:45 PM

2 Replies

Tiny
KEN L
  • MASTER CERTIFIED MECHANIC
  • 55,488 POSTS
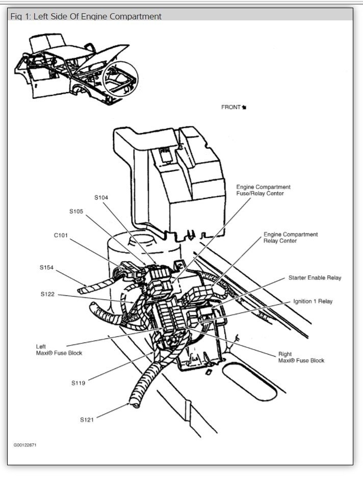
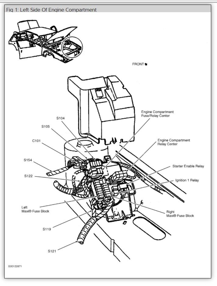
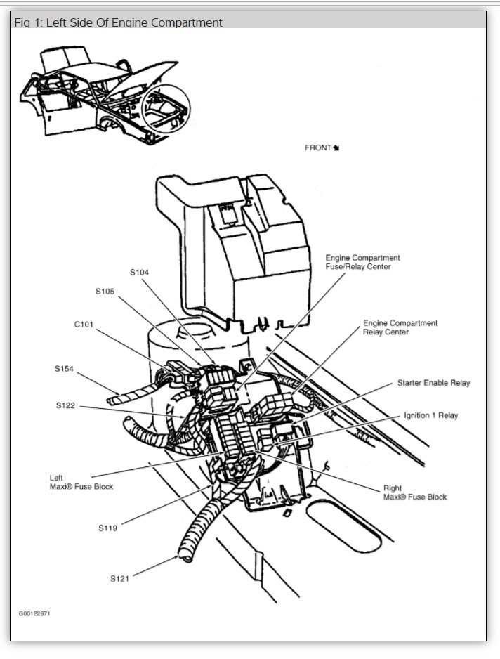
A/C Compressor Relay - In engine compartment fuse/relay center. Here are some diagrams (below) to show you where the fuse and relay for the system are. Here is a guide that will help you test both the fuse and the relay

https://www.2carpros.com/articles/how-to-check-a-car-fuse

and

https://www.2carpros.com/articles/how-to-check-an-electrical-relay-and-wiring-control-circuit

Please let us know if you need anything else to get the problem fixed. Check the last diagram below.
Was this
answer
helpful?
Yes
No
-1
Sunday, March 6th, 2011 AT 8:44 PM
Tiny
PMAKKI
  • MEMBER
  • 7 POSTS
Ok, found the fuse and the relay, appreciate it. I love this site :)
Was this
answer
helpful?
Yes
No
+4
Sunday, March 6th, 2011 AT 10:05 PM

Please login or register to post a reply.