Saturday, August 8th, 2015 AT 7:28 AM
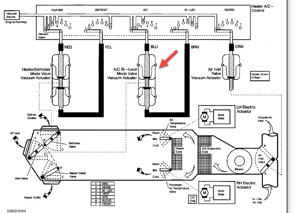
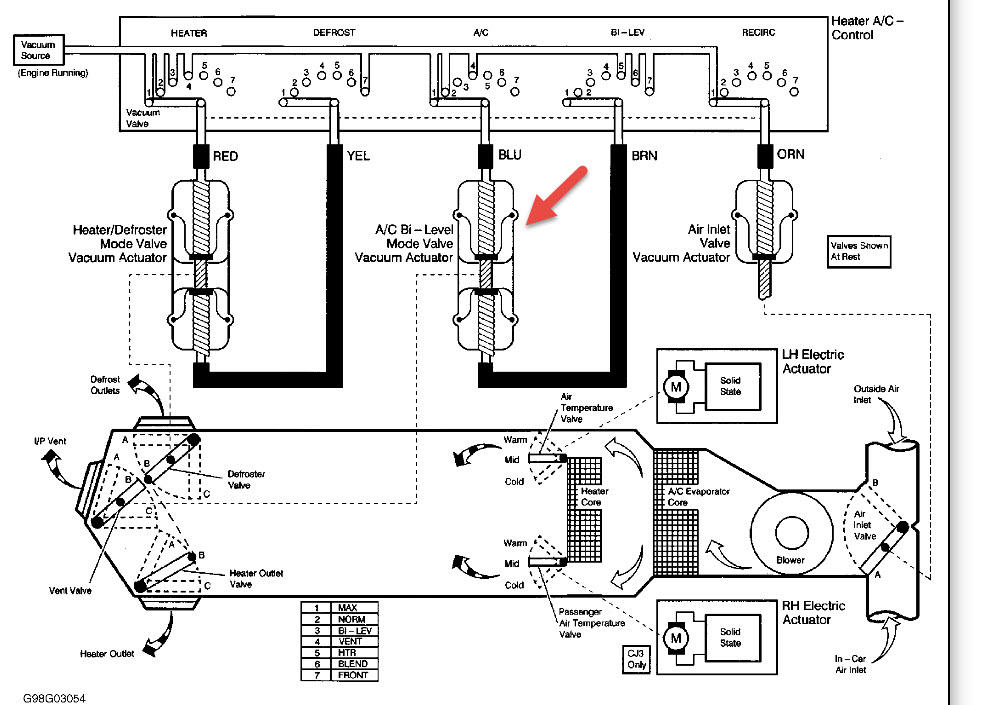
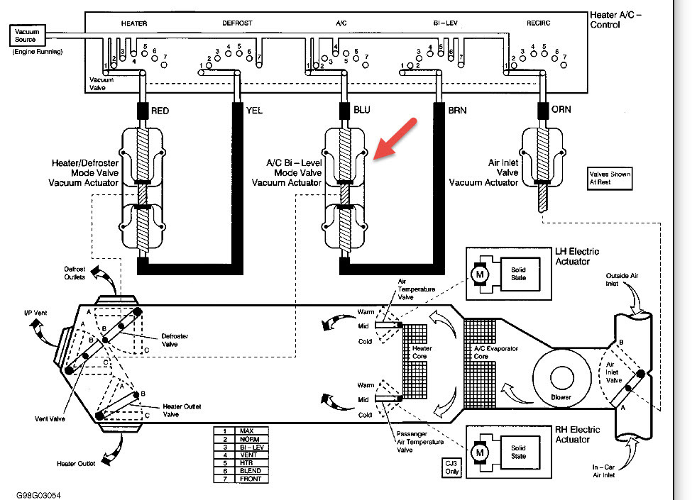
I have an issue with the vent selection on my 98 Regal. Currently the blower works on all speeds but it will only blow on the floor. I can't get any of the other settings to work when I change the selector.

