Remote keyless entry

Tiny
KHLOW2008
  • MECHANIC
  • 41,814 POSTS
Once the battery is disconnected, the security would reset when reconnecting. The only way it will not set is wile reconnecting the battery, the ignition switch is turned to ON, which is not advisable as it can fry the engine computer if there are any current surge.
Was this
answer
helpful?
Yes
No
Sunday, January 5th, 2020 AT 7:23 PM (Merged)
Tiny
JEEPGUY66
  • MEMBER
  • 1 POST
I was told the security system is at fault, and would need to be replace! Only choice is to do what you are doing and enter with key through passenger door.
Was this
answer
helpful?
Yes
No
-2
Sunday, January 5th, 2020 AT 7:23 PM (Merged)
Tiny
J.STIEG
  • MEMBER
  • 361 POSTS
Now it does not fire up right away. The security lights are NOT flashing so that side seems normal.

Need some expertise.
It takes 4 or 5 crank attempts before it starts. I can not hear any activity at power distribution box for the first few cranks.
Also there is no spark on initial crank.

In detail: The coil has positive feed in run position, but not any ground pulse from PCM (on first 5 cranks). Also the fuel injectors are the same way no grounding pulse(on first 5 cranks)

I suspect Ignition switch, PCM, ASD relay, or possibly crank sensor.

I appreciate your help, thanks!
Was this
answer
helpful?
Yes
No
Sunday, January 5th, 2020 AT 7:23 PM (Merged)
Tiny
KHLOW2008
  • MECHANIC
  • 41,814 POSTS
If difficulty in starting is only after angine is stopped for a while, the most likely cause would be drop in fuel pressure.

If there is not sparks, you need to test if battery voltage is available at the ignition coil while cranking, if yes, it is not likely to be the ignition switch or ASD relay. The PCM is a likely cause but PCM seldoms fails and allow you to start.

The most likely cause would be the crank or cam sensor depending on what is missing, fuel or sparks.
Was this
answer
helpful?
Yes
No
Sunday, January 5th, 2020 AT 7:23 PM (Merged)
Tiny
J.STIEG
  • MEMBER
  • 361 POSTS
Ok here is where I'm at. The Jeep will not start in the first ten cranks, or the first 2 min of trying roughly.

1 The fuel pump does not come on.
2 The coil has 12v cranking but no PCM pulse and "NO SPARK"
3 Injectors also have 12v cranking but no PCM ground pulse.
4 Security/theft activated when battery is disconnected.

The first three problems go away after a minuet of cranking or so.
Was this
answer
helpful?
Yes
No
Sunday, January 5th, 2020 AT 7:23 PM (Merged)
Tiny
CAJESPERSEN
  • MEMBER
  • 1 POST
  • 1993 JEEP GRAND CHEROKEE
  • V8
  • 4WD
  • AUTOMATIC
I had mechanic put new computer in cause it would not start now it starts for 3 sec. Then shuts off the dealership says I have to replace that same computer along with another one too but if I go to junkyard can I get the two computers from same jeep and switch them out with mine or how can I disable the security so it can drive without shutting off thank you chris
Was this
answer
helpful?
Yes
No
Sunday, January 5th, 2020 AT 7:23 PM (Merged)
Tiny
CARADIODOC
  • MECHANIC
  • 34,463 POSTS
Do you have the factory anti-theft system on your Jeep? I don't know if a '93 model was already using the Chrysler electronics but if it is, and you do not have the factory anti-theft system, you MUST use a used Body Computer from another vehicle that also did not have it. If you have the anti-theft system, you can use any computer from the salvage yard, but from then on, that computer will only work on another car that also has the anti-theft system. DO NOT borrow a friend's Engine Computer or Body Computer if his car doesn't have the anti-theft system.

Both computers have anti-theft programming that can not be undone. If your car does not have the anti-theft system, you must find a used computer from a donor car that also did not have anti-theft, and that can be impossible to find out from the salvage yard since there's no easy way to tell unless the car was running when it was brought in. Even then, they might not have bothered to find out.

When you install either the Body Computer or the Engine Computer with anti-theft programming into your car without anti-theft, the new computer will teach it to the other one. A Body Computer will teach it to the Engine Computer or a replacement Engine Computer will teach it to the Body Computer. At that point the car will not start because both computers are waiting for the disarm signal that's never coming. Both computers will have to be replaced at the same time. If you just replace one of them, it will immediately learn the anti-theft programming from the other one as soon as the ignition switch is turned on.

If you buy a remanufactured Body Computer from the dealer, it will come without the anti-theft programming. It will work in any car as soon as it is installed and will self-program itself for anti-theft only if the system is on the car, when it learns it from the Engine Computer.
Was this
answer
helpful?
Yes
No
-1
Sunday, January 5th, 2020 AT 7:23 PM (Merged)
Tiny
KHLOW2008
  • MECHANIC
  • 41,814 POSTS
Presence of battery voltage at the ignition coil and injectors indicates the ASD relay is being energised and should also energise the fuel pump relay.

Which engine do you have?
Was this
answer
helpful?
Yes
No
Sunday, January 5th, 2020 AT 7:23 PM (Merged)
Tiny
J.STIEG
  • MEMBER
  • 361 POSTS
I have the 5.2l

I found whats going on, When I turn the key to the run position, I leave it there for 15 seconds then I hear the fuel pump come on and then I crank and it starts.

There is a delay in the ignition. Not sure why
Was this
answer
helpful?
Yes
No
Sunday, January 5th, 2020 AT 7:23 PM (Merged)
Tiny
KHLOW2008
  • MECHANIC
  • 41,814 POSTS
The fuel pump relay is being energised late.

Attach a test light to the ignition coil power supply wire and turn ignition on. Note if battery voltage is present then or delayed as well.

If it is present, check the fuel pump relay. It could be failing.

If battery voltage is also delayed, you have a fault with the PCM. Check for bad ground circuit connections.
Was this
answer
helpful?
Yes
No
+2
Sunday, January 5th, 2020 AT 7:23 PM (Merged)
Tiny
J.STIEG
  • MEMBER
  • 361 POSTS
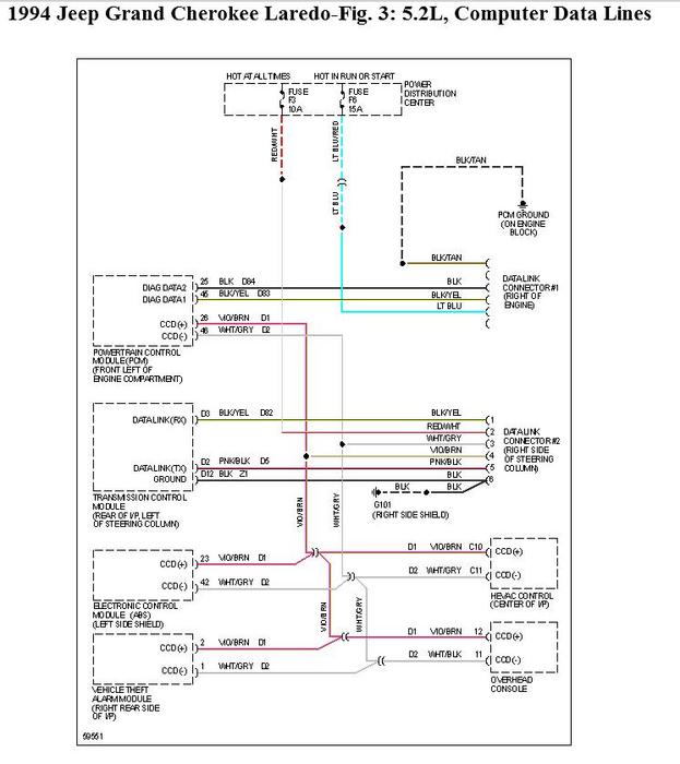
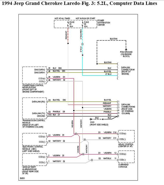
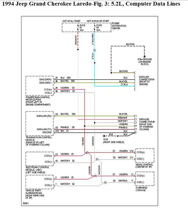
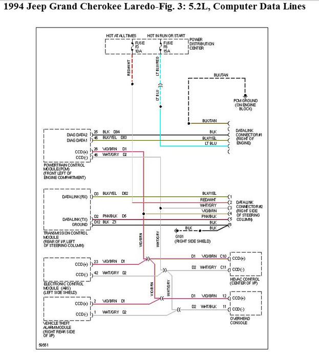
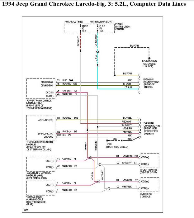
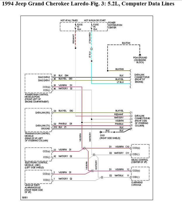
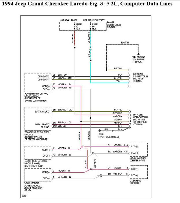
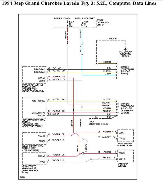
Could I have wiring diagram of fuel pump relay?

I will check again but I believe the COIL POWER was NOT delayed.

Note: Delay problem is only when car is cold in the morning.
Was this
answer
helpful?
Yes
No
Sunday, January 5th, 2020 AT 7:23 PM (Merged)
Tiny
KHLOW2008
  • MECHANIC
  • 41,814 POSTS
If the ignition coil power is not delayed, then most probably you have a problem with the fuel pump relay.

It could be a failing relay or poor connectivity with its wiring. Ignition coil receives its power from the ASD which is energised togethter with fuel pump relay.
Was this
answer
helpful?
Yes
No
Sunday, January 5th, 2020 AT 7:23 PM (Merged)
Tiny
J.STIEG
  • MEMBER
  • 361 POSTS
I did some more testing, and both the fuel and ASD relay are not getting ground from PCM in the first 15 seconds with key in run position, followed by the security light.

Starts and runs well, just a delay.

Trying to find the valet button now.
Was this
answer
helpful?
Yes
No
Sunday, January 5th, 2020 AT 7:23 PM (Merged)
Tiny
WRENCHTECH
  • MECHANIC
  • 20,761 POSTS
A factory security system won't have a valet button. As for your relays, that's pretty much the way they are supposed to work. When the key is cycled on, you get a 2 second prime and then the relays shut off until the computer sees a tach signal from the crank sensor and then it energizes the relays again.
Was this
answer
helpful?
Yes
No
Sunday, January 5th, 2020 AT 7:23 PM (Merged)
Tiny
J.STIEG
  • MEMBER
  • 361 POSTS
I said Its 15-20sec="delay" in run position before fuel pump even comes on.

Followed by security on the dash!
Was this
answer
helpful?
Yes
No
Sunday, January 5th, 2020 AT 7:23 PM (Merged)
Tiny
KHLOW2008
  • MECHANIC
  • 41,814 POSTS
If the 15 seconds is very consistent, it could be a fault with the key/security system which is taking an abnormally long pause before disabling the security system and turning the ASD and fuel pump relay on.

Did you keep disconnecting the battery?
Was this
answer
helpful?
Yes
No
Sunday, January 5th, 2020 AT 7:23 PM (Merged)
Tiny
KHLOW2008
  • MECHANIC
  • 41,814 POSTS
If the delay is inconsistent, you could be looking at a failing PCM.
Was this
answer
helpful?
Yes
No
+3
Sunday, January 5th, 2020 AT 7:23 PM (Merged)
Tiny
J.STIEG
  • MEMBER
  • 361 POSTS
Looks like it is NOT leaning towards the PCM, Because of the security light. The dealerships say the security modules often go bad. Is there any way to test the security module circuits, or disable it. There are two modules that are both on passenger side.
Was this
answer
helpful?
Yes
No
+3
Sunday, January 5th, 2020 AT 7:23 PM (Merged)
Tiny
J.STIEG
  • MEMBER
  • 361 POSTS
I would like to disable the security if I could.

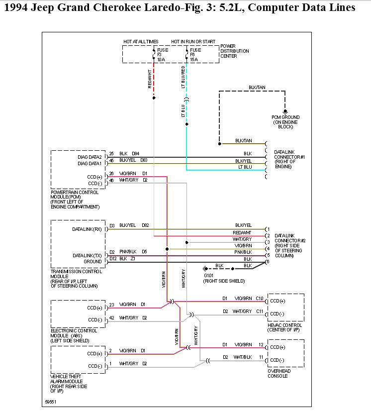
Also do you have any diagrams of the security modules?
Was this
answer
helpful?
Yes
No
+6
Sunday, January 5th, 2020 AT 7:23 PM (Merged)
Tiny
KHLOW2008
  • MECHANIC
  • 41,814 POSTS
Attached are the anti-theft wiring schematics.
Was this
answer
helpful?
Yes
No
+4
Sunday, January 5th, 2020 AT 7:23 PM (Merged)

Please login or register to post a reply.