Door Locks not working correctly?

Tiny
PILOTSTEV
  • MEMBER
  • 2 POSTS
Thanks a lot for the info on the keyless info. I still have yet to determine the solution to my inoperative power locks. I get no clicking sound at all with remote or with electric switch on door. I have checked the fuses. Honda wants $100 for a new Power Lock Module (the blue box in the picture). Will replacing that fix my problem. What easy troubleshoot items am I missing? What is the common malfunction with Hondas in this situation? I am fairly confident it is not the locking mechanism at the door locks themselves, but not 100%.

Please help if you can. I've had this car for 10 years, and want to repair everything before I sell it.

Thanks.
Was this
answer
helpful?
Yes
No
+3
Thursday, January 21st, 2021 AT 1:17 PM (Merged)
Tiny
SHING_EMAIL
  • MEMBER
  • 1 POST
I have the central locking problem in my 2003 civic. It only works when the engine/power is on. It happened since my son dropped a coin into the CD player. It stopped working since then, besides central locking, auto light fails when the engine/power is off, as well. All fuses are OK. Any suggestion? (I haven't changed the dead CD player, btw). Thanks for your help in advanced.
Was this
answer
helpful?
Yes
No
Thursday, January 21st, 2021 AT 1:17 PM (Merged)
Tiny
MOTOI860
  • MEMBER
  • 1 POST
Hi, im having the same problem. Can anyone pls pm me how to fix this. I would appreciate i. Thanks
Was this
answer
helpful?
Yes
No
Thursday, January 21st, 2021 AT 1:17 PM (Merged)
Tiny
UGAPROF
  • MEMBER
  • 1 POST
I had a similar electric lock problem on my 1990 Accord. First the electric locks would work intermittently, then one day they quit working all together. It turned out to be a bad solder joint on the lock control module circuit board. The relay terminal that connected to pin #3 was broken and was easy to locate by looking for broken solder on the bottom side of the board. After heating the joint with a soldering iron and applying a dab of solder it works good-as-new.
The door panel had to be removed, the lock control module removed and then opened. It was really a fairly simple repair.
Since I didn't need to purchase a new control module I saved quite a few $$.
Was this
answer
helpful?
Yes
No
+1
Thursday, January 21st, 2021 AT 1:17 PM (Merged)
Tiny
KINSELJR
  • MEMBER
  • 4 POSTS
Here are my issues, similar:
1.) Driver window goes down but not up. Passenger window works. Rear window goes down but not up until sitting for awhile. Doors locks work intermittently with key fob. Mirrors don't work.
2.) Attached jumpers to +4 prong and - to 3 prong on driver's window motor plug. Window went up.
3.) Wiggled the wiring harness that goes from the engine compartment into the drivers door panel, the mirrors and locks started working until I opened the door again. Didn't have the nerve to check the driver's window since it's cold and rain in the forecast. Taking it to a trusted mech. Tomorrow.
Was this
answer
helpful?
Yes
No
Thursday, January 21st, 2021 AT 1:17 PM (Merged)
Tiny
ASEMASTER6371
  • MECHANIC
  • 52,796 POSTS
Good afternoon my name is Roy and I will assist

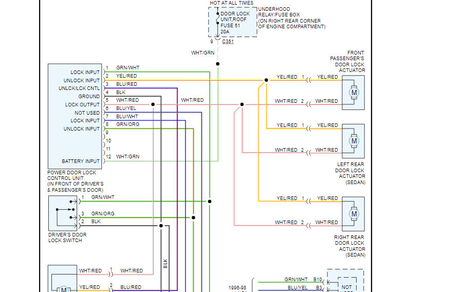
I posted a wire diagram for you to view. Check the white/green wire for battery power. If you have power and a signal from the switch, verify for any power out of the module.

It does look like the module has failed but need to verify with the checks.

Roy
Was this
answer
helpful?
Yes
No
+1
Thursday, January 21st, 2021 AT 1:17 PM (Merged)
Tiny
LILRASCAL0401
  • MEMBER
  • 1 POST
  • 1997 HONDA CIVIC
  • 4 CYL
  • 4WD
  • AUTOMATIC
  • 15,600 MILES
I locked my keys in the trunk of my car. My car doors were locked and I paniced because I was about to leave to go out of town. I wasn't thinking and I tried using a screwdriver to get my door/trunk unlocked. Now, I can put the key in the passenger & trunk lock but it won't turn. I think I messed the lock up. When I put the screwdriver in the passenger lock I did push it in kinda hard. Do I need to get my locks replaced or do you think it could be repaired? Is it very expensive to replace? Thank you!
Was this
answer
helpful?
Yes
No
Thursday, January 21st, 2021 AT 1:17 PM (Merged)
Tiny
KHLOW2008
  • MECHANIC
  • 41,814 POSTS
Hi lilrascal0401,

You definitely have damaged the key cylinders by forcing them.

You can try the locksmith to see if they can repair the locks.

Replacing the locks would entail a different key and with 2 new locks, gonna be 3 keys unless you get the locksmith to rematch the new cylinders into one.

Sorry I am not able to assist on the costing. I woud suggest checking at your local parts outlet.
Was this
answer
helpful?
Yes
No
Thursday, January 21st, 2021 AT 1:17 PM (Merged)

Please login or register to post a reply.