Brake light work sometime and turn signal work sometimes?

Tiny
PAULOOW57
  • MEMBER
  • 1997 GMC SIERRA
  • 5.0L
  • V8
  • RWD
  • AUTOMATIC
  • 281,280 MILES
When driving an brake light work sometime and turn signal work sometimes?
Saturday, February 14th, 2015 AT 10:46 AM

2 Replies

Tiny
HMAC300
  • MECHANIC
  • 48,601 POSTS
Check ground at back of frame on lh side may be corroded?
Was this
answer
helpful?
Yes
No
Saturday, February 14th, 2015 AT 1:06 PM
Tiny
KEN L
  • MASTER CERTIFIED MECHANIC
  • 55,499 POSTS
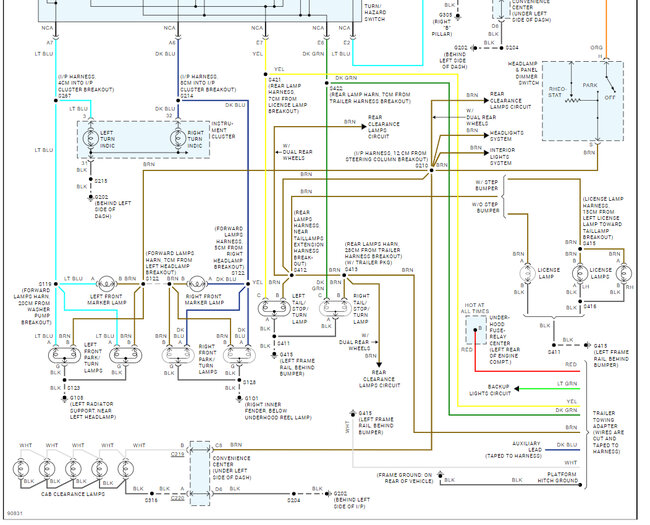
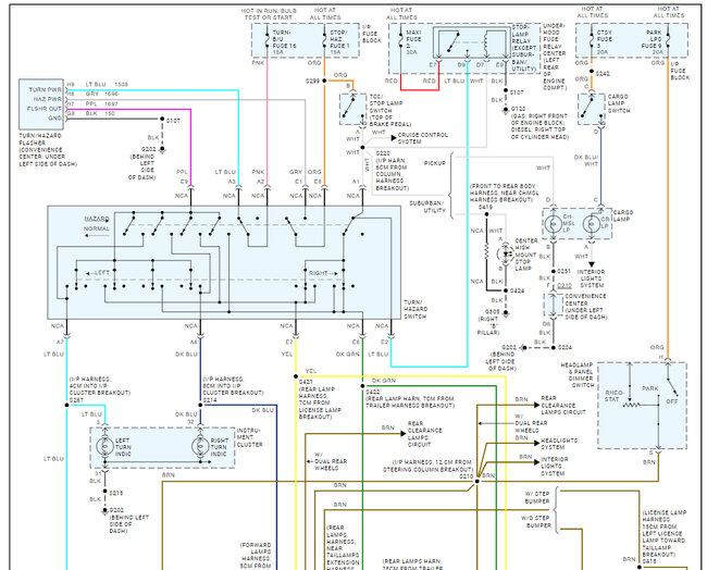
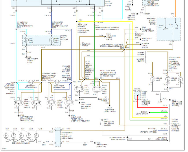
This can be the turn signal/hazard switch or you have a loose or failing fuse, or it could be a bad ground, this guide can help us fix it and I have included the brake light and turn signal wiring diagrams so you can see how the system works.

https://www.2carpros.com/articles/brake-lights-not-working

and

https://www.2carpros.com/articles/turn-signals-not-working-blinker

Check out the images (below). Please let us know what happens.
Was this
answer
helpful?
Yes
No
Monday, July 1st, 2024 AT 5:20 PM

Please login or register to post a reply.