Saturday, June 2nd, 2012 AT 12:17 AM
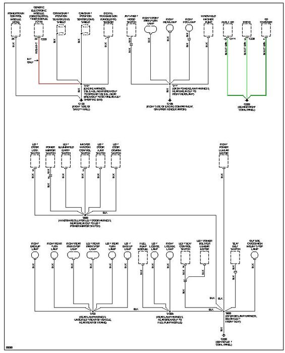
Hello, I have a 1997 Ford Ranger XLT. My gas gauge wasn't working properly, like: when I filled up the tank it would go all the way up, but ones it gets down to a quarter it stays there. So I took the bed off and replaced the sending unit in the tank. The problem persists. I also found out that my temperature gauge isn't working properly either. And temp. And gas gauges are on the same unit. My question is that if I can replace the entire dashboard? But my original doesn't have RPMs on it the new one I saw at the junkyard does. So will the rpms work?And is it a good idea to replace the entire thing? Or is there another alternative?


