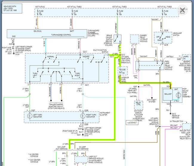
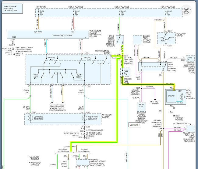
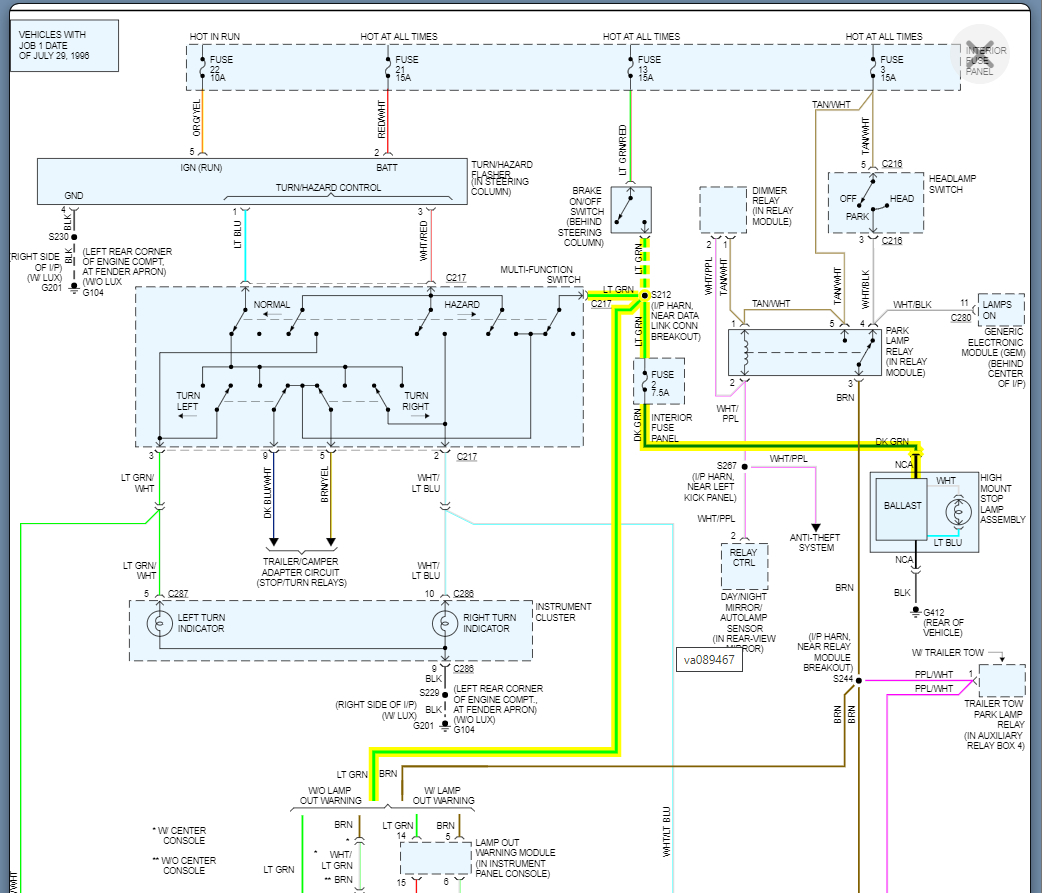
NO REAR BRAKE LIGHTS?
Need Help If possible? My Eddy B Had lost it's driverside low beam seems typical Bad bulb, Not the problem, wait my message center said check headlight's almost forgot that part, So I checked for voltage to that circuit, none then 1 week later the passenger low beam went out, I have checked all fuses, Found none bad, then message Center said check brake lights, No brake Lights No voltage there either, The 3rd brake light is still functioning, here is the catch if I turn on the heater, Floor position and let it get real warm in the cab, Very (hot) is more like it, mysteriously everything starts working normal again, might be coincidence, dont know, I have checked fuses Relays, grounds, connections, Going INSANE PLEASE HELP! Ps. The headlight problem does not always fix its self I am getting to the voltage testing, but I did discover that the headlights will work if the car is not started or key not switched ON. Once the key is turned, only the high--beams will work.
The brake lights-Not the bulbs, not the bulb clip assembly thing, and the green wire(marked high beam) has no power under any condition. The ground and low beam wiring is fine. Also, the third brake light works.
I will check the brake switch first chance. Moving the steering column position does not affect the lights in any noticeable way.
thanks!
Perry
Monday, February 23rd, 2015 AT 9:49 AM



