I've always had a love for taking things apart.

Tiny
MR.REUBEN
  • MEMBER
  • 1996 MERCURY MARQUIS
I've always had a love for taking things apart and putting them back together, often installing parts of my own for better performance but now I'm faced with a challenge that looks like mt. Fuji, replacing the heater core in my 96 grand. I'm all ears
Sunday, November 20th, 2011 AT 5:44 AM

2 Replies

Tiny
RIVERMIKERAT
  • MECHANIC
  • 6,110 POSTS
Ok. What's your question?
Was this
answer
helpful?
Yes
No
Sunday, November 20th, 2011 AT 5:50 AM
Tiny
KHLOW2008
  • MECHANIC
  • 41,814 POSTS
PLENUM & HEATER CORE

Removal & Installation

1. Disconnect negative battery cable. Disconnect heater hoses from heater core tubes. Plug heater hoses and heater core tubes.

2. Remove 3 nuts (below windshield wiper motor) retaining left side of plenum to dash panel. Remove nut retaining upper left corner of evaporator case to dash panel. Remove left and right lower instrument panel insulators.

3. Disconnect vacuum supply hose from vacuum source. Push grommet and vacuum supply hose into passenger compartment. Remove all instrument panel retaining screws, and pull instrument panel back as far as possible without disconnecting any wiring harnesses.

4. Loosen right door sill plate. Remove right side cowl trim panel. Remove cross-body brace. Disconnect wiring harness from temperature blend door actuator. Disconnect sensor tube from evaporator case connector.

5. Disconnect vacuum harness at multiple vacuum connector near floor air-distribution duct. Disconnect White vacuum hose from heater and outside/recirculated air door vacuum motor.

6. Remove 2 hush panels. Remove plastic push fastener retaining floor air-distribution duct to left end of heater plenum chamber. Remove screws on rear face of plenum chamber. Remove floor air-distribution duct. Remove nuts from studs along lower flange of plenum chamber.

7. Carefully move plenum chamber rearward to allow heater core tubes and stud at top of plenum chamber to clear holes in dash panel. Remove plenum chamber from vehicle by rotating top of plenum chamber forward and then down and out from under instrument panel. Carefully pull instrument panel rearward, if necessary, and roll plenum chamber from behind instrument panel.

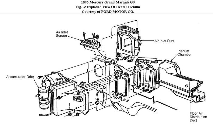
8. Remove screws from heater core cover, then remove cover from plenum chamber. Pull heater core and seal from plenum chamber. See
Fig. 3. To install, reverse removal procedure.
Was this
answer
helpful?
Yes
No
Sunday, November 20th, 2011 AT 8:46 AM

Please login or register to post a reply.