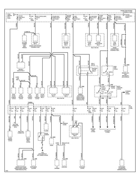
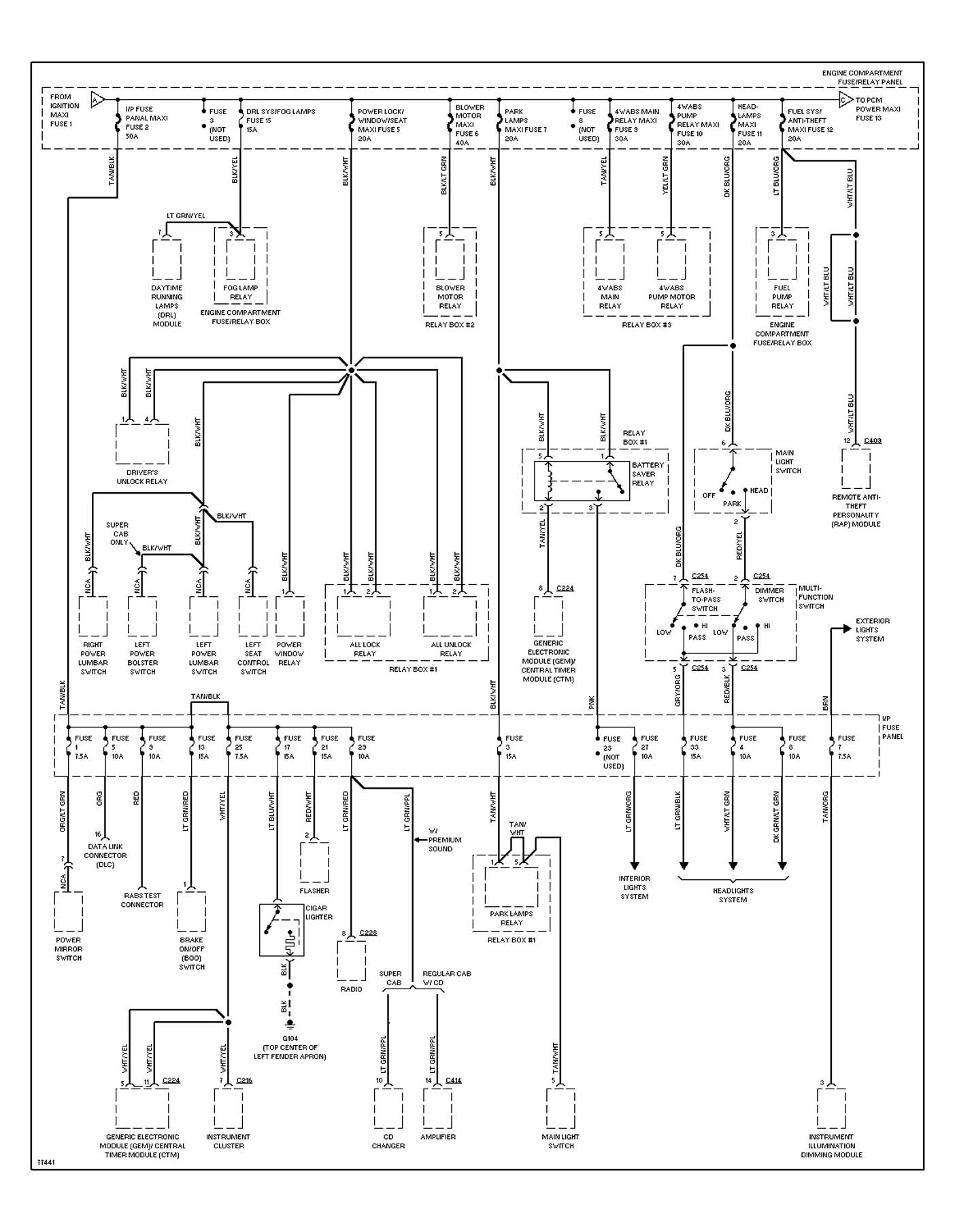
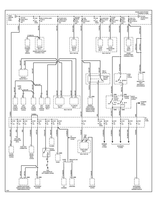
No dashlights or dome lights

Tiny
KGREENE3122
  • MEMBER
  • 1996 FORD RANGER
  • 4 CYL
  • 2WD
  • MANUAL
  • 134,210 MILES
Dashlights/dome lights don't work on my 96 ford ranger xlt. Main fuse under the hood is fine. Is there a fuse in the small fuse box that could be bad. What else could it be?
Thursday, February 10th, 2011 AT 12:20 AM

3 Replies

Tiny
MIKE H R
  • MECHANIC
  • 3,094 POSTS
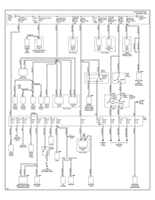
The fuses under the hood handle larger loads. The fuse for the interior lights are under the dash on the drivers side.
Was this
answer
helpful?
Yes
No
Thursday, March 10th, 2011 AT 10:10 PM
Tiny
KGREENE3122
  • MEMBER
  • 2 POSTS
The main fuses under the hood are fine. The fuses for the interior lights are on the side of the dashboard. The fuse for the dome light has been removed because it stays on all the time when it is in. The switch on the light fixture itself seems fine. Could it be the door jam sensors? If so, where do I find them?
There are no dashlights at all and seems to be a short in the wiper/turn signal lever. There is a light for the station and time on the radio. Which fuse inside handles the dashlights? They all seem fine. I do not have a manual for the vehicle.
Was this
answer
helpful?
Yes
No
-1
Thursday, March 10th, 2011 AT 10:54 PM
Tiny
MIKE H R
  • MECHANIC
  • 3,094 POSTS
Each door has a door circuit. Most times they are round and push in when the door closes.
Was this
answer
helpful?
Yes
No
Saturday, March 12th, 2011 AT 2:32 PM

Please login or register to post a reply.