Saturday, July 13th, 2013 AT 5:00 PM
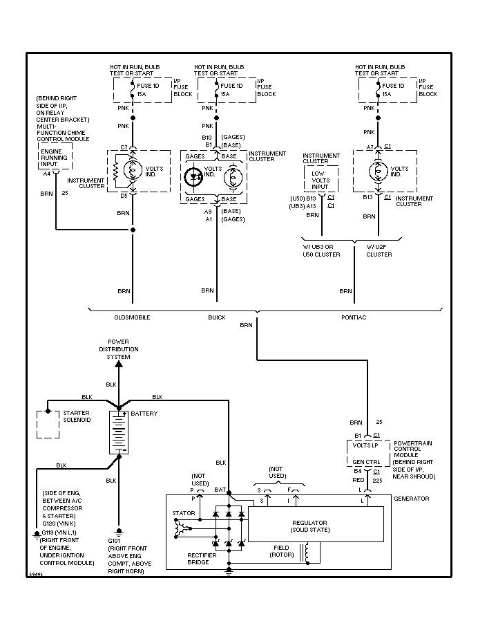
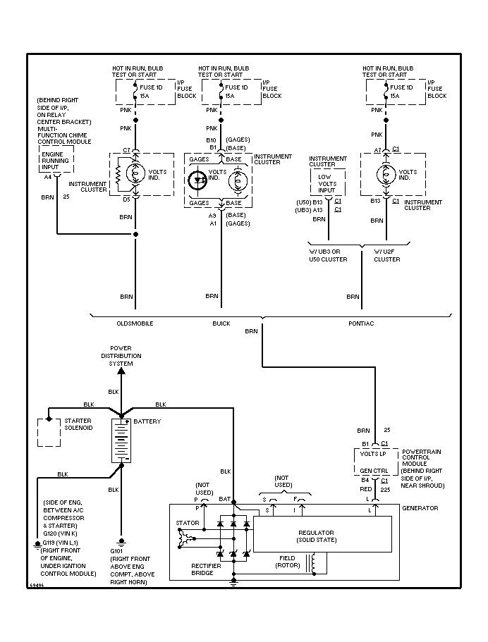
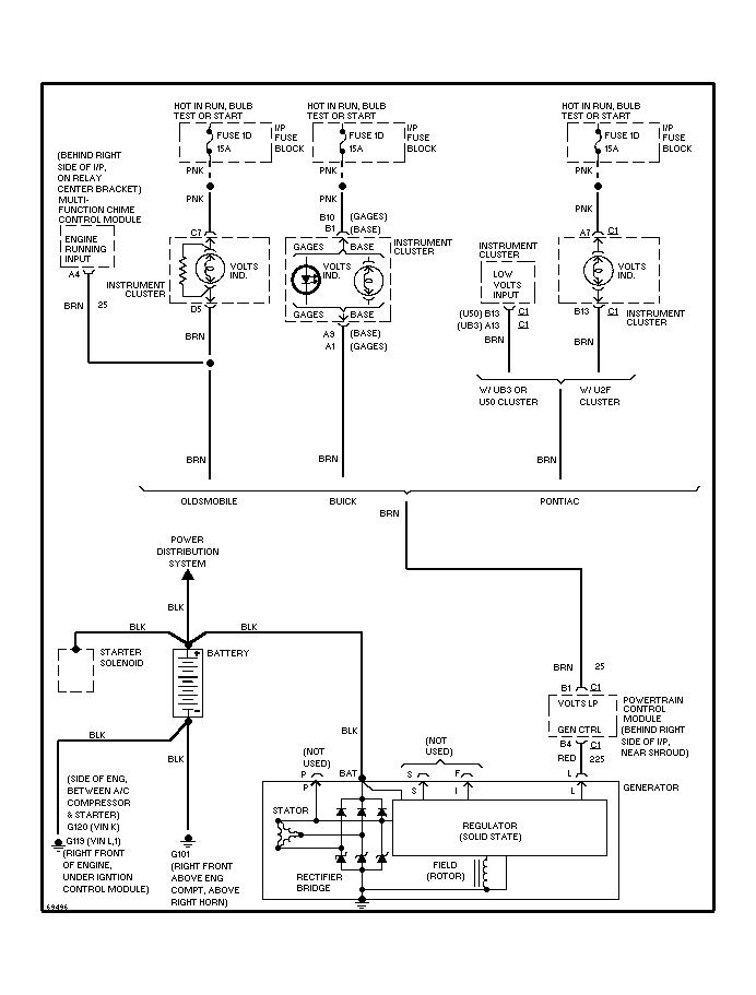
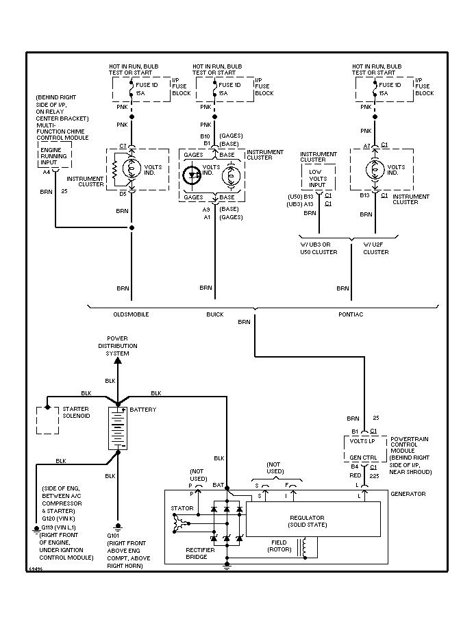
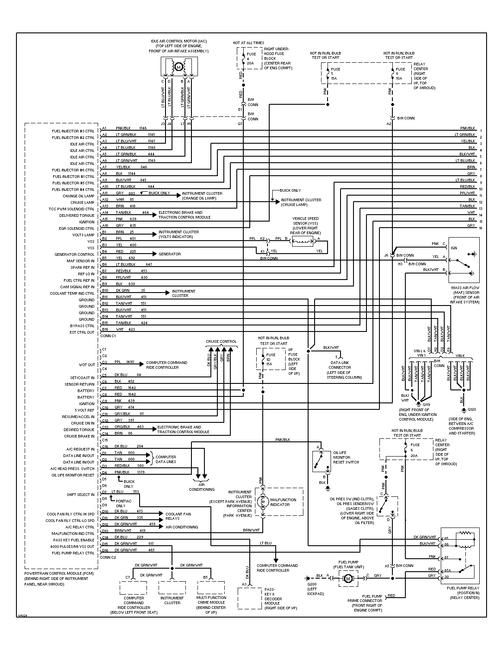
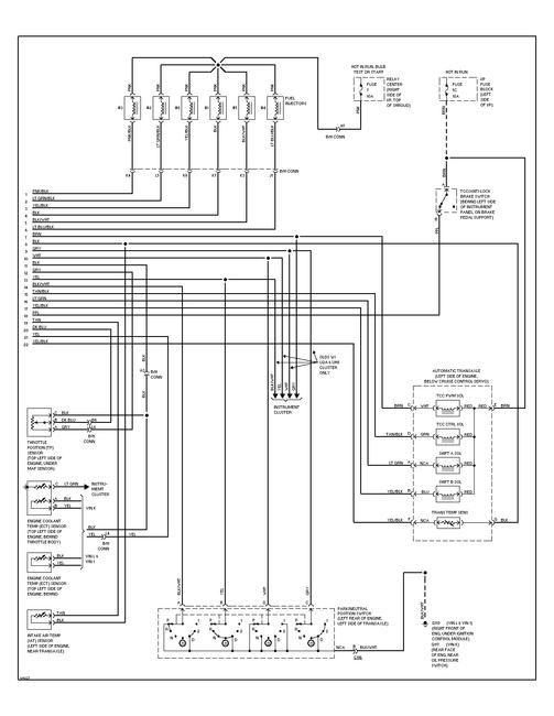
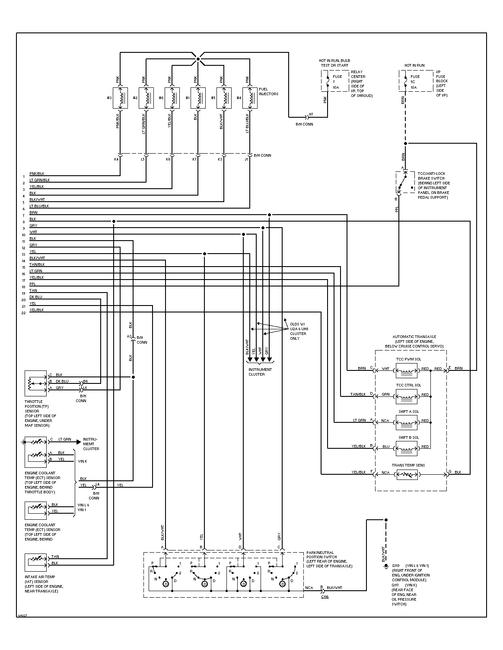
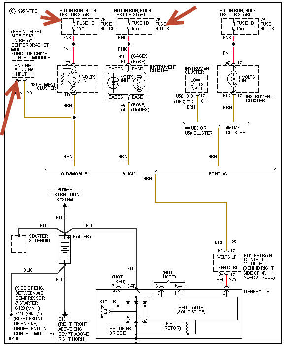
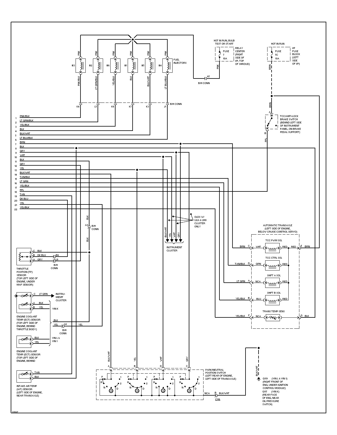
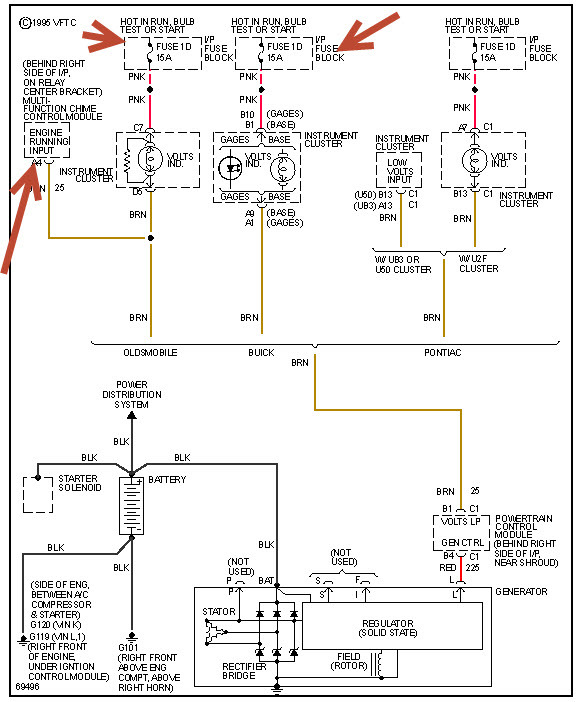
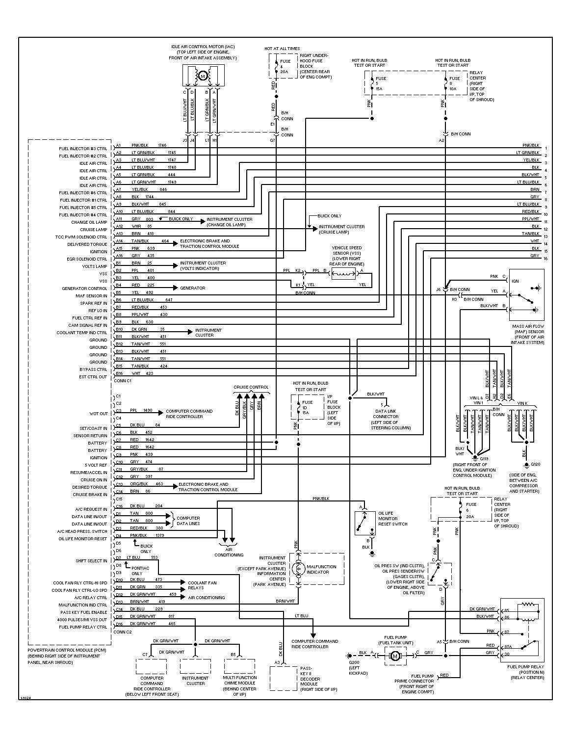
Tried disconnecting the battery neg wire and car dies. The alternators bench tested good. The last alternator was bench tested at 3 different stores just to make sure it was good. I have 12vdc at the end of the large positive battery cable at the alternator terminal with the car off. With the car running the voltage slowly drops about.1 VDC every minute or two with no accessories running. I disconnected the large wire from the alternator and started the car. At the alternator terminal, I read.2VDC. There is only one small red wire that plugs into the alternator. Does anyone have a schematic as to where that wire ends up? A schematic would be helpful to determine where to read for continuity or voltage. Thanks for your information.











