Heater problems

Tiny
MAVEN0613
  • MEMBER
  • 1995 LINCOLN TOWN CAR
  • V8
  • 2WD
  • AUTOMATIC
  • 200 MILES
No heat coming from heater?
Saturday, May 21st, 2011 AT 5:04 AM

39 Replies

Tiny
WRENCHTECH
  • MECHANIC
  • 20,761 POSTS
With the engine at full operating temp, locate the 2 heater hoses where they go into the firewall and feel them to see if they are both hot to the touch. If not too hot to hold, then you have to look at the actual engine temp and if that is up, if it is, then your looking at a restricted heater core.
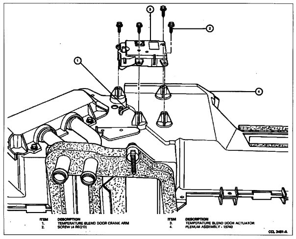
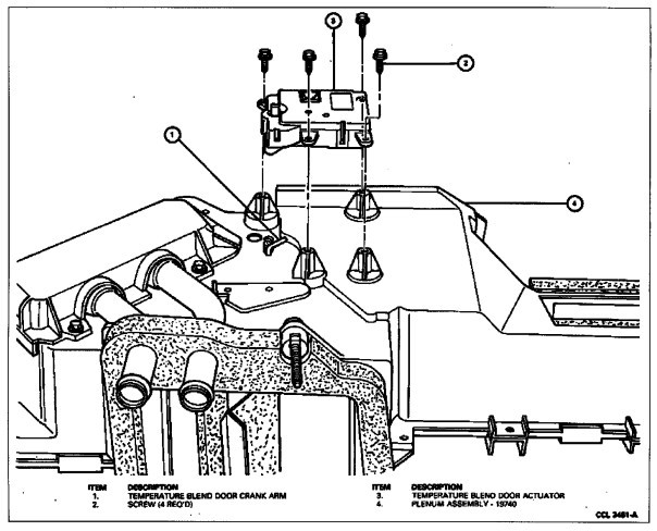
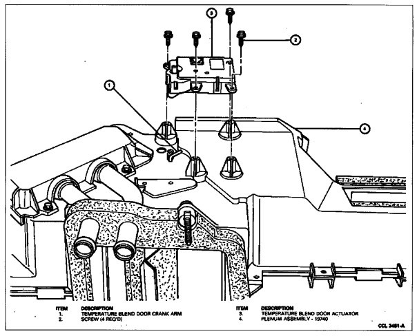
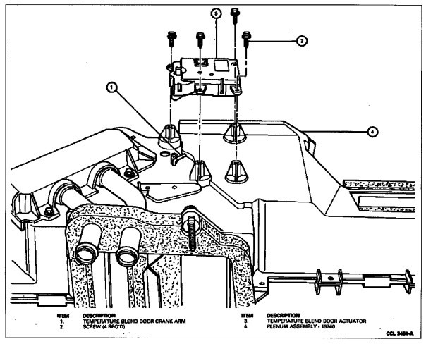
If you find that they are both too hot to hold, then the heat in that vehicle is controlled by a blend door that regulates heated air flow. it is operated by an electric motor/actuator. The problem can be that the actuator is stripped or inoperative or the door itself could be damaged. This is what needs to be determined by examining the actuator and see if it is responding to heat change commands or not.

Check out this guide

https://www.2carpros.com/articles/car-heater-not-working

If they are both not too hot to hold on to, then you either have a restricted heater core or the system is not completely full and getting air pockets for some reason.
Was this
answer
helpful?
Yes
No
+4
Saturday, May 21st, 2011 AT 11:16 AM
Tiny
MAVEN0613
  • MEMBER
  • 25 POSTS
Replaced stuck open thermostat-did not help. Re: heater core hoses-one is hotter than the other but not too hot to touch at full operating temp.

Cannot find heater control valve in heater hose that should be there per car books and internet? Is this missing? (Just bought this car.)

Are there self-test diagnostics on Climate Control Panel? Using manual override not EATC.

Going to remove heater hoses and try to flush core while still in car as not looking forward to removing entire dash to replace heater core. Would full radiator system flush heater core as well?

How do you clear air pockets from system?

Thank you very much for your assistance. I appreciate knowledgable help such as yours.
Was this
answer
helpful?
Yes
No
+1
Saturday, May 21st, 2011 AT 2:10 PM
Tiny
WRENCHTECH
  • MECHANIC
  • 20,761 POSTS
From what you're describing, the core is plugged up. You can try removing the hoses and back flushing it with water pressure but you will probably need a new heater core.
Was this
answer
helpful?
Yes
No
+3
Saturday, May 21st, 2011 AT 2:14 PM
Tiny
MAVEN0613
  • MEMBER
  • 25 POSTS
I think you are correct. I will try flushing just the core but would a full cooling system flush be advised as well in addition to this or maybe instead of this?

What about the missing heater control valve?
Was this
answer
helpful?
Yes
No
+1
Saturday, May 21st, 2011 AT 3:16 PM
Tiny
WRENCHTECH
  • MECHANIC
  • 20,761 POSTS
It might be a good idea to clean the rest of the system if it shows any sign of contamination but your problem right now is with the heater core so that needs special attention.
Was this
answer
helpful?
Yes
No
Saturday, May 21st, 2011 AT 3:20 PM
Tiny
MAVEN0613
  • MEMBER
  • 25 POSTS
I appreciate your replies. I am flushing the heater core right now.

Do you know anything about the missing "heater control valve"? It is supposed to be inline in one of the the heater core hoses but it is not there.
Was this
answer
helpful?
Yes
No
Saturday, May 21st, 2011 AT 4:21 PM
Tiny
WRENCHTECH
  • MECHANIC
  • 20,761 POSTS
Apparently you didn't read my first post. This car uses an air blend door, not a water valve. Coolant circulates 100% of the time
Was this
answer
helpful?
Yes
No
+1
Saturday, May 21st, 2011 AT 6:54 PM
Tiny
MAVEN0613
  • MEMBER
  • 25 POSTS
I did read your post but misunderstood. Sorry. I thought it had both components. I have researched this so much I have confused myself beyond the point of return as both parts are listed everywhere for this model and in the repair manuals as well. I flushed the heater core and now both hoses get hot evenly but still no heat. I am now researching replacing the air blend door which looks worse than replacing the heater core.

I think I'll take a break as it is near 70 degrees and will be near 80 degrees tomorrow. But I'll need heat next week.

I really appreciate your assistance with this. Thank you for your time.
Was this
answer
helpful?
Yes
No
+1
Saturday, May 21st, 2011 AT 8:26 PM
Tiny
WRENCHTECH
  • MECHANIC
  • 20,761 POSTS
The door itself is about 8 hours to change but the actuator is the more common failure. You will have to remove the actuator to see if the door is stuck or damaged.
Was this
answer
helpful?
Yes
No
Saturday, May 21st, 2011 AT 8:29 PM
Tiny
MAVEN0613
  • MEMBER
  • 25 POSTS
Got it. Thanks. Looks like I might as well replace the heater core while all this is undone anyway.
Was this
answer
helpful?
Yes
No
Saturday, May 21st, 2011 AT 8:31 PM
Tiny
WRENCHTECH
  • MECHANIC
  • 20,761 POSTS
Only if your going after the door itself. It requires removing the entire dash, the entire HVAC and disassembling it.
Was this
answer
helpful?
Yes
No
Saturday, May 21st, 2011 AT 8:36 PM
Tiny
MAVEN0613
  • MEMBER
  • 25 POSTS
Well, there is no A/C either. So it's the actuator? How do I differentiate between the actuator and the door? Can you tell if the door works manually once I get in there? I understand Lincoln had a problem with the actuator in this series.
Does this look accurate?
http://www.markviii.org/LOD2/blend_door_repair.htm
Thank you so much.
Was this
answer
helpful?
Yes
No
Monday, May 23rd, 2011 AT 1:54 AM
Tiny
MAVEN0613
  • MEMBER
  • 25 POSTS
Oh, that link was the wrong make and model. My gear shifter is on the column. Sorry. Out here by myself tryig to figure this thing out and just overwhelmed at the moment.
Was this
answer
helpful?
Yes
No
Monday, May 23rd, 2011 AT 2:01 AM
Tiny
WRENCHTECH
  • MECHANIC
  • 20,761 POSTS
You have a Town Car. That is a Mark VIII.

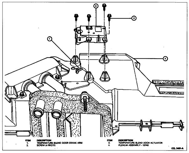
The instructions still say the dash has to be removed to access it but you may be able to at least see it by removing the glove box. It is mounted on top of the HVAC housing.
Was this
answer
helpful?
Yes
No
+1
Monday, May 23rd, 2011 AT 2:06 AM
Tiny
MAVEN0613
  • MEMBER
  • 25 POSTS
Yeah, I screwed up.
Now i am looking at this as I can't find anything closer:
http://wiki.answers.com/Q/How_do_you_access_your_blend_door_actuator_motor_in_your_1993_Lincoln_town_car#ixzz1Mxn3CaV9
Thanks for the drawing. Apparently I am needing all the help I can get with this thing.
Was this
answer
helpful?
Yes
No
Monday, May 23rd, 2011 AT 2:08 AM
Tiny
WRENCHTECH
  • MECHANIC
  • 20,761 POSTS
I don't suggest you attempt this but if you do, go purchase some service manuals first.
Was this
answer
helpful?
Yes
No
Monday, May 23rd, 2011 AT 2:12 AM
Tiny
MAVEN0613
  • MEMBER
  • 25 POSTS
Well, it's me or no heat and air. Surfing for service manuals as we speak.
Was this
answer
helpful?
Yes
No
Monday, May 23rd, 2011 AT 2:13 AM
Tiny
MAVEN0613
  • MEMBER
  • 25 POSTS
Hey, can you do this? What happens when you need defrost and heat at the same time then?

"I had a 1995 TC that the blend door actuator went out on and I simply unplugged the power to the actuator and moved the door manually with a screwdriver from right to left depending on if I wanted heat in the winter or A/C in the summer. Not the best fix but I only had to get under the dash twice a year.'
I'm getting desperate here! LOL!
Was this
answer
helpful?
Yes
No
+1
Monday, May 23rd, 2011 AT 2:27 AM
Tiny
WRENCHTECH
  • MECHANIC
  • 20,761 POSTS
If you can access it and the door itself isn't broken, that is possible. I have a Jeep I do that to because I haven't got around to fixing it but that one is much more accessible than yours.
Was this
answer
helpful?
Yes
No
Monday, May 23rd, 2011 AT 2:35 AM
Tiny
MAVEN0613
  • MEMBER
  • 25 POSTS
Well you can bet I'm going to give it a try because between paying for the car and getting it to pass emissions (hell) I'm running low in funds and patience.
I just can't thank you enough for all your help.
Was this
answer
helpful?
Yes
No
Monday, May 23rd, 2011 AT 2:39 AM

Please login or register to post a reply.